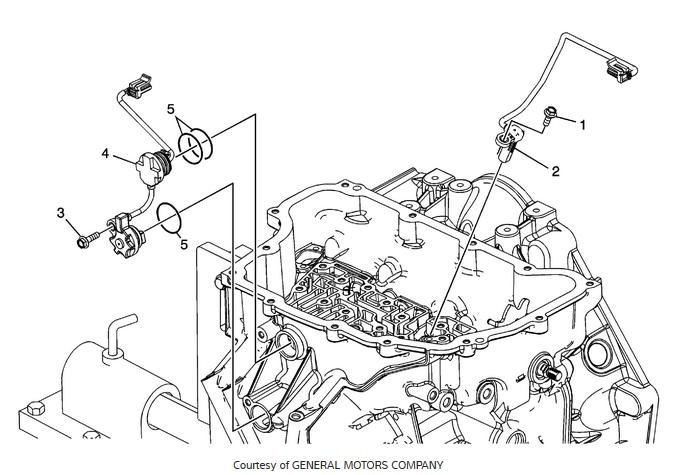
Input speed sensor location

Tiny
67KAYLENE
  • MEMBER
  • 2012 CHEVROLET MALIBU
  • 4 CYL
  • FWD
  • AUTOMATIC
  • 98,000 MILES
Location of input speed sensor can you tell me?
Monday, July 3rd, 2017 AT 4:37 PM

9 Replies

Tiny
MHPAUTOS
  • MECHANIC
  • 31,937 POSTS
Hello,

The input sensor for the transmission is near the front by the bell housing. Check out the diagrams (Below). Please let us know if you need anything else to get the problem fixed.
Was this
answer
helpful?
Yes
No
+2
Tuesday, July 4th, 2017 AT 3:50 AM
Tiny
67KAYLENE
  • MEMBER
  • 5 POSTS
  • 2012 CHEVROLET MALIBU
  • 2.4L
  • 4 CYL
  • AUTOMATIC
  • 98,000 MILES
Where is it located, and how do I access it? I need to replace it. Picture would be great.
Was this
answer
helpful?
Yes
No
+4
Wednesday, February 13th, 2019 AT 7:12 PM (Merged)
Tiny
HMAC300
  • MECHANIC
  • 48,601 POSTS
It is in the transmission see pictures for instructions if you want to tackle yourself.
Was this
answer
helpful?
Yes
No
+2
Wednesday, February 13th, 2019 AT 7:12 PM (Merged)
Tiny
67KAYLENE
  • MEMBER
  • 5 POSTS
So we are going to have to open the transmission up to get to it? Was really hoping it was reachable from the outside. Estimation of time it will take?
Was this
answer
helpful?
Yes
No
+2
Wednesday, February 13th, 2019 AT 7:12 PM (Merged)
Tiny
HMAC300
  • MECHANIC
  • 48,601 POSTS
Any estimate is for a mechanic that is familiar with it with little knowledge it can take you a half a day or more.
Was this
answer
helpful?
Yes
No
+1
Wednesday, February 13th, 2019 AT 7:12 PM (Merged)
Tiny
67KAYLENE
  • MEMBER
  • 5 POSTS
We changed this out and now the car is still jerking and very slow to accelerate. Also when going 75mph it feels like it is downshifting to 3rd gear and staying there. Ran codes again and now it is throwing a transmission control module error. Any suggestions?
Was this
answer
helpful?
Yes
No
+1
Wednesday, February 13th, 2019 AT 7:12 PM (Merged)
Tiny
HMAC300
  • MECHANIC
  • 48,601 POSTS
Recheck your work and make sure all your plugins are good and have good connections. If it was ok before and now not then it' may be some thing you did
Was this
answer
helpful?
Yes
No
+1
Wednesday, February 13th, 2019 AT 7:12 PM (Merged)
Tiny
KEN JAMES2
  • MEMBER
  • 1 POST
What is the part number for this sensor? I've been to auto zone twice now but the wrong sensors.
Was this
answer
helpful?
Yes
No
Wednesday, January 8th, 2020 AT 3:18 PM
Tiny
KASEKENNY
  • MECHANIC
  • 18,907 POSTS
The manual doesn't list the part number for it but I attached a link to a common parts website. This is for the input speed sensor so if this is wrong then I suspect we are looking for the wrong sensor.

https://www.rockauto.com/en/catalog/chevrolet,2012,malibu,2.4l+l4,1501855,electrical,speed+sensor,10634
Was this
answer
helpful?
Yes
No
Wednesday, January 8th, 2020 AT 4:45 PM

Please login or register to post a reply.