Injectors not pulsating

Tiny
RMARCE
  • MEMBER
  • 1989 DODGE POWER WAGON
  • 5.2L
  • V8
  • 2WD
  • AUTOMATIC
  • 125,000 MILES
Good ignition but no fuel at injectors.
Friday, November 1st, 2019 AT 3:06 PM

16 Replies

Tiny
CARADIODOC
  • MECHANIC
  • 34,454 POSTS
About 95 percent of crank / no-starts are caused by a loss of both spark and fuel pressure, but a lot of people get hung up on the first one they find missing, and forget to look for other related things. Since you do have good spark, that leaves the fuel supply system to look at.

Listen for the hum of the fuel pump for one second when you turn on the ignition switch. If you can't hear it over the chime, listen next to the gas tank while a helper turns the switch. If you still don't hear it run, try banging on the bottom of the tank. That will often jar the pump motor enough to get it to start running. If that works, the pump is failing due to worn brushes in the motor. It may start up normally for months after that, or it could act up the next time you try to start the engine. The problem will get worse over the next weeks and months. The solution for that is to replace the fuel pump.

Also note that once a Chrysler fuel pump starts up, it will continue to run as long as the engine is rotating, (cranking or running). Chrysler pumps rarely stop running while you're driving. GM fuel pumps are just the opposite because they generally fail in a different way. They usually start up, then they stop while you're driving, leaving you sitting on the side of the road.
Was this
answer
helpful?
Yes
No
-1
Friday, November 1st, 2019 AT 4:40 PM
Tiny
RMARCE
  • MEMBER
  • 24 POSTS
Pump is good, I have fuel pressure to the injectors. I removed one and fuel pumped into throttle body. Checked regulator and sensors, everything is clean. Swapped computer with as removed unit, no change.
Was this
answer
helpful?
Yes
No
Sunday, November 3rd, 2019 AT 5:06 AM
Tiny
RMARCE
  • MEMBER
  • 24 POSTS
Fuel is up to the injectors but they won't spray into the engine. If you prime the throttle body with gas the engine runs, but stops when the gas prime runs out.
Was this
answer
helpful?
Yes
No
Sunday, November 3rd, 2019 AT 6:22 AM
Tiny
CARADIODOC
  • MECHANIC
  • 34,454 POSTS
Have you read the diagnostic fault codes yet? To do that yourself, cycle the ignition switch from "off" to "run" three times within five seconds without cranking the engine, leave it in "run", then count the flashes of the Check Engine light. Here's a link to the fault code definitions and how to read the flashes:

https://www.2carpros.com/articles/retrieve-trouble-codes-for-chrysler-dodge-plymouth-odb1-1995-and-earlier-car-mini-van-and-light-trucks

I can interpret any codes you need help with. In particular, we're looking for a code involving the crankshaft position sensor or the camshaft position sensor. The problem is when the signal is missing from one of them during cranking, that may not be enough time for it to be detected and set a diagnostic fault code. That means do not assume those circuits are working just because there is no fault code referring to them.

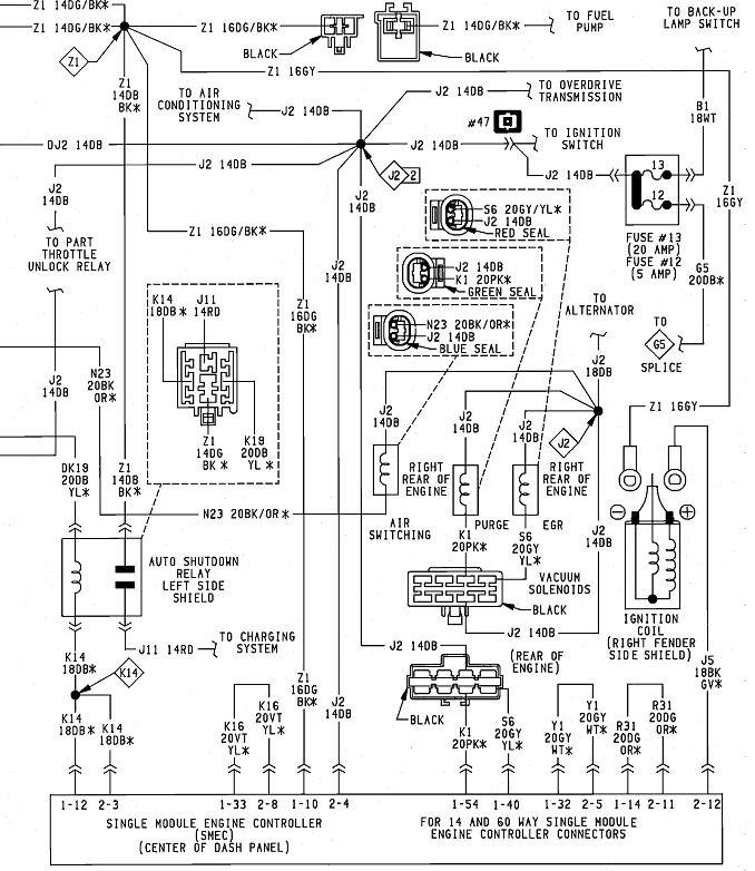
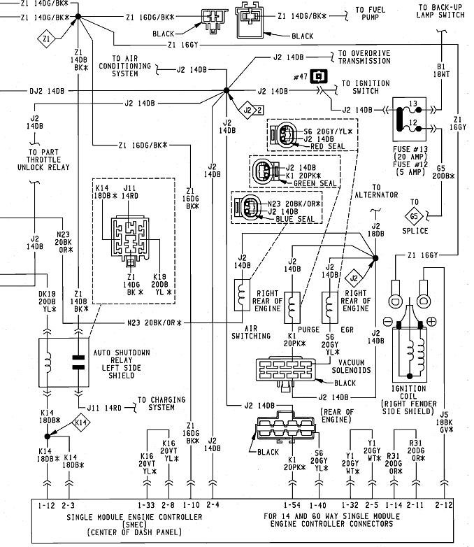
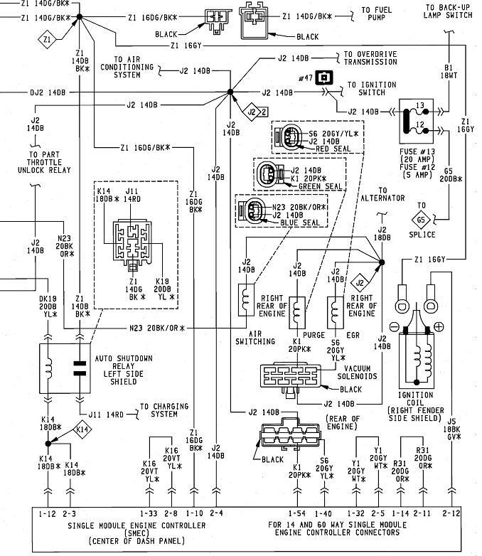
On most Chrysler products the Engine Computer has to see signal pulses from the crankshaft position sensor and the camshaft position sensor during engine rotation, (cranking or running), then it turns on the automatic shutdown, (ASD) relay. The ASD relay sends current to the ignition coil, injector(s), alternator field, and fuel pump or pump relay. Since you have spark, we know the ASD relay is getting turned on. If you have 14 pounds of fuel pressure, that leaves the injector wiring as the only suspect. Failed injectors are extremely rare, and if one of yours did fail, the other one would still be firing, so the symptoms would be different.

Look for the 8-terminal connector between the engine and the body, then find the double dark green / black wires. Check for 12 volts on both sides of that connector. This has to be done while a helper is cranking the engine so the ASD relay is turned on. If you have to do this by yourself, I can describe how to bypass that relay, then you can do any testing without even having to turn on the ignition switch.
Was this
answer
helpful?
Yes
No
+1
Monday, November 4th, 2019 AT 7:40 PM
Tiny
RMARCE
  • MEMBER
  • 24 POSTS
I'll verify fuel pressure and voltage at both sides of the connector when engine is cranking.
Was this
answer
helpful?
Yes
No
Tuesday, November 5th, 2019 AT 1:48 PM
Tiny
RMARCE
  • MEMBER
  • 24 POSTS
Fuel pressured 14+ psi at TB inlet.
Voltage read 9+ volts when cranking at the injectors plug using the chassis for a ground. Using the pins at the injector plug for a ground did not show voltage.
The engine starts good when primed but will not stay running.
Was this
answer
helpful?
Yes
No
Friday, November 8th, 2019 AT 1:10 PM
Tiny
CARADIODOC
  • MECHANIC
  • 34,454 POSTS
Injector wires can't be used for ground. Both will read full battery voltage, which could be drawn down by the starter motor during cranking. The control wires get grounded by the computer when it pulses them open, then they go back to full battery voltage. When both are at battery voltage, the difference is 0 volts. During the brief few milliseconds the injectors are pulsed open, the control wires will only be drawn down to about 2 volts. Digital voltmeters take a reading, analyze it, then display it while taking the next reading. Some of those readings will be 0 volts, and others could be from 7 - 10 volts. Digital meters do not average their readings, so you'd see the display bouncing around wildly, showing random, meaningless numbers.

Since we know you have spark and fuel pressure, we have to look at why the computer is not pulsing the injectors. You're going to need a scanner for the next tests. The first is to call up the crankshaft position sensor and the camshaft position sensor, then watch the state displayed that they show. Chrysler's DRB2 scanner lists them as "No" with the ignition switch on, they they will switch to "Present" during cranking. If one stays on "No" during cranking, that is the circuit that needs to be diagnosed further.

The scanner will also let you perform a test on the injector circuit. When you press that selection from the drop-down menu, the computer will pulse the selected injector once per second. You should be able to hear and feel the one that's being energized. At the same time, you should see a nice cone-shaped spray of fuel into the throttle body, and if you have the fuel pressure gauge attached, fuel pressure will bleed down to near 0 psi within about 15 - 20 seconds.

If the injectors do not pulse while the scanner displays "Activating test", or something similar, the driver circuits in the computer are defective, or there could be a 12-volt supply to the computer missing. There are typically four different 12-volt feeds to the computer, but if you lose one of them, you would usually have different symptoms than just dead injectors. For that reason, we'll put that on the back burner for now.

If you observe the injectors are pulsing during the scanner's test, but you don't see the cone-shaped spray of fuel under them, it would appear the injectors are plugged. That is extremely uncommon unless someone dumped sugar in the gas tank. To be able to perform this procedure, the injectors have to be fed with their normal 12 volts, and that comes through the ASD relay. That means the scanner will command the computer to turn the ASD relay on too during this test. On most models the ASD relay also powers up the fuel pump or pump relay, so fuel will remain up to its normal pressure.

If you suspect the injectors are plugged, you'll need to manually pulse the injectors with the ignition switch off so the computer doesn't turn on the ASD relay and / or fuel pump relay. Unplug an injector, then connect a pair of small jumper wires to its terminals. Connect the other end of one jumper wire to the battery's positive post. Momentarily touch the other end of the second jumper wire to a paint-free point on the engine. You should see fuel pressure drop a little each time you do that. We rarely have to get this far into testing, but the Chrysler instructors always mentioned to not hold power on an injector for more than a few seconds to prevent overheating and warping the internal electromagnetic coils.

The last thing to look at is the connectors themselves. They look like 3/4" x 1" rounded black ovals. I've seen two GM minivans that used this same style of plug, develop stretched connector terminals. One injector on one of those vans didn't pulse at all. One on the other van caused an intermittent miserable misfire on humid days. Both were solved by using a small pick to bend the terminals so they made stronger contact.
Was this
answer
helpful?
Yes
No
Friday, November 8th, 2019 AT 6:38 PM
Tiny
RMARCE
  • MEMBER
  • 24 POSTS
I'll do a direct test on injectors tomorrow. Could the throttle position sensor have anything to do with this problem?
Was this
answer
helpful?
Yes
No
Sunday, November 10th, 2019 AT 1:49 PM
Tiny
CARADIODOC
  • MECHANIC
  • 34,454 POSTS
Normally I would say "no". The TPS has very little to do with fuel metering calculations.

Now I have to add to that. My daily driver is a '94 Grand Voyager that was severely neglected by the previous owner. One complaint she had was an intermittent failure to up-shift from second gear. It was looked at multiple times, but the mechanics could never make the problem act up. Now that I'm driving it, it has done that a few times within the last two years. This is not the same as going into "limp" mode where you have to turn the ignition switch off to reset it and get it to shift. It will resume shifting normally on its own.

A few months ago it acted up just as I got onto the freeway. This time I thought it had indeed gone into limp mode because no amount of coaxing would get it to up-shift. I shoved it into neutral, turned the ignition switch off, then to my surprise, the engine would crank but not restart. I coasted over a mile, then into a parking lot. Was ready to walk back home, (which wouldn't have served any useful purpose), but naturally when you're under the hood, you have to tug on stuff and poke things. After pulling on the throttle cable and releasing it, the engine fired right and ran fine after that. The only other symptom I hadn't been paying much attention to for a few days was a high idle speed of around 1,000 rpm.

Once home, that high idle was occurring so I threw the scanner on it and left the engine running. I was expecting to find a vacuum leak, but while scrolling through the sensor readings, I saw the TPS was at 1.2 volts at idle. Normal range is 0.5 volts at idle to 4.5 volts at wide-open-throttle. Shut the engine off, then played with the throttle position sensor while watching it on the scanner. What I found is it would stick, and not come back to 0.5 volts at idle. If I opened the throttle half way, the sensor went to around 2.5 volts, and again, it stayed there with closed throttle blade. If I opened the throttle even more, the sensor would stick at that new, higher reading. It wasn't until I hit wide-open-throttle that the sensor would follow it back down to 0.5 volts at idle, like normal.

When this problem acted up on the highway, I hit about 3/4 throttle in second gear to keep up with traffic for a few seconds. I assume that's where the sensor stuck when I turned the engine off. Thinking about it later, that near wide-open-throttle sensor reading is the "Clear flood" signal for the Engine Computer to stop firing the injectors. That was the reason for the crank / no-start. I later observed the high TPS reading also resulted in the high idle speed. The failure-to-up-shift problem was also caused by the high TPS reading. That is what tells the Transmission Computer how hard you're accelerating. Harder acceleration calls for higher shift points.

Threw on a used TPS, and have had no more shifting, high idle, or failure to start problems. I'll never run into this weird problem again because it is so uncommon.

So, to say your TPS won't cause your crank / no-start isn't exactly true, but it is very unlikely. When you look at it on a scanner, this type of sensor is fed with 5.0 volts and there's 0.2 volts on its ground wire. There's mechanical stops inside the sensor that limits its range of signal voltage from 0.5 volts at idle to 4.5 volts at wide-open-throttle. Those numbers are for training purposes. In actual practice you're going to find typical values of perhaps 0.62 volts at idle to 4.2 volts at wide-open-throttle. The exact numbers are irrelevant and will vary between sensors. The point of value here is the only way the signal voltage can go to 0.0 volts is if there's a break in the 5.0-volt feed wire or terminal inside the sensor, and the only way it can ever reach 5.0 volts is if there's a similar break in the ground wire or inside the sensor. Those are two of the conditions the computer can detect, and it's by those readings outside the 0.5 to 4.5 volt range that set diagnostic fault codes.

The TPS on my van never went outside the acceptable range, so it never set a fault code. To add to the misery, I can't get the sensor to stick with it off the engine.

For the benefit of anyone researching this topic, there is a third condition that can be detected and set a fault code. That is a break in the signal wire or that terminal inside the sensor. Due to the interconnected circuitry inside the computer, that circuit can now "float" to some random value, and as long as it stays within the 0.5 to 4.5-volt range, it won't set a fault code, and the computer will try to run on that reading. To prevent that, all computers use either a "pull-up" resistor or a "pull-down" resistor connected to the signal wire. Chrysler uses mostly pull-up resistors. Those have one end tied to the 5.0-volt internal supply, and the other end tied to the signal terminal. When everything is working normally, that resistor is of such a high value, it has no affect on anything. It's when the signal wire is broken that the resistor puts 5.0 volts onto the signal terminal to force a defective condition that will get detected. In this case, you'll see 5.0 volts on the scanner, but if you measure at the sensor with a voltmeter, you'll find the correct voltage of around 0.5 volts at idle.

Some manufacturers use "pull-down resistors for the same purpose. Those are tied to ground instead of the 5.0-volt supply, so you'll see 0.0 volts on the scanner, which is also a defective condition.

If you want to check your TPS, the readings are only valid when it is plugged in, so you have to back-probe through the rubber seal around the signal wire. That's the wire in the middle of the three. If you find around 0.5 to even as high as 0.7 volts, the circuitry is good. Next, when you open the throttle slowly by hand, that voltage should increase smoothly without popping up intermittently.
Was this
answer
helpful?
Yes
No
+1
Sunday, November 10th, 2019 AT 7:24 PM
Tiny
RMARCE
  • MEMBER
  • 24 POSTS
I applied 12 directly on injector pins, both injectors made a clicking sound.
I looked at the pins in the injector caps, they looked like they should be squeezed together so I did.
Install the caps and turned the engine over, I was shocked to see the engine start and run.
Thank you for your great troubleshooting.
Was this
answer
helpful?
Yes
No
Tuesday, November 12th, 2019 AT 1:23 PM
Tiny
CARADIODOC
  • MECHANIC
  • 34,454 POSTS
Now we have to wonder why this would happen in the first place, and why it happened to both at the same time. I'll scratch my head for both of us.

Happy to hear you solved it. Hope it stays running.
Was this
answer
helpful?
Yes
No
+1
Tuesday, November 12th, 2019 AT 3:42 PM
Tiny
RMARCE
  • MEMBER
  • 24 POSTS
Engine still starts and runs but runs rough. I don't have engine temperature on the gauge.
Was this
answer
helpful?
Yes
No
Sunday, November 17th, 2019 AT 9:19 AM
Tiny
CARADIODOC
  • MECHANIC
  • 34,454 POSTS
For that year, there's going to be two coolant temperature sensors. The two-wire sensor is for the Engine Computer. There is going to be a single-wire sensor in the same area near the thermostat housing, for the dash gauge. Check if that one is unplugged.
Was this
answer
helpful?
Yes
No
Monday, November 18th, 2019 AT 4:37 PM
Tiny
RMARCE
  • MEMBER
  • 24 POSTS
I'll check it out.
Was this
answer
helpful?
Yes
No
Monday, November 18th, 2019 AT 5:08 PM
Tiny
RMARCE
  • MEMBER
  • 24 POSTS
Bad single wire sensor, replaced with new gage works fine now.
Was this
answer
helpful?
Yes
No
Friday, December 13th, 2019 AT 7:09 AM
Tiny
CARADIODOC
  • MECHANIC
  • 34,454 POSTS
That is extremely rare. Temperature sensors have only one component inside them, so problems are more-often caused by corroded connector terminals and wiring problems. Good to hear it's working.
Was this
answer
helpful?
Yes
No
+1
Friday, December 13th, 2019 AT 4:12 PM

Please login or register to post a reply.

Related Fuel Injector Content

Replace a Fuel Injector
VIDEO