Tuesday, November 19th, 2024 AT 10:20 AM
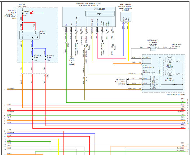
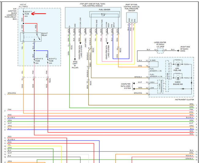
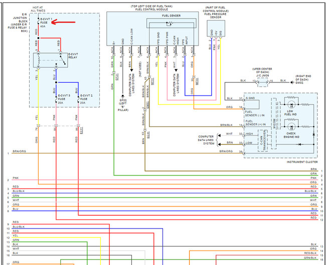
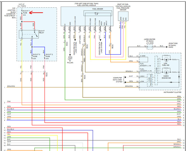
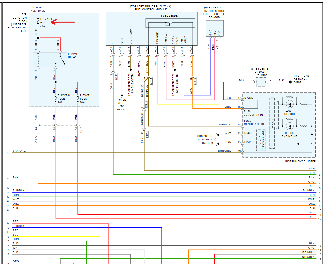
Hi, this car is cranking but not getting start I have changed the fuse box as the car was accidented and someone repair the fuse box very badly I changed it before changing the fuse box car was start but showing a lot of fault codes but know wiring and all the things I have checked and everything is fine but injector are not getting 12v current also no pulse even I just turn on the switch there is no current but when I'm cranking it(trying to start)at that time pulse are coming. Have any idea that what the next thing I have to check or what to do?














