Friday, May 24th, 2019 AT 2:50 PM
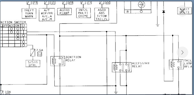
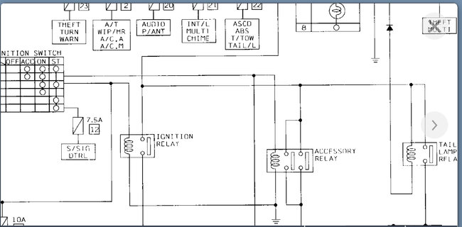
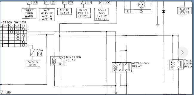
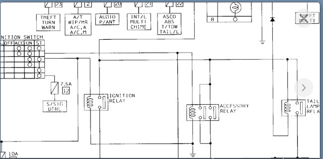
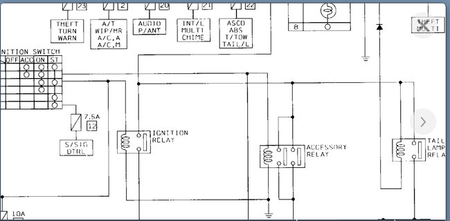
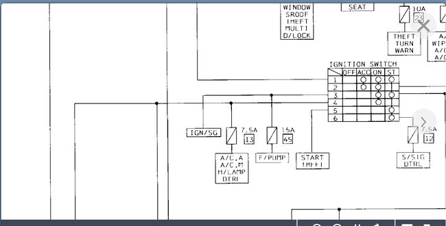
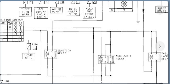
So last night I drove my van to the store and came back home with no problems. This morning I try to start it and it wouldn’t start. I look into the fuse box and the injectors fuse was burnt. I replaced it and it runs. So I shut it down and that was it. Later on I when to start up the minivan again and it wouldn’t start so I check the fuse and sure enough was burnt. I try to replace it again but as soon as I try to replace it it burnt it again. No key in the ignition at all. If some one could help I would appreciate it. Thank you!























