Sunday, December 13th, 2009 AT 1:10 PM
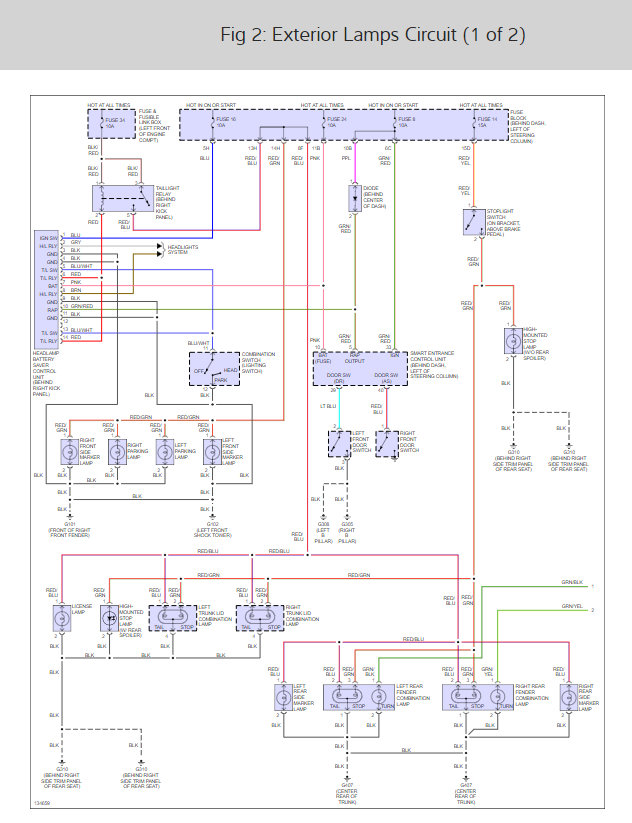
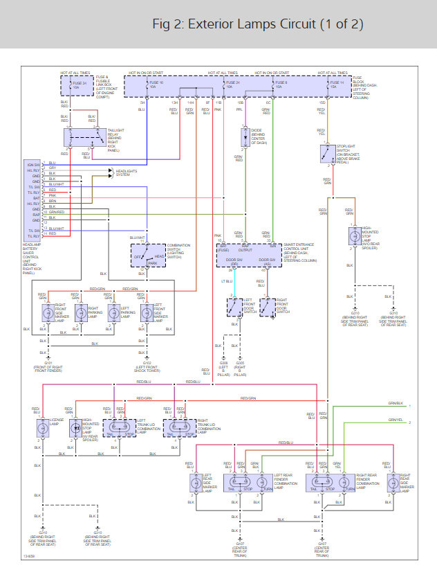
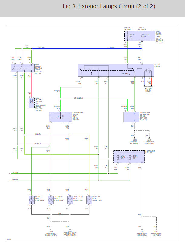
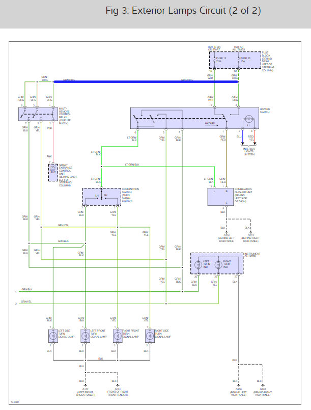
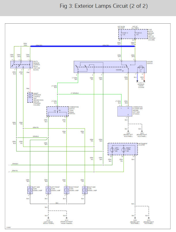
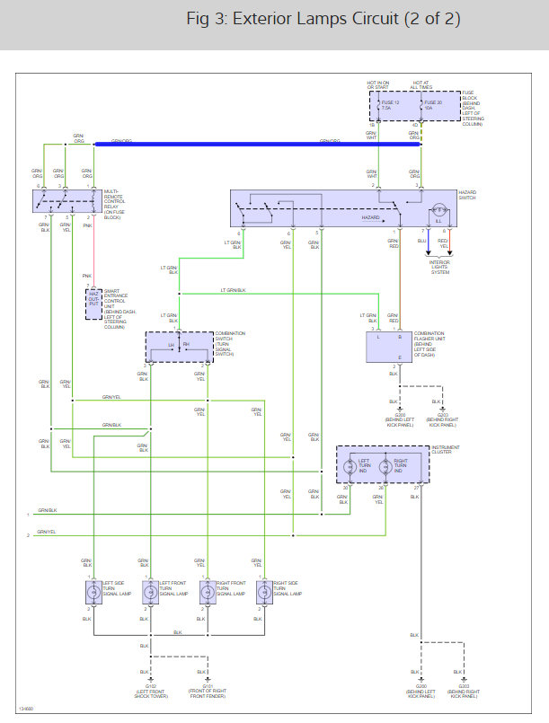
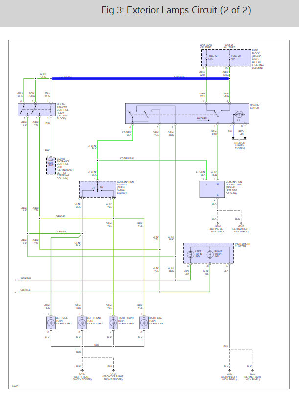
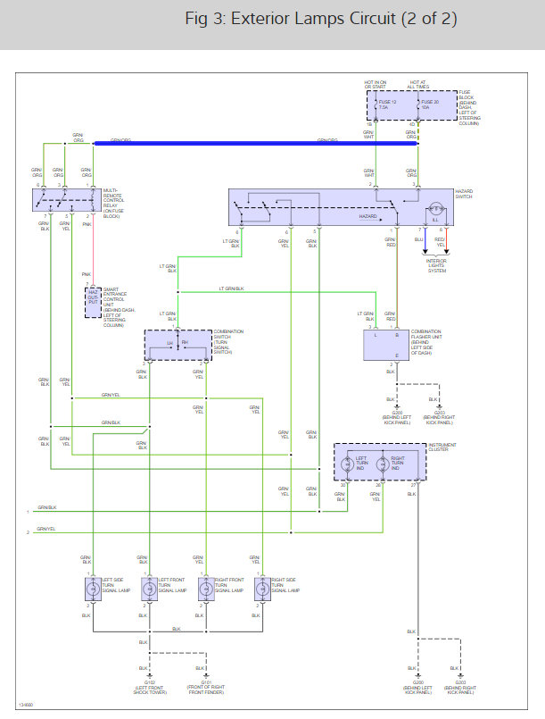
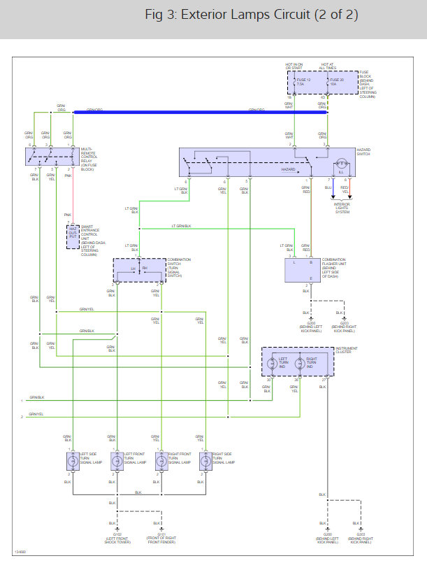
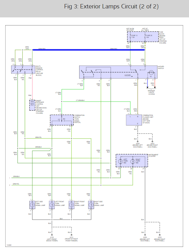
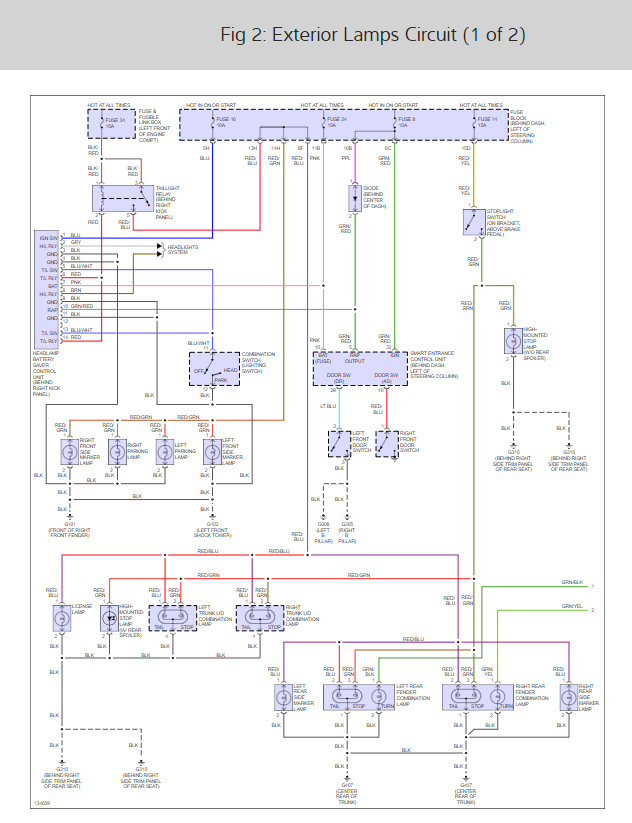
My turn signals have stopped working and so has my hazard switch. It seemed like a gradual failing of something electrical because it stopped for a little, then came back, then it stopped permanently. I know it is not a housing connection problem because they still flash when I lock my car remotely, therefore it is not the bulbs either. I have checked my fuses and they are fine. I was told told to check my relays but I have no idea how to do so, so if that is your suggestion, where can I find them on my car? Your help is greatly appreciated.




