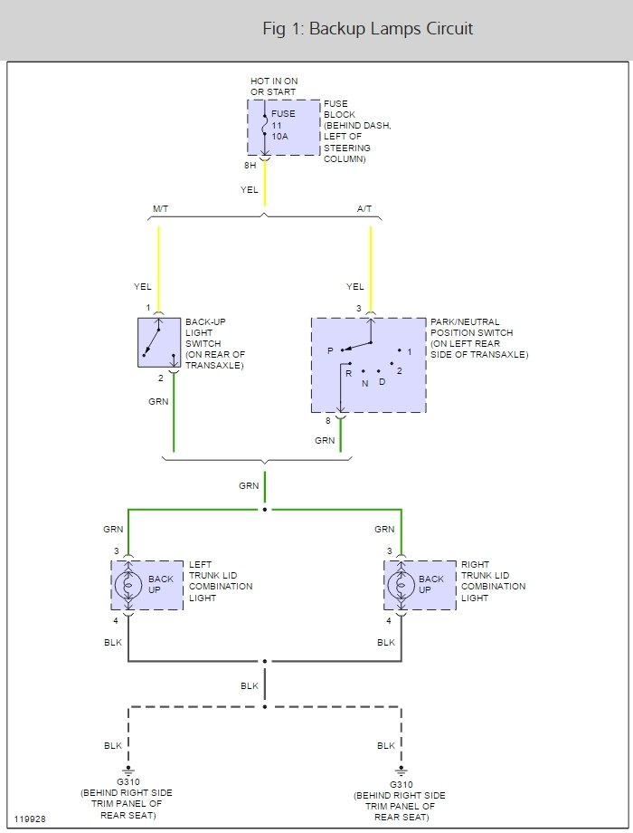
Thursday, September 9th, 2010 AT 3:34 PM
The back-up light, along with the license plate light, are not working. Is there some kind of relay attached to the stick shift? All fuses are good.


