Wednesday, July 5th, 2023 AT 10:24 AM
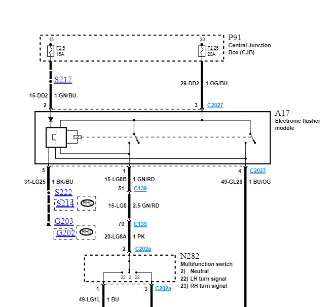
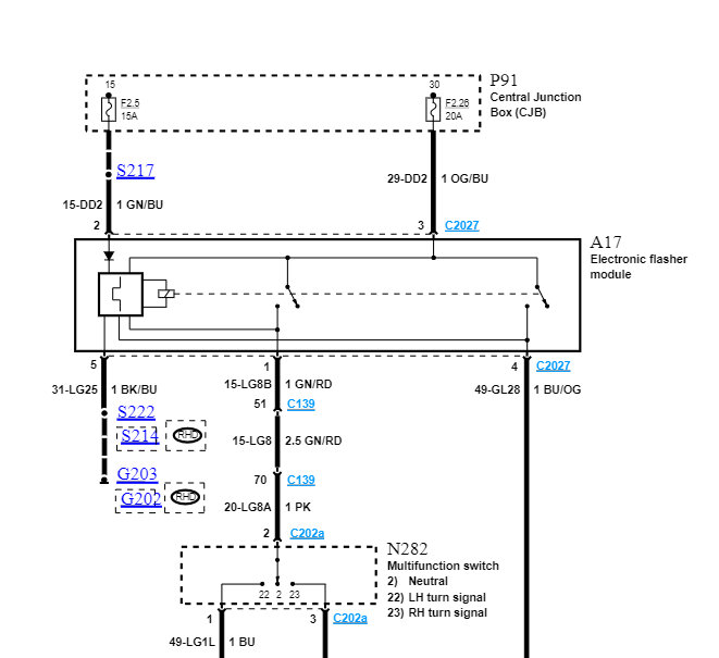
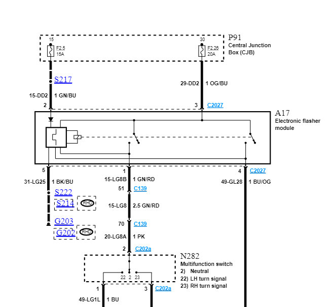
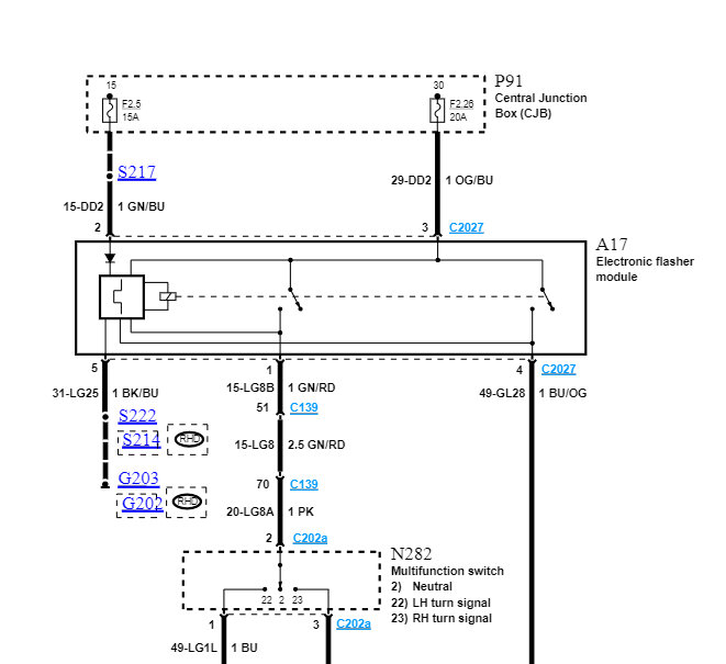
My indicators and hazards lights have stopped working, the bulbs still flash when I lock my van so I know it's not the bulbs and the fuse is still good. So, could this be the indicator relay? If so, where is it located so I can test, please?

