Tuesday, September 18th, 2018 AT 1:12 PM
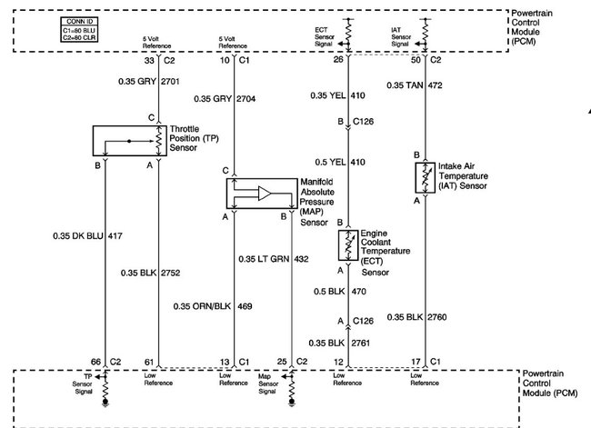
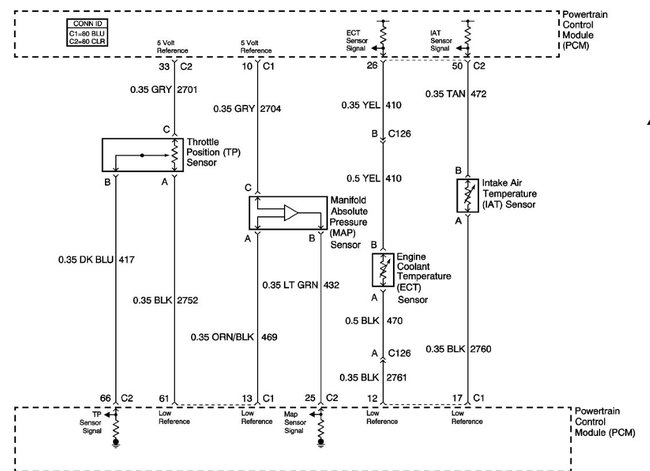
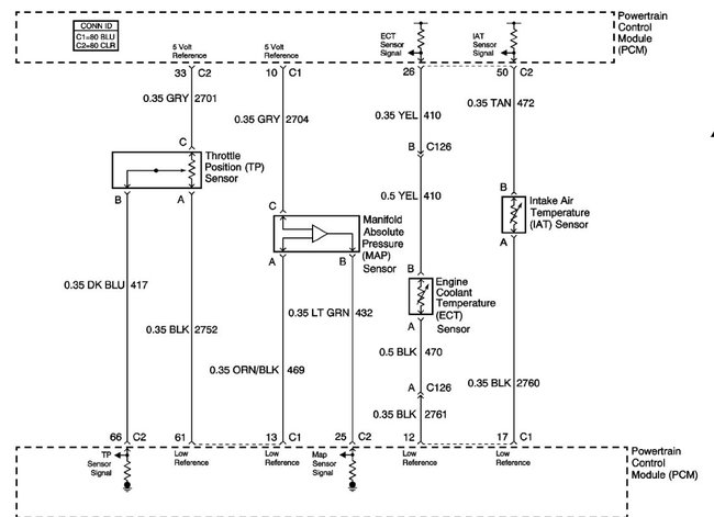
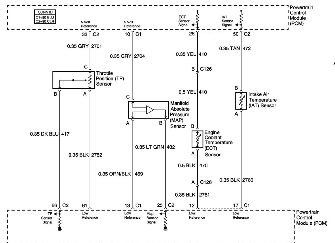
My car has been having some issues lately. My car has been occasionally stalling at stops when I go to take off, and I have to crank the ignition a couple times while pressing the gas pedal to get it to start. I scanned the car using a diagnostic tool and it came back with four codes. The first one was P0481, which states that cooling fan relay 2 control circuit malfunction. The second code is P0118 which states the coolant temperature sensor input is high. The third code is P0420, which states catalyst system low efficiency bank 1. The fourth code is P0171, which states that the car is running lean in bank 1. I have read that a faulty coolant sensor temperature could cause the car to have trouble starting, but was not sure if it could be responsible for it stalling. I have occasional overheating issues, which would correlate with the codes thrown. The car also runs poorly when first idling when I start it sometimes. My temperature gauge inside the car also bounces up and down irregularly, and sometimes does not work at all.



