Not able to communicate with PCM?

Tiny
TONY423
  • MEMBER
  • 2013 FORD ESCAPE
  • 2.0L
  • 4 CYL
  • 2WD
  • AUTOMATIC
  • 122,000 MILES
I'm currently working to figure out if I have a bad PCM or a power/ground issue to the PCM. I need to pinout for main power/ground for the PCM and also all voltage reference pins.
Saturday, June 17th, 2023 AT 5:36 AM

8 Replies

Tiny
AL514
  • MECHANIC
  • 5,584 POSTS
Hello, what scan tool are you using? I'll pull up the pinout for the data link connector to check powers and grounds there unless you already have. Does the Check Engine light come on at key on?
Here's the Data Link connector pinout, there should be power on pin 16 and Ground on 4 and 5. The power feed on this looks like it runs from the Smart Junction Box to the BCM and then to the DLC.
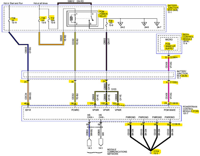
Do you know how many connectors your PCM has? I'm seeing 7 different ones in the wiring diagrams, but there might be multiple PCM setups for this vehicle.
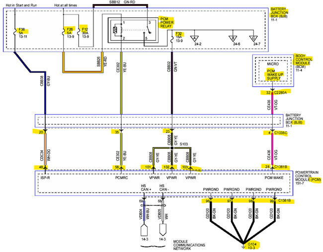
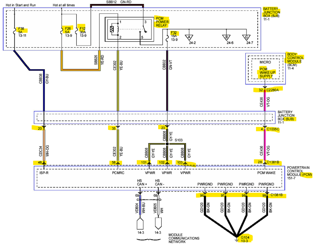
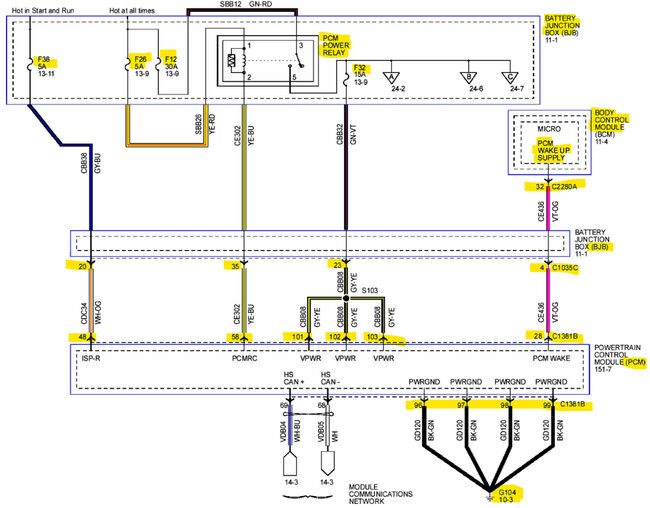
Hopefully, these are correct, these are from the OEM diagrams,
You can see in the 2nd diagram all the PCM connectors that are listed, except I can't seem to find half of them, but PCM connector C1381B had all the powers and grounds as well as the PCM power relay control, and the wake-up signal from the BCM.
Was this
answer
helpful?
Yes
No
+1
Saturday, June 17th, 2023 AT 9:25 AM
Tiny
TONY423
  • MEMBER
  • 12 POSTS
It has 103 pins on the PCM. Okay this is what I've done thus far. I checked the power on the DLC pin 16 and showing battery voltage, also fuse 73 in good.
I checked ground on pin 4/5 on the DLC is showing positive voltage. I disconnected the battery +/- and did a resistance test from pin 4/5 to the chassis ground G104 and it both had.2 ohms.
I checked the voltage on the High Can Network on pin 6/14. Pin 6 had 2 75v and pin 14 had 2.24v

Checked F32 of the PCM relay and no power present. Fuse is good.
Checked ground resistance on pin 96/97/98/99 on PCM connector with lead ran to chassis ground G104 and all had.2ohms
Back probed on pin 101/102/103 on PCM to check voltage/ no voltage
Checked Pin 58 for ground side of relay and no ground present. Key on.
Was this
answer
helpful?
Yes
No
Saturday, June 17th, 2023 AT 1:53 PM
Tiny
TONY423
  • MEMBER
  • 12 POSTS
Also checked fuse F26 keep alive and its showing power. And also the PCM relay is functional.
Was this
answer
helpful?
Yes
No
Saturday, June 17th, 2023 AT 1:56 PM
Tiny
AL514
  • MECHANIC
  • 5,584 POSTS
Okay, how did you check pins 4, 5? With a multimeter or test light? Don't bother with resistance testing, it will not always show a bad circuit. You can have a broken wire with just 1 strand left and it will show zero resistance. You need to load test circuits and do voltage drop testing. You can bus voltages look correct for now, you need to check for the PCM wake up signal from the BCM on pin 28, the Violet/Orange wire, the PCM is not grounding the PCM Power Relay control circuit. Now since the wake-up signal comes from the BCM, runs through the Battery Junction Box and then to the PCM, if it's missing on pin 28 of the PCM, then back track and see if there is an issue with either the Junction Box or possibly the BCM.
These diagrams are all over the place, it looks like the BCM is located in the engine compartment on the passenger side, but other diagrams show some BCM connectors inside the vehicle, and then the Wake Up signal runs to the Battery Junction Box to the PCM, but check the PCM on pin 28 first, if there's no voltage signal, then you'll need to back track on that circuit. And when checking Grounds, just put your meter lead on battery negative to verify the Ground is complete the entire way. Not just to the G104.
For some reason the PCM power relay is not being grounded. On the network diagrams the BCM looks like a gateway, there's 4 different canbus networks that run through it and out to other modules, this vehicle has a crazy network. Do you have a scope? There are 3 pages of modules and network diagrams. It would be helpful to see at least the can network. The Bias voltage should have been at 2.5volts, so there was some kind of activity on it with the voltage readings you were getting on 6 and 14.
There is also a network Splice Block on the driver side of the engine compartment if we need to go tracking down a network issue.
If the PCM wake up is not there, we'll need to dig into the BCM some more and find out why. But don't disconnect the battery anymore. On these newer vehicles disconnecting the battery can cause certain memory functions to be lost. You might need to do some relearn procedures after this is done.
Can you communicate with any other modules besides the PCM?
Was this
answer
helpful?
Yes
No
+1
Saturday, June 17th, 2023 AT 9:18 PM
Tiny
TONY423
  • MEMBER
  • 12 POSTS
Okay, I checked the wake signal on pin 28 and had no voltage. Moved up to the BJB and checked pin 4 and no power. Started wiggling the connector and my test light on pin 4 light up! So, I discovered the BJB connector has a female pin that had popped up out of its position inside the connector.
Was this
answer
helpful?
Yes
No
+1
Sunday, June 18th, 2023 AT 5:20 PM
Tiny
AL514
  • MECHANIC
  • 5,584 POSTS
Yeah, I was thinking it had to be that wake-up signal to the PCM, I'm glad it wasn't a failed BCM. But those pin fitment issues can really be tough to track down. Good idea with the test light being hooked up during the wiggle test. Thats what I have learned to do on shorted circuits that are popping fuses. Just unplug both sides of the circuit, get your test light hooked in there and start wiggling the harness. Great test. And good work. You may want to check the rest of the connectors on that BJB. It's in the engine compartment and the heat in there doesn't help those connectors. But I'm glad you found the issue and it wasn't anything serious. Hopefully you for the PCM to power up okay.
Was this
answer
helpful?
Yes
No
Sunday, June 18th, 2023 AT 6:25 PM
Tiny
TONY423
  • MEMBER
  • 12 POSTS
Thank you so much for your advice and help, much appreciated!
Was this
answer
helpful?
Yes
No
Monday, June 19th, 2023 AT 3:21 AM
Tiny
AL514
  • MECHANIC
  • 5,584 POSTS
Glad to help. You had testing down pretty good. So that made things much easier. Have a nice evening.
Was this
answer
helpful?
Yes
No
Monday, June 19th, 2023 AT 1:02 PM

Please login or register to post a reply.