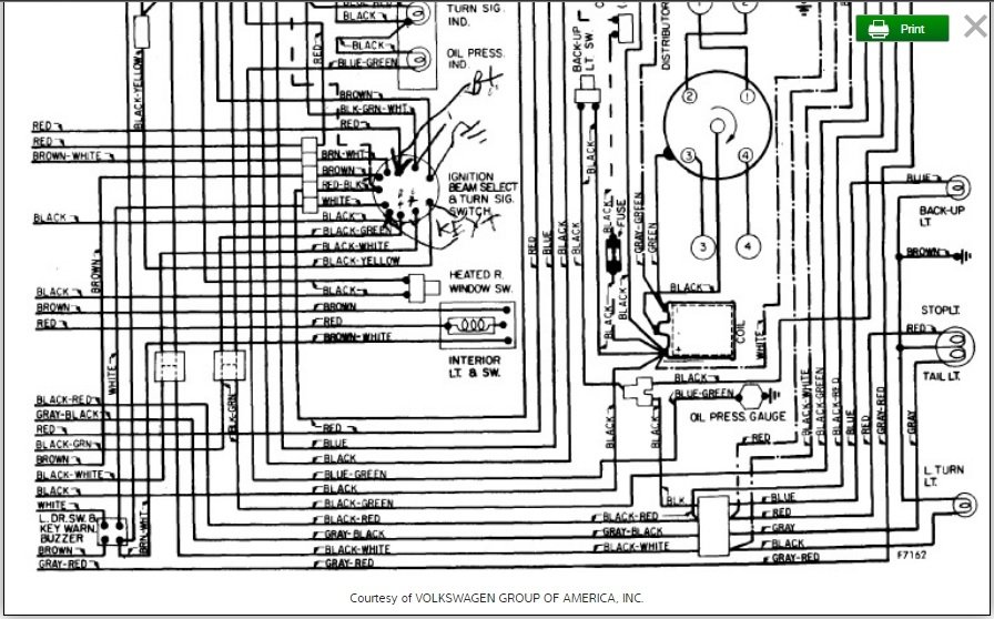
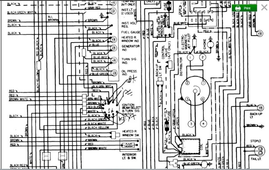
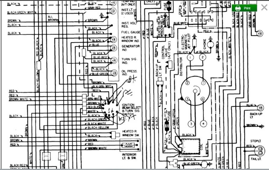
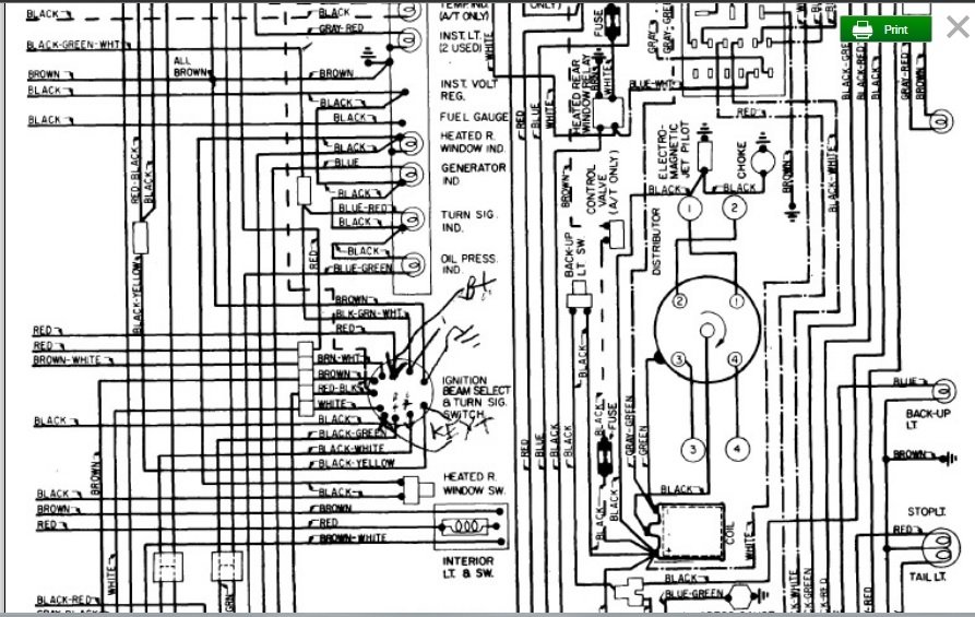
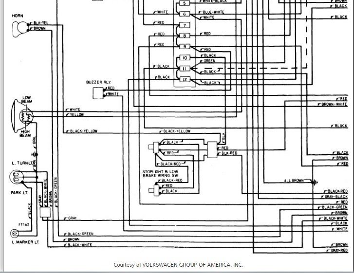
Ignition wiring diagram

Tiny
A604
  • MEMBER
  • 1971 VOLKSWAGEN BEETLE
  • 1.5L
  • 4 CYL
  • 2WD
  • MANUAL
  • 80,000 MILES
I need a wiring diagram.
Monday, November 19th, 2018 AT 6:20 PM

1 Reply

Tiny
CJ MEDEVAC
  • MECHANIC
  • 11,005 POSTS
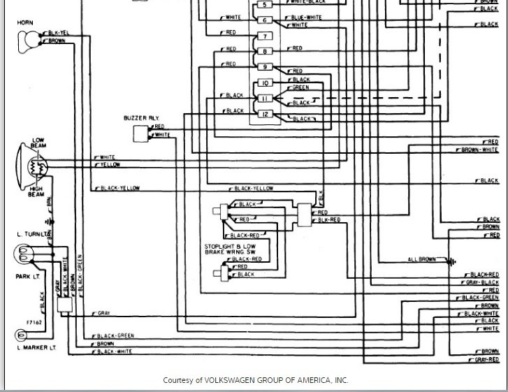
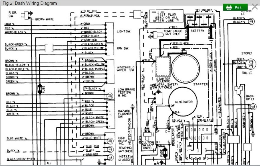
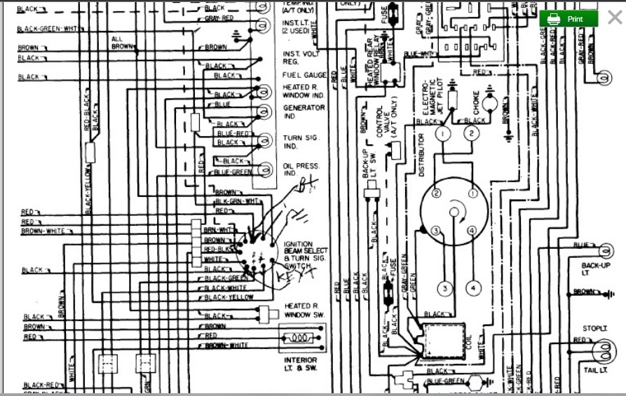
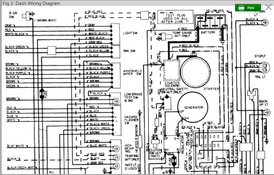
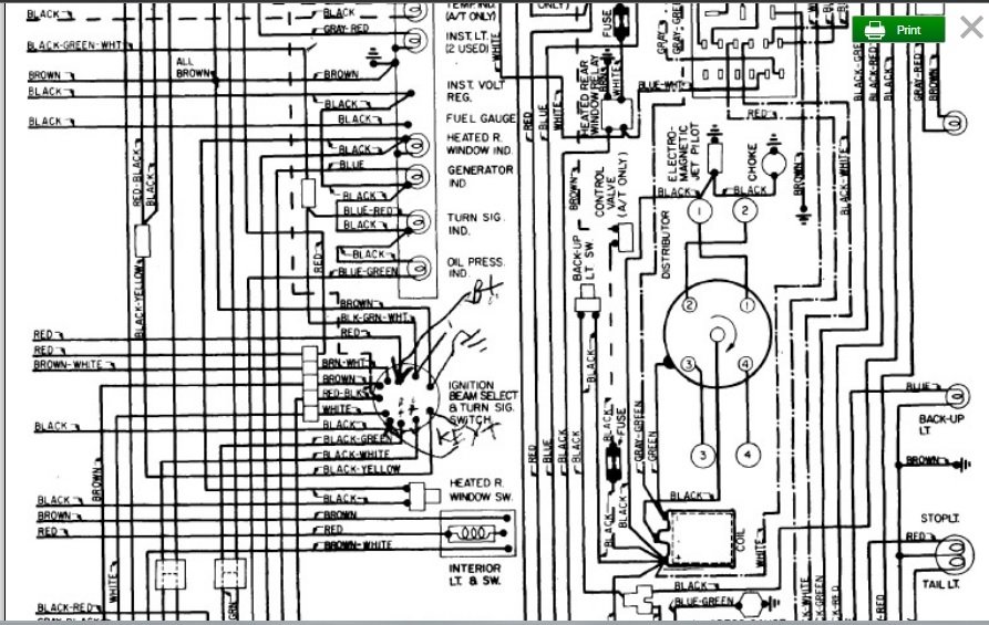
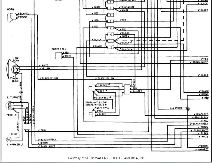
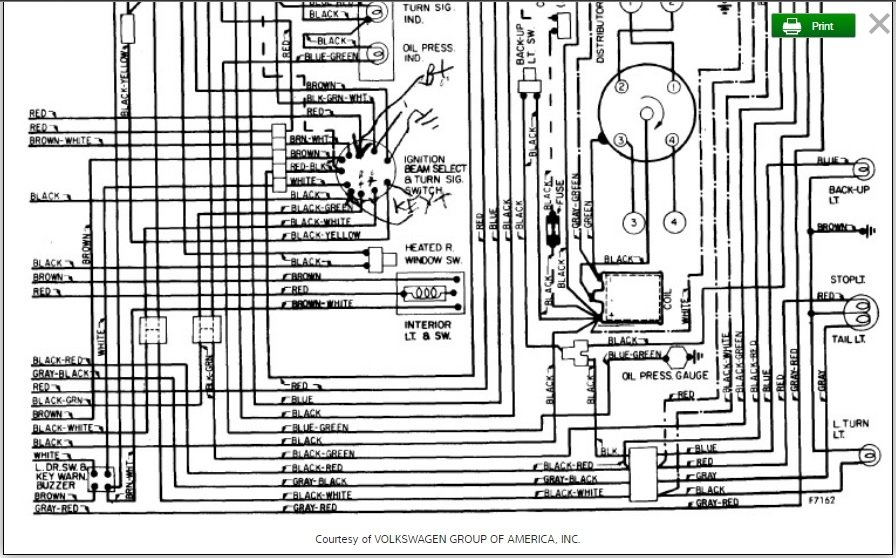
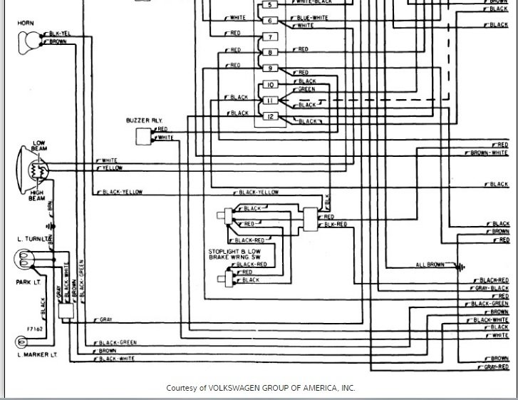
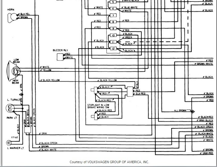
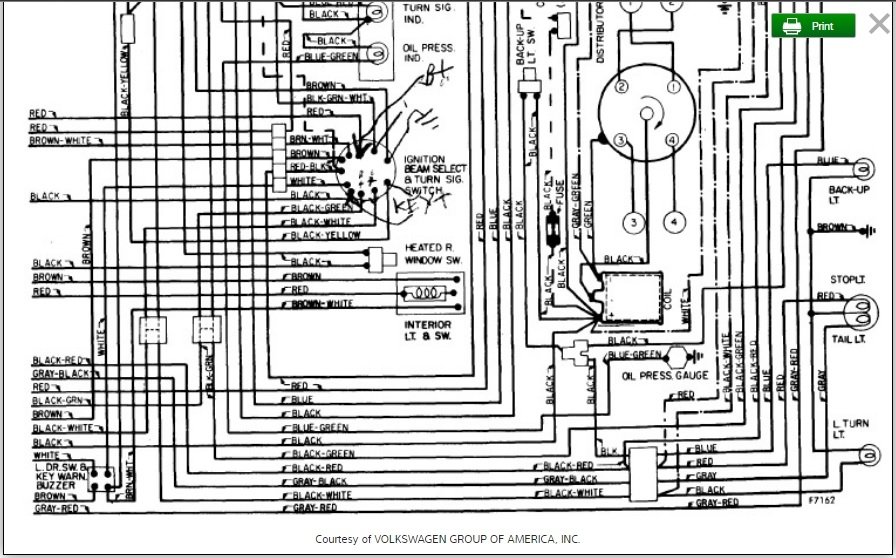
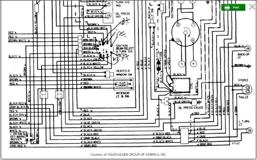
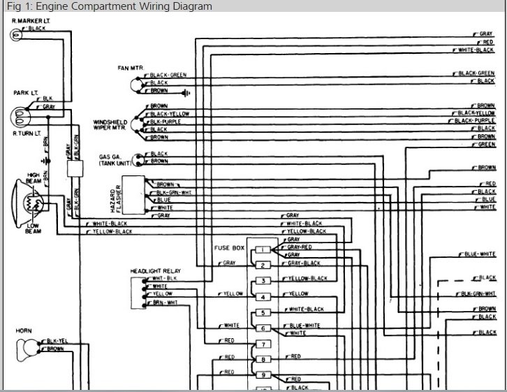
This is the best I could do.

I have to screenshot these diagrams from "Prodemand", I have no other option to obtain them.

In order to attempt to see the text I had to make multiple screenshots of the only two wiring diagrams they provided for that year.

So,

( The first two screen shots are of their diagram 1) my Diagram 1 stacks on top of my diagram 2.

(My next three screenshots) my diagram 3 stacks on top of my diagram 4 and 4 on top of 5.

Confused by now?

I did insure that there was "overlap" with my screenshots, there should be nothing missing!

Let us know if this helps.

The Medic
Was this
answer
helpful?
Yes
No
Monday, November 19th, 2018 AT 9:01 PM

Please login or register to post a reply.

Related General Content