Ignition switch wiring diagram needed?

Tiny
BRANDONW2022
  • MEMBER
  • 2007 DODGE CALIBER
  • 2.0L
  • 4 CYL
  • 2WD
  • AUTOMATIC
  • 117,000 MILES
The key switch sometimes works sometimes like I have to let off and hit the key again at start up. So, I am trying to put in a push to start and I can't find what the four wires are on the ignition switch.

12+ is one I got that one.

and the ground wire I got that one.

one I think is acc.

not sure on the fourth wire oh and as of right now the car will not try to turn over.
Saturday, August 6th, 2022 AT 7:33 PM

17 Replies

Tiny
JACOBANDNICKOLAS
  • MECHANIC
  • 110,192 POSTS
Hi,

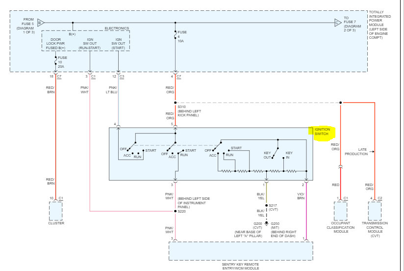
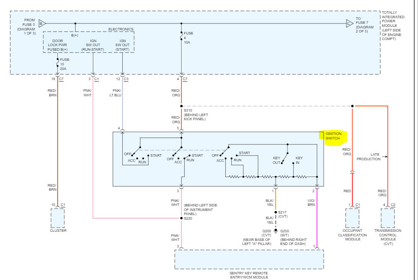
I looked through the schematics and was able to find one pic related to the ignition switch. It is listed under power distribution,

Take a look through it and let me know if it helps.

Take care,

Joe

See pic below.
Was this
answer
helpful?
Yes
No
Saturday, August 6th, 2022 AT 10:07 PM
Tiny
BRANDONW2022
  • MEMBER
  • 11 POSTS
This does help some, my car does not have power locks and the pnk/lt blu wire is not there. The only thing I can think of is that they changed the wire color.
1. Red/org is +12.
2. Pnk/wht is ign sw out? Acc not sure if this is right.
3. It's pnk/lt blu this wire is not there it's a violet wire this is the wire they maybe changed the color on? But if it's right this would be my start wire.
4. Blk/yel is ground.

Does this look right I don't want to break my car or start a fire with it?
Was this
answer
helpful?
Yes
No
Saturday, August 6th, 2022 AT 10:57 PM
Tiny
JACOBANDNICKOLAS
  • MECHANIC
  • 110,192 POSTS
Hi,

I don't want you to start a fire either. LOL What you have to understand is this vehicle, to the best of my knowledge, didn't come with a push start, so we are designing something different.

As far as the violet wire, does it have a brown tracer?

Let me know.

Joe
Was this
answer
helpful?
Yes
No
Sunday, August 7th, 2022 AT 8:39 PM
Tiny
BRANDONW2022
  • MEMBER
  • 11 POSTS
I looked when I got home from work and that violet wire as far as I see does not have a brown tracer.
Was this
answer
helpful?
Yes
No
Tuesday, August 9th, 2022 AT 5:28 PM
Tiny
JACOBANDNICKOLAS
  • MECHANIC
  • 110,192 POSTS
Hi,

That is the only schematic I can find. By any chance, is this vehicle an SRT 4?

Joe
Was this
answer
helpful?
Yes
No
Tuesday, August 9th, 2022 AT 8:33 PM
Tiny
BRANDONW2022
  • MEMBER
  • 11 POSTS
Joe, I wish this was a SRT 4 it's just a base model 2007 dodge caliber no power anything windows/locks/seats and no sun roof as well but I'll just say this car is a little different in it wiring don't really know why there is not cig lighter (i did put a usb/battery voltage reader where there would be a cig lighter wired to radio wiring found out there is no cig wires). The radio always has power no matter what not stock radio the plug wires got cut off before me and I seen when I wired the radio nothing went with the wiring schematic I had for it as well. Me thinking okay this is going to be easy I was wrong.
Was this
answer
helpful?
Yes
No
Wednesday, August 10th, 2022 AT 11:04 AM
Tiny
JACOBANDNICKOLAS
  • MECHANIC
  • 110,192 POSTS
Hi,

Wow, someone was in there first and it sounds like they made a mess of things.

At this point, the best thing to do would simply be to install the same type of switch that was in the vehicle originally. Since things have been changed, it is going to be difficult to do what you wanted to do.

I'll try my best to help from here, but it's going to be difficult. Let me know your thoughts.

Take care,

Joe
Was this
answer
helpful?
Yes
No
Wednesday, August 10th, 2022 AT 11:19 AM
Tiny
BRANDONW2022
  • MEMBER
  • 11 POSTS
Yeah, they have made a miss of things and I don't know what I want to do as of right now can't pull the key cylinder out it's stuck 100% so that's out. Oh, I did take some pics of some of the wiring for the key switch wiring and the Sentry Key Module wiring that violet wire goes from the key switch to the Sentry Key Module. I say violet more like a purple wire to me I'll try to add pics of the wire connectors for both key switch and Sentry Key Module.
Was this
answer
helpful?
Yes
No
Wednesday, August 10th, 2022 AT 1:54 PM
Tiny
BRANDONW2022
  • MEMBER
  • 11 POSTS
Okay, here are the pics I have this way if you guys want to see maybe i'm doing something wrong.
Was this
answer
helpful?
Yes
No
Wednesday, August 10th, 2022 AT 2:01 PM
Tiny
BRANDONW2022
  • MEMBER
  • 11 POSTS
I just had an idea, this car was made in 01-2007 that would mean this car really is 2006. So, could this be why some things are different with the wiring?
Was this
answer
helpful?
Yes
No
Wednesday, August 10th, 2022 AT 4:18 PM
Tiny
JACOBANDNICKOLAS
  • MECHANIC
  • 110,192 POSTS
Hi,

They start the production year around September. In other words, you could have gotten 07 by October 06.

Just for curiosity, I checked 06 and they appear the same.

Joe
Was this
answer
helpful?
Yes
No
Wednesday, August 10th, 2022 AT 10:13 PM
Tiny
BRANDONW2022
  • MEMBER
  • 11 POSTS
I think I just found the problem with my key switch went out to go to work this morning and hit the key lights come on on the dash but didn't turn over so I went to trying to find out what happen it was fine the day before. Looked at fuses all where fine still I replaced some of the fuses thinking maybe a bad one still nope so I started thinking key switch I pulled out the tester to see if I had power there ground was good the key sense wire was good and the pnk/wht wire was good (test key sense wire and pnk/wht wires by touching them together dash lights up so there good) now the fun part red/org wire is +12v well it is reading 0.49v not sure how this is but okay still not getting +12v to it I think the big gray connector has a problem under the dash that these wires go to. 2 things I need to ask

1. How do I get this big gray connector to come free from the dash so I can see if there is anything wrong with it

2. I don't want to ask this but is there any way I can get a wiring diagram for both sides of this big gray connector with the wire colors and what they are please
Was this
answer
helpful?
Yes
No
Friday, August 12th, 2022 AT 6:17 AM
Tiny
KEN L
  • MASTER CERTIFIED MECHANIC
  • 55,302 POSTS
Sure, we can help you out. To me it sounds like TIPM, which is common. Here are the wiring diagrams you need. Just in case I have added how to change the TIPM out which is easy because it-self learns. Check out the diagrams (below). Please let us know what happens.
Was this
answer
helpful?
Yes
No
+1
Friday, August 12th, 2022 AT 11:32 AM
Tiny
BRANDONW2022
  • MEMBER
  • 11 POSTS
I found a way to fix this without replacing the TIPM. The fix cost was $9.00 but thank you for the info on the TIPM box. I'm not replacing it.
Was this
answer
helpful?
Yes
No
Monday, August 15th, 2022 AT 2:50 PM
Tiny
JACOBANDNICKOLAS
  • MECHANIC
  • 110,192 POSTS
Hi,

Thank you for the update. I'm glad to hear you got it figured out. By chance, could you explain what you did to get things working? I'm interested in knowing.

Take care,

Joe
Was this
answer
helpful?
Yes
No
+1
Monday, August 15th, 2022 AT 7:46 PM
Tiny
BRANDONW2022
  • MEMBER
  • 11 POSTS
When I tested the key switch and seen it had 0.49v on the red wire for the key switch where I have seen +12v before I known right then there was something that went bad overnight. So, I put +12v to it from the radio being it never turns off and that red wire always had +12v no matter what as well. I put it on a switch with my car radio so it works just like a shut off switch as well (if the radio is not on your not starting this car).
Was this
answer
helpful?
Yes
No
Tuesday, August 16th, 2022 AT 7:50 PM
Tiny
JACOBANDNICKOLAS
  • MECHANIC
  • 110,192 POSTS
Hi,

Wow. Thanks for the update. It's appreciated.

Take care of yourself and feel free to come back anytime in the future.

Joe
Was this
answer
helpful?
Yes
No
Tuesday, August 16th, 2022 AT 9:09 PM

Please login or register to post a reply.