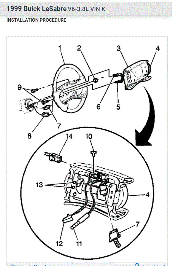
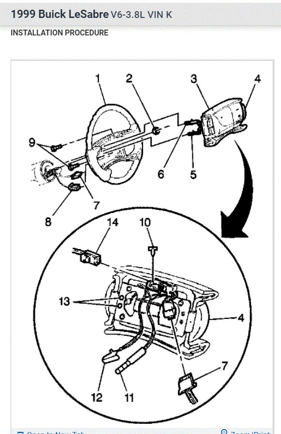
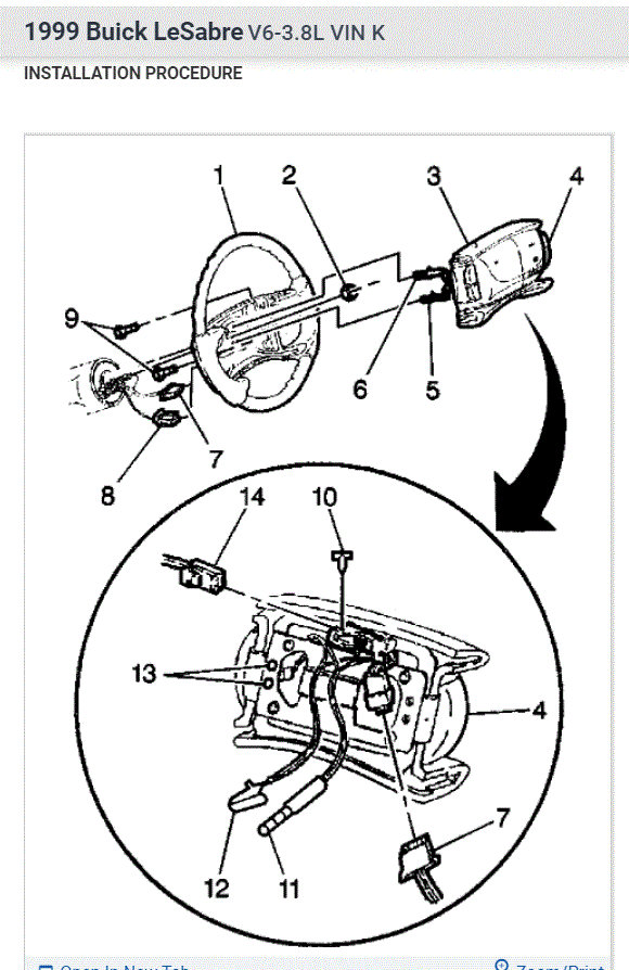
Hello, I'm just looking for diagrams to put the new ignition switch back in. My boyfriend has it close. But there's been a span of time since he took it out. So just need a diagram of parts of where they go when putting the steering wheel back on.
Thanks,
Brandy Clements
Thanks,
Brandy Clements
Apr 19, 2022 at 3:03 PM



