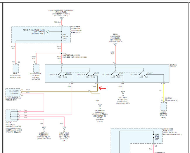
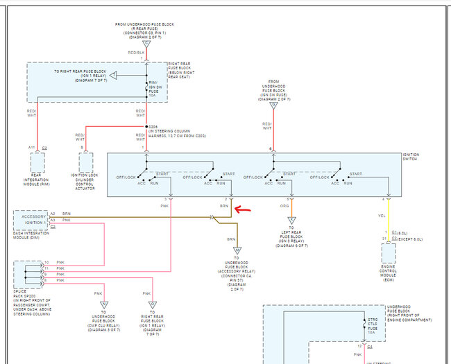
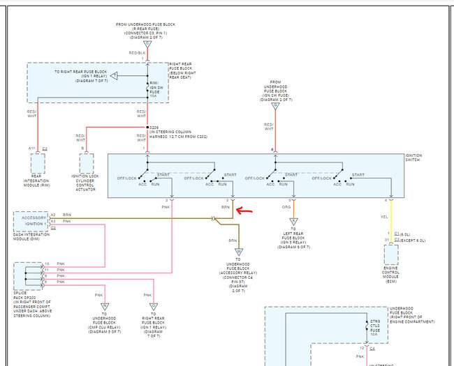
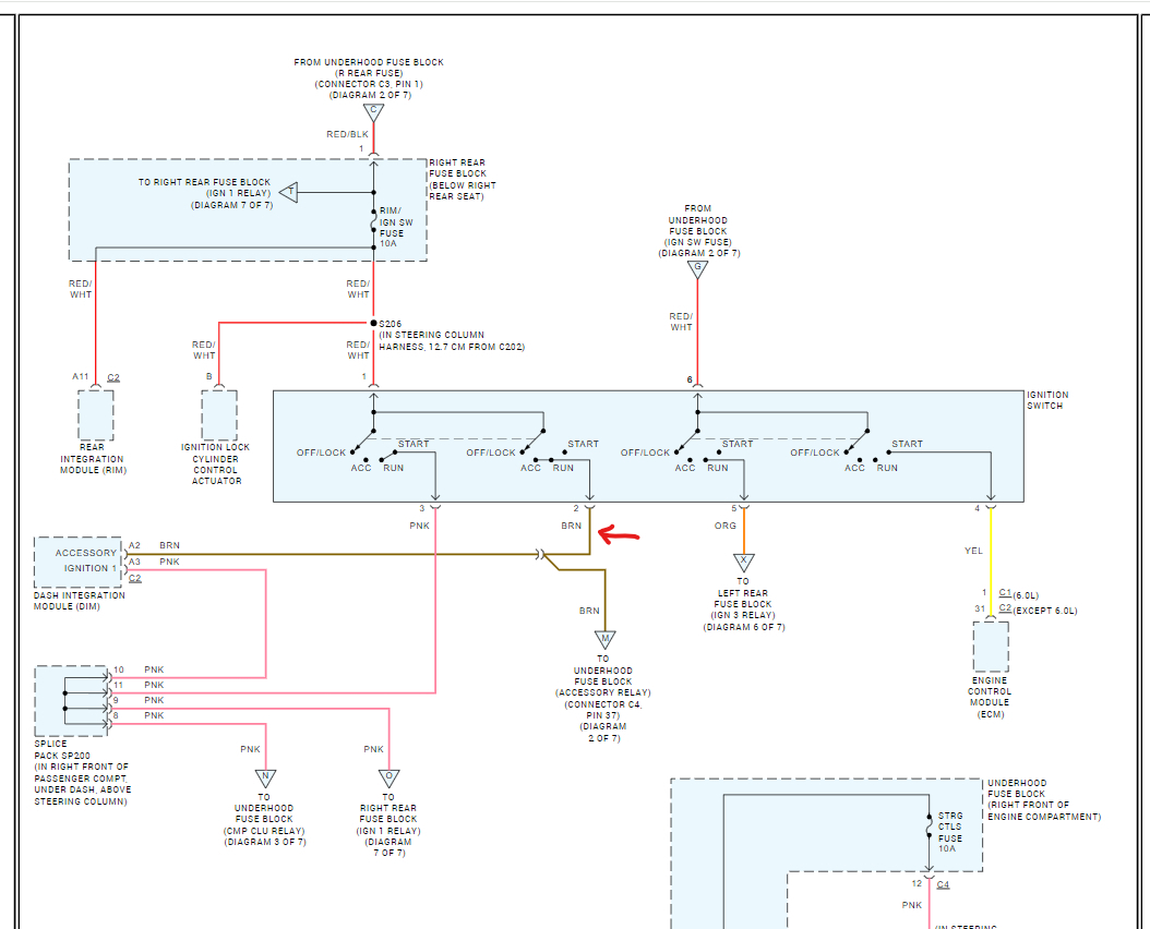
I'm working on a 2006 Cadillac CTS, but it has a 2006 Cadillac CTS-V wiring harness for the steering column. The ignition switch has two resistor wires: one green and one tan. The green wire is connected to the harness, but the tan wire is loose, and I can't figure out where it should go.
I've seen images showing both the green and tan wires linked into the connector for the switch, but when I look at my connector, all the wire spots are already taken. This is confusing because the car is using the CTS-V harness and connectors, so the wire colors are different from the CTS.
As a result, the security theft system activates after the car runs for 2-3 minutes, and the temperature and gas gauges don't work. Can anyone help me figure out where the tan wire should be connected?
---
Thank you
Monday, September 9th, 2024 AT 8:12 AM




