Friday, January 22nd, 2016 AT 11:12 AM
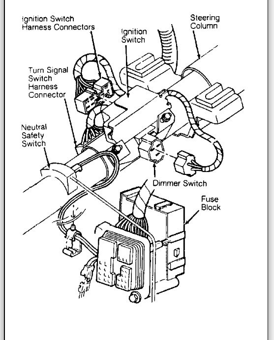
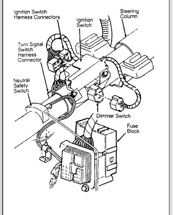
My van would not turn off I got it off and the part where the key goes in popped out some now I can not get it to turn over I was told to replace my ignition switch how would I acsess the ignition switch with tilt steering with a solid tube stearing Colum


