I have a push start for my Honda what wires to connect to the push start?

Tiny
JGH420
  • MEMBER
  • 1991 HONDA ACCORD
  • 2.2L
  • MANUAL
  • 300 MILES
So I have a push start for my Honda Accord I just don't know what wires to connect to the push start. I don't want to have to replace the whole key ignition I just want to bypass it for the time being until I have time to replace it.
Monday, June 20th, 2022 AT 9:24 PM

7 Replies

Tiny
KASEKENNY
  • MECHANIC
  • 18,907 POSTS
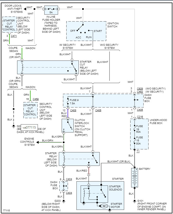
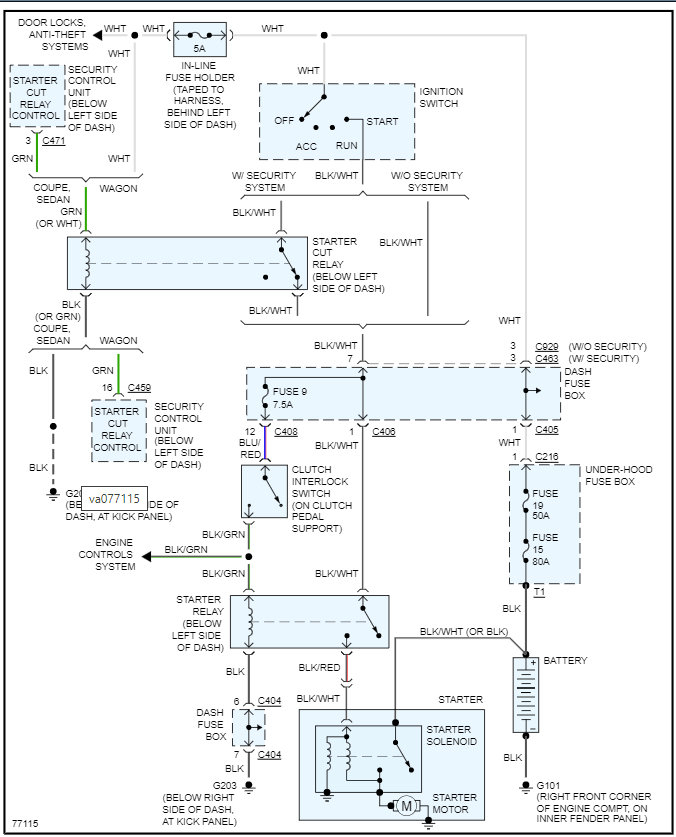
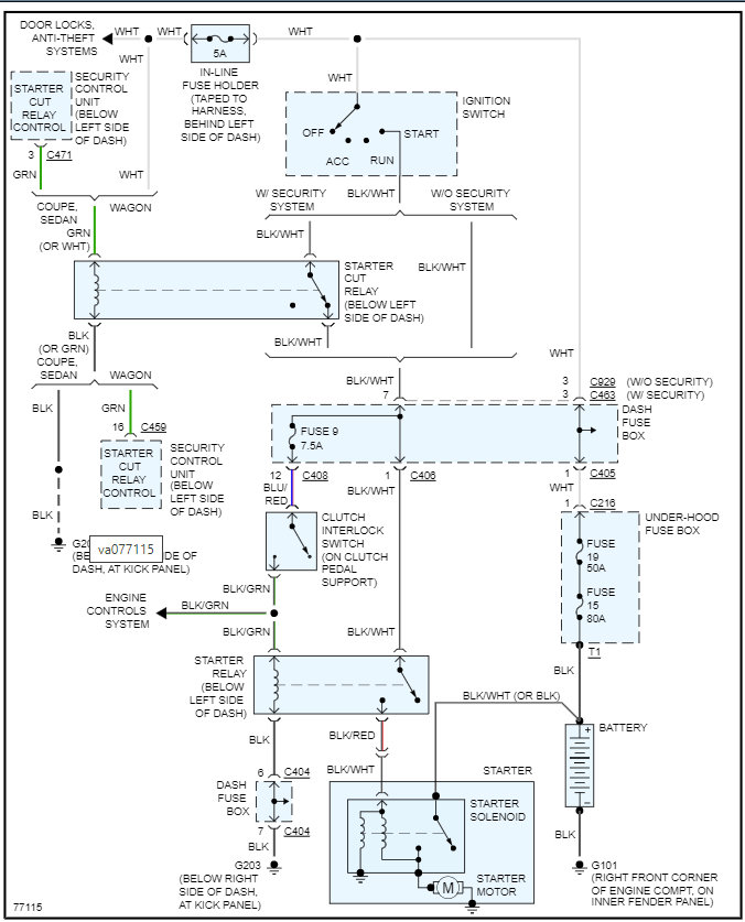
If you are going to want to put a push button in, then you are going to have to have the wiring diagram for the push button.

If you have that then you just need to match each of these wires with the ones on your ignition switch.

I am attaching the wiring diagram below but if you have the security system then I am not sure your push button will work unless you are able to disable it so that it doesn't cause an issue.

The attached video is how to splice in new wires. Clearly this is a headlight connector, but that process is the same.

https://www.youtube.com/watch?v=PxA5wczsCVo

Please see the wiring diagrams below and if you have a diagram of your push button then attach a picture of that and I will see if I can help with matching them up.
Was this
answer
helpful?
Yes
No
+2
Wednesday, June 22nd, 2022 AT 7:31 AM
Tiny
JGH420
  • MEMBER
  • 6 POSTS
So, when I say push start, I mean a shut off switch and a push 12v button. I can upload a picture for the shut off switch it's a 4 pin shut off switch and I honestly just need help with the wiring to the shut off switch.
Was this
answer
helpful?
Yes
No
Thursday, June 23rd, 2022 AT 2:40 PM
Tiny
KASEKENNY
  • MECHANIC
  • 18,907 POSTS
Okay. That helps but give me a little more info as to what you are looking to do with this.

Normally when people put this switch in, they do it so that the vehicle cannot be stolen. Basically, it is put in a secret location and if turned off, the engine will not start just as an added security feature.

If this is what you are doing with it, then that will give us a number of options.

I will need to know where you would like to put it because I would suggest we do not put it in line with the ignition switch as that can mess with other security features.

It is normally best to put it in line with the fuel pump so that basically the engine will not get any fuel and in turn does not start.

Some people use the starter itself so let me know what you are looking for and we can go from there.

Thanks
Was this
answer
helpful?
Yes
No
Thursday, June 23rd, 2022 AT 6:30 PM
Tiny
JGH420
  • MEMBER
  • 6 POSTS
So, when I bought this car there were all sorts of things wrong with it. One of the main problems being the key ignition switch wiring was cut and soldiered so I got the 4ping shut off switch as well as a 12v 2 ping push start button in hopes I can fix the whole problem of the car shutting off while I'm driving. Due to the key ignition switch wires being cut and soldiered together. The picture below is my key ignition switch to the car.
Was this
answer
helpful?
Yes
No
Saturday, June 25th, 2022 AT 12:23 PM
Tiny
KASEKENNY
  • MECHANIC
  • 18,907 POSTS
Okay. You can definitely go that route but if it were me, I would strip the wires and solder them back in correctly.

There is nothing wrong with soldering wires back together if done correctly.

Here is a video that will show how to do this. Clearly this is a head light socket, but the process is the same for any wire.

https://www.youtube.com/watch?v=PxA5wczsCVo

Was this
answer
helpful?
Yes
No
Saturday, June 25th, 2022 AT 1:38 PM
Tiny
JGH420
  • MEMBER
  • 6 POSTS
That I understand but that means I'd have to get the supplies needed to do so. I was just trying to put the put start in until I have enough time and money to replace the whole key ignition all together.
Was this
answer
helpful?
Yes
No
Tuesday, July 5th, 2022 AT 9:49 AM
Tiny
KEN L
  • MASTER CERTIFIED MECHANIC
  • 55,074 POSTS
Please let us know what happens.
Was this
answer
helpful?
Yes
No
-1
Thursday, July 7th, 2022 AT 12:39 PM

Please login or register to post a reply.