Ignition starter

Tiny
SCOSY
  • MEMBER
  • 2000 DODGE DAKOTA
  • 4.7L
  • V8
  • 2WD
  • AUTOMATIC
  • 200,000 MILES
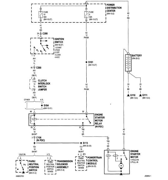
My trucks starter staying engaged in park and neutral. It cranks over in accessories position. It only disengages in reverse and drive. I have replaced starter and ignition switch.
Sunday, July 22nd, 2018 AT 6:20 PM

1 Reply

Tiny
ASEMASTER6371
  • MECHANIC
  • 52,796 POSTS
Good morning.

You have a wiring issue between the ignition switch and the starter motor.

If you remove the starter relay, does the engine stop cranking?

Roy

REMOVAL
1. Disconnect and isolate the battery negative cable.

Power Distribution Center
imageZoom/Print

2. Remove the cover from the Power Distribution Center (PDC).
3. See the fuse and relay layout label affixed to the underside of the PDC cover for starter relay identification and location.
4. Remove the starter relay from the PDC.

INSTALLATION
1. See the fuse and relay layout label affixed to the underside of the PDC cover for the proper starter relay location.
2. Position the starter relay in the proper receptacle in the PDC.
3. Align the starter relay terminals with the terminal cavities in the PDC receptacle.
4. Push down firmly on the starter relay until the terminals are fully seated in the terminal cavities in the PDC receptacle.
5. Install the cover onto the PDC.
6. Reconnect the battery negative cable.
Was this
answer
helpful?
Yes
No
Monday, July 23rd, 2018 AT 2:35 AM

Please login or register to post a reply.