After driving approximately twenty miles the engine shuts off

Tiny
ROXIEB70
  • MEMBER
  • 1994 GMC SIERRA
  • 2WD
  • AUTOMATIC
  • 19,000 MILES
My truck runs fine until about 20 miles out. Then suddenly car stalls, I'm able to put the truck in neutral and turn the key back a bit and start it again. If I have been driving and doing this for awhile I have to stop and let the truck cool off. Then it's ready to run again.
All symptoms point to a ignition relay, however I can't seem to locate where the relay is, or even if the truck has one.

The truck had no computer to see codes.

Anyone have an idea where the relay if there is one is located?
Sunday, September 1st, 2019 AT 5:05 PM

3 Replies

Tiny
ASEMASTER6371
  • MECHANIC
  • 52,796 POSTS
Good evening,

There is no ignition relay on this truck.

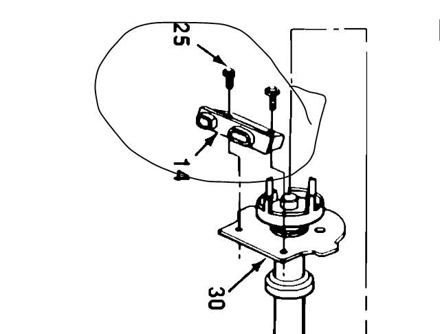
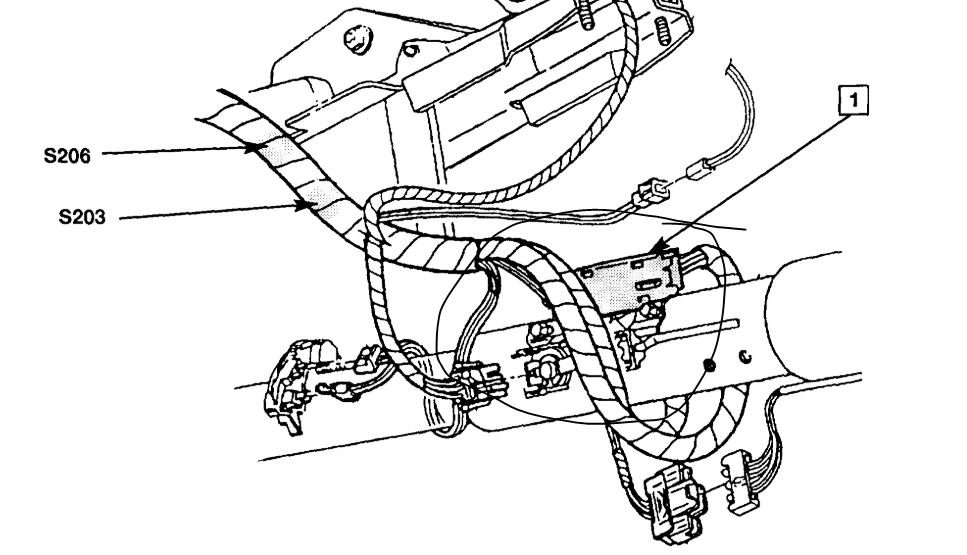
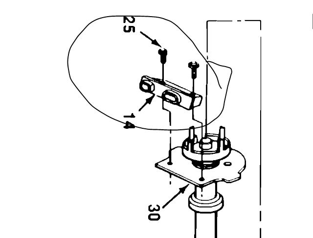
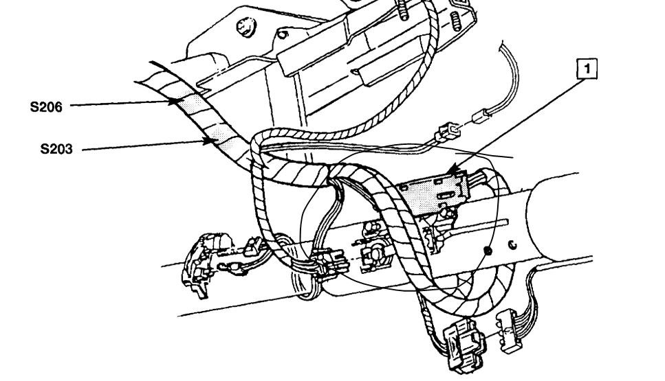
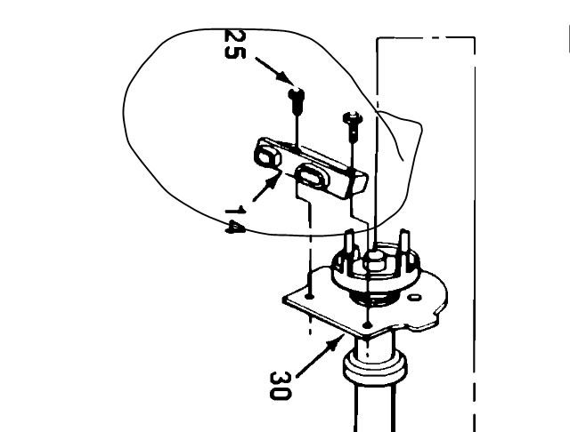
This sounds like either the ignition module in the distributor or the ignition switch itself cutting off the motor.

If it was fuel relayed, it would not restart that quickly.

Roy
Was this
answer
helpful?
Yes
No
+1
Sunday, September 1st, 2019 AT 5:30 PM
Tiny
ROXIEB70
  • MEMBER
  • 2 POSTS
Thank you so much.
Was this
answer
helpful?
Yes
No
Sunday, September 1st, 2019 AT 5:32 PM
Tiny
ASEMASTER6371
  • MECHANIC
  • 52,796 POSTS
You are welcome.

Always glad to help.

Roy
Was this
answer
helpful?
Yes
No
+1
Sunday, September 1st, 2019 AT 5:35 PM

Please login or register to post a reply.