Sunday, July 14th, 2024 AT 10:20 AM
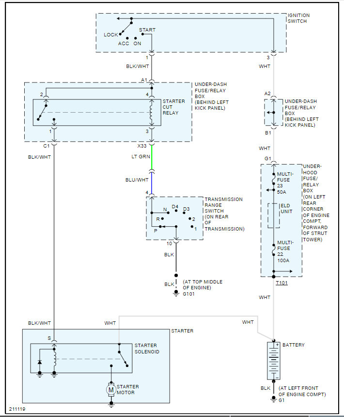
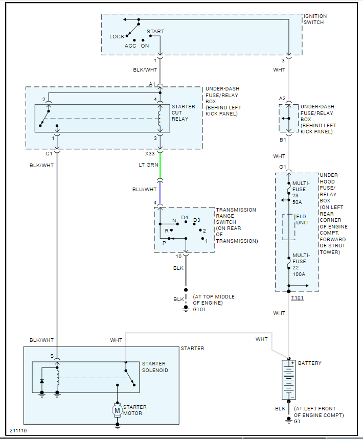
Someone attempted to steal my car listed above and damaged the ignition switch by sticking a screwdriver in it. When I recovered the car, when I turned the ignition switch it would not engage and his car would not start. I will keep doing it for a while and then it would catch and then it would start. So, I replaced the column. I replaced the ignition switch and cylinder and the battery, and I am still having the same problem. Can anyone tell me why I'm having a delay in my ignition engaging when I turn the key?





