Ignition locked up

Tiny
SECY99
  • MEMBER
  • 1994 GMC SUBURBAN
  • 2WD
  • AUTOMATIC
  • 199,000 MILES
About a month ago, the ignition on my truck started to get stuck right before that last click for it to kick over. It tried to lock up on me only once while it was still on. Well that lasted for maybe two days, but haven't had any issues since. Until last week I tried start it and but this time it just completely locked up on me. There was no turning it to the off position, or wiggling it. I was able top still remove the key from the ignition with no problem, so I finally just disconnected the battery.
Tuesday, December 25th, 2018 AT 10:37 AM

1 Reply

Tiny
ASEMASTER6371
  • MECHANIC
  • 52,796 POSTS
Good morning,

I attached the procedure for replacing the lock cylinder. It sounds like the cylinder needs to be replaced.

Roy

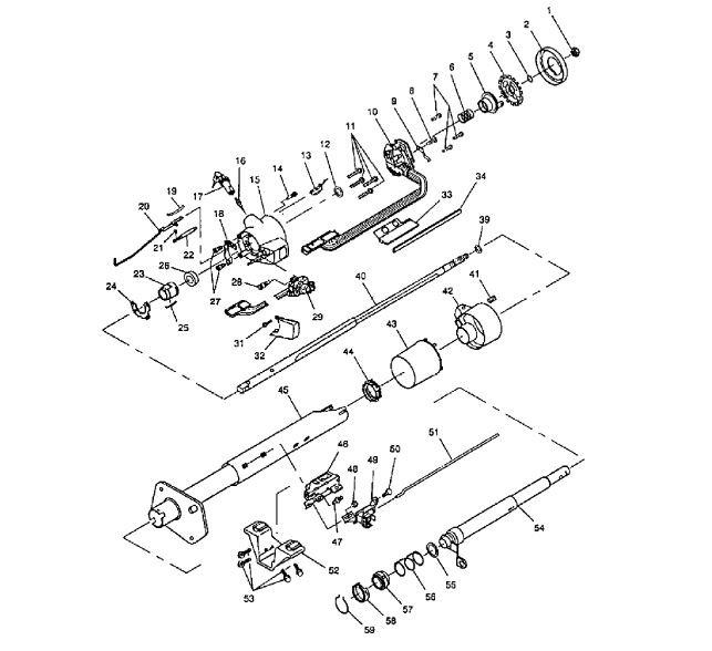
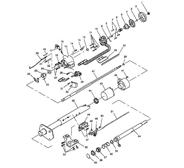
REMOVE OR DISCONNECT
1. Negative (-) battery cable.
2. Shaft lock cover (2).
3. Shaft lock retaining ring (3) using J 23653-C to push down steering shaft lock (4). Dispose of ring (3).

Removing Shaft Lock Retaining Ring
imageOpen In New TabZoom/Print

4. Shaft lock (4) from steering shaft assembly (40).
5. Turn signal cancelling cam assembly (5).
6. Upper bearing spring (6).
7. Thrust washer (12).
8. Turn signal to "RIGHT TURN" position (up).
9. Multi-function lever and hazard knob assembly.
10. Washer head screw (8) and switch actuator arm (9).
11. Three cross recess screws (7).

Turn Signal Switch Removal Preparation
imageOpen In New TabZoom/Print

Removing Turn Signal Switch
imageOpen In New TabZoom/Print

12. Turn signal switch assembly (10).
Let switch hang freely.
To remove switch (10):
A. Hex head bolts (53).
B. Steering column support bracket assembly (52).
C. Turn signal switch connector from vehicle wire harness.
D. Wiring protectors (33) and (34).
E. Gently pull wire harness through column.
13. Key from steering column lock cylinder set (17).
14. Buzzer switch assembly (13).
15. Insert key in lock cylinder (17).
Key in "lock" position.
16. Lock retaining screw (14).

Removing Components From Upper Shaft
imageOpen In New TabZoom/Print

17. Steering column lock cylinder set (17).

INSTALL OR CONNECT

NOTICE: Ensure all fasteners are securely seated before applying needed torque. Failure to do may result in component damage or malfunctioning of steering column.

1. Steering column lock cylinder set (17).
2. Lock retaining screw (14).

TIGHTEN
Tighten screw (14) to 4.5 Nm (40 lb. In.).
Was this
answer
helpful?
Yes
No
Tuesday, December 25th, 2018 AT 11:05 AM

Please login or register to post a reply.