Ignition key problem?

Tiny
GARYCULLAR
  • MEMBER
  • 2000 JEEP GRAND CHEROKEE
  • 4.7L
  • V8
  • 4WD
  • AUTOMATIC
  • 135,000 MILES
Car starts and runs and everything works fine. The ignition key will not turn back to the lock position. It will only go back to the off position. You can remove the key from the off position. Feels funny though. Transmission selector can be moved to any position with the key in or out, running or not. Do not need to step on the brake pedal to move shifter.
Saturday, July 14th, 2018 AT 4:28 PM

30 Replies

Tiny
GARYCULLAR
  • MEMBER
  • 2 POSTS
After lots of trouble shooting, I discovered the poly-rubber-doohickey that covers the shift button was lodged up inside the shifter. This prevented the button from returning to its normally out position. Once this was properly installed all systems started working normally.
Was this
answer
helpful?
Yes
No
Sunday, July 15th, 2018 AT 9:09 AM
Tiny
RENEE L
  • ADMIN
  • 1,260 POSTS
Hello GARYCULLAR,

Great job! So happy to read that you were able to fix your issue with the ignition key not turning back. Thank you for posting the solution it may help someone else experiencing the same problem.
Thank you for using 2CarPros. Please return to the site for any automotive repair questions.

Kindest regards,

Renee
Was this
answer
helpful?
Yes
No
Sunday, July 15th, 2018 AT 4:20 PM
Tiny
JONBOY0113
  • MEMBER
  • 1 POST
  • 1999 JEEP GRAND CHEROKEE
  • 4.0L
  • 6 CYL
  • 4WD
  • AUTOMATIC
  • 177,000 MILES
Sometimes when I try to start it. The key does not want to turn and I have to keep trying until it works.
Was this
answer
helpful?
Yes
No
Wednesday, September 2nd, 2020 AT 12:15 PM (Merged)
Tiny
JACOBANDNICKOLAS
  • MECHANIC
  • 110,192 POSTS
Welcome to 2carPros.

Often times, the key itself will wear out and it becomes more difficult to actually release the tumbler. See if a different key makes a difference. Also, try spraying a small amount of key cylinder lubricant in it to see if that helps.

If none of this helps, you will most likely need to replace the key and tumbler. Here are the directions for that. The attached pictures correlate with the directions. Also, please note that these directions are for both the switch (electronic) and ignition switch lock cylinder. When you read through the directions, it indicates the steps you need to take for just the lock.

______________________________

PROCEDURES
The ignition key must be in key lock cylinder for cylinder removal.

REMOVAL
If removing key lock cylinder only, refer to first 6 steps. If removing ignition switch only, refer to steps 1 and 2 and proceed to steps 7 through 13.
1. Disconnect negative cable from battery.
2. Place transmission shifter in PARK position.
3. Place tilt steering wheel in full up position.

Retaining Pin
pic 1

4. A retaining pin is located at bottom of key lock cylinder housing.
5. Rotate key to RUN position.
6. Press in on retaining pin while pulling key cylinder from housing. After removal, note position of alignment tang at end of cylinder. When installing lock cylinder, key must be rotated back to RUN position.
7. Remove steering column lower opening cover.

Shroud Removal/Installation
pic 2

8. Remove upper and lower covers (shrouds) from steering column:

Fixed Column Shroud Removal/Installation
pic 3

9. Remove upper fixed column shroud (2 screws).

Smart Key Immobilizer Module And Mounting Screw
pic 4

10. Remove SKIM (Smart Key Immobilizer Module) (1 screw).
11. Disconnect electrical connectors at switch.

Ignition Switch Mounting Screw
pic 5

12. Remove ignition switch mounting screw. Use tamper proof torx bit (Snap-On TTXR10E or equivalent) to remove screw.

Ignition Switch Lock Tabs
pic 6

13. Using needle-nose pliers, squeeze both switch lock tabs and gently pull switch away from column. Do not rotate key lock cylinder when ignition switch is being removed or has been removed from steering column.

INSTALLATION
If installing key lock cylinder only, refer to steps 1 through 4 then proceed to steps 10 through 14. If installing ignition switch only, refer to steps 5 through 14.
1. Be sure transmission shifter is still in PARK position.
2. Rotate key in lock cylinder to RUN position.
3. Install key cylinder into housing by aligning retaining pin into retaining pin slot. Push key cylinder into housing until retaining pin engages. After pin engages, rotate key to OFF or LOCK position.
4. Check for proper retention of key cylinder by attempting to pull cylinder from housing.
5. Place ignition switch into opening on steering column housing. If switch will not fit into housing, do not force it. Remove switch from housing and rotate key cylinder (slightly) for alignment. Push switch into column housing until 2 lock tabs have engaged.
6. Install ignition switch mounting screw. Tighten screw to 3 Nm (30 in. Lbs.) Torque.
7. Connect electrical connectors to ignition switch. Make sure that switch locking tabs are fully seated in wiring connectors.
8. Install SKIM (Smart Key Immobilizer Module) (1 screw). Tighten screw to 3 Nm (30 in. Lbs.) Torque.
9. Install steering column covers (shrouds).
10. Connect negative cable to battery.
11. Shifter should lock in PARK position when key is in LOCK position. Shifter should unlock when key rotated to ON position.
12. With engine running, shifter should not be unable to be moved from PARK position until brake pedal has been depressed.
13. Check for proper operation of ignition switch in ACCESSORY, LOCK, OFF, ON, RUN, and START positions.
14. Steering wheel should lock when key is in LOCK position. Rotate steering wheel to verify. Steering wheel should unlock when key is rotated to ON position.

_______________________________

Let me know if this helps or if you have other questions.

Take care,

Joe
Was this
answer
helpful?
Yes
No
Wednesday, September 2nd, 2020 AT 12:15 PM (Merged)
Tiny
J12
  • MEMBER
  • 1 POST
  • 1999 JEEP GRAND CHEROKEE
  • V8
  • 4WD
  • AUTOMATIC
  • 153,000 MILES
Get in my vehicle this morning to crank up and my ignition is like it is stuck on and my key turns back and forth but will not crank up. I had to disconnect battery so my it would not go drain out. Need help.
Was this
answer
helpful?
Yes
No
Wednesday, September 2nd, 2020 AT 12:15 PM (Merged)
Tiny
ASEMASTER6371
  • MECHANIC
  • 52,796 POSTS
Good morning,

The most likely cause is the ignition switch. It may have failed internally not responding to the key positions.

Roy

The ignition key must be in key lock cylinder for cylinder removal.

REMOVAL
If removing key lock cylinder only, refer to first 6 steps. If removing ignition switch only, refer to steps 1 and 2 and proceed to steps 7 through 13.
1. Disconnect negative cable from battery.
2. Place transmission shifter in PARK position.
3. Place tilt steering wheel in full up position.

Retaining Pin
imageOpen In New TabZoom/Print

4. A retaining pin is located at bottom of key lock cylinder housing.
5. Rotate key to RUN position.
6. Press in on retaining pin while pulling key cylinder from housing. After removal, note position of alignment tang at end of cylinder. When installing lock cylinder, key must be rotated back to RUN position.
7. Remove steering column lower opening cover.

Shroud Removal/Installation
imageOpen In New TabZoom/Print

8. Remove upper and lower covers (shrouds) from steering column:

Fixed Column Shroud Removal/Installation
imageOpen In New TabZoom/Print

9. Remove upper fixed column shroud (2 screws).

Smart Key Immobilizer Module And Mounting Screw
imageOpen In New TabZoom/Print

10. Remove SKIM (Sentry Key Immobilizer Module) (1 screw).
11. Disconnect electrical connectors at switch.

Ignition Switch Mounting Screw
imageOpen In New TabZoom/Print

12. Remove ignition switch mounting screw. Use tamper proof torx bit (Snap-On TTXR10E or equivalent) to remove screw.

Ignition Switch Lock Tabs
imageOpen In New TabZoom/Print

13. Using needle-nose pliers, squeeze both switch lock tabs and gently pull switch away from column. Do not rotate key lock cylinder when ignition switch is being removed or has been removed from steering column.
Was this
answer
helpful?
Yes
No
Wednesday, September 2nd, 2020 AT 12:15 PM (Merged)
Tiny
1997LAREDO
  • MEMBER
  • 6 POSTS
  • 1997 JEEP GRAND CHEROKEE
  • 124,000 MILES
I would like to install a push button ignition into my 1997 jeep grand cherokee laredo with a keyless entry and startup
Was this
answer
helpful?
Yes
No
Wednesday, September 2nd, 2020 AT 12:16 PM (Merged)
Tiny
ASEMASTER6371
  • MECHANIC
  • 52,796 POSTS
Why? Why dont you just repair whatever issue you have?

What is the exact issue?
Roy
Was this
answer
helpful?
Yes
No
-1
Wednesday, September 2nd, 2020 AT 12:16 PM (Merged)
Tiny
1997LAREDO
  • MEMBER
  • 6 POSTS
No issue I would just like to install it because I like it better its more convenient for me
Was this
answer
helpful?
Yes
No
Wednesday, September 2nd, 2020 AT 12:16 PM (Merged)
Tiny
ASEMASTER6371
  • MECHANIC
  • 52,796 POSTS
You need a hot wire and you need the other side to go to the starter small terminal. Use a single pole switch.

Roy
Was this
answer
helpful?
Yes
No
Wednesday, September 2nd, 2020 AT 12:16 PM (Merged)
Tiny
1997LAREDO
  • MEMBER
  • 6 POSTS
Okay thank you so it is possible to be done
Was this
answer
helpful?
Yes
No
Wednesday, September 2nd, 2020 AT 12:16 PM (Merged)
Tiny
ASEMASTER6371
  • MECHANIC
  • 52,796 POSTS
Yes it is. Not advised but it can be done

Roy
Was this
answer
helpful?
Yes
No
-1
Wednesday, September 2nd, 2020 AT 12:16 PM (Merged)
Tiny
CATHY MOATS
  • MEMBER
  • 2 POSTS
  • 1997 JEEP GRAND CHEROKEE
  • 5.2L
  • V8
  • 2WD
  • AUTOMATIC
  • 2,500,000 MILES
I lost the keys so I dug the ignition out with a screwdriver, drive it for a week. Then bought a new ignition. I did not take the negative battery post off before I put the new one in, so it does not start at all. I have lights but nothing. So I put the old one back in and nothing. So now the guy who gave me the vehicle finds an old key that was the original. Now what do I do first?
Was this
answer
helpful?
Yes
No
Wednesday, September 2nd, 2020 AT 12:16 PM (Merged)
Tiny
KASEKENNY
  • MECHANIC
  • 18,907 POSTS
Couple questions. First, is the red theft light remaining on or flashing when you are trying to start the vehicle? If so, we have a theft issue that we are going to have to disarm.

If not then we have an issue with the ignition switch most likely. Let us know if the theft light is staying on or not and we can go in that direction.
Was this
answer
helpful?
Yes
No
Wednesday, September 2nd, 2020 AT 12:16 PM (Merged)
Tiny
CHERRYMOO
  • MEMBER
  • 1 POST
  • 1994 JEEP GRAND CHEROKEE
  • 100,000 MILES
My vehicle was broken into. They tried to get it started by breaking the ignition switch. Now I need to replace the ignition switch, but I have not found a way to do that with the airbag in the way. Any suggestions would be helpful.
Was this
answer
helpful?
Yes
No
Wednesday, September 2nd, 2020 AT 12:16 PM (Merged)
Tiny
CARADIODOC
  • MECHANIC
  • 34,463 POSTS
Removing the air bag is a matter of four nuts and an electrical connector, but removing it is not necessary if you are just removing the ignition switch or cylinder. There will typically be three torx screws to remove from the bottom of the covers under the steering wheel. Two hold the top and bottom halves together, and one holds the pair to the column. Once those are removed, do you want to replace the switch or just the cylinder?

Removing the switch requires removing three tamper-proof torx screws. Removing just the cylinder requires a roll pin to be pushed in, but the key has to be inserted to do that.
Was this
answer
helpful?
Yes
No
Wednesday, September 2nd, 2020 AT 12:16 PM (Merged)
Tiny
PDEVOGEL5
  • MEMBER
  • 13 POSTS
  • 1994 JEEP GRAND CHEROKEE
  • 4.0L
  • 6 CYL
  • 2WD
  • AUTOMATIC
  • 18,400 MILES
Replaced battery a week later ignition lock cylinder broke. Replaced it and the switch now have new keys. Turn key on dash lights work no crank. Security light on dash stays on been on since I bought car. Alarm not being set off. Door locks don't lock but they unlock. Replaced NSS and checked starter through the relay it cranked and started one time when I tried again it cranked but no start. It also cranked with screwdriver at solenoid. I tried switching the starter relay with the other 3 that are the same relays. No luck.
Was this
answer
helpful?
Yes
No
Wednesday, September 2nd, 2020 AT 12:17 PM (Merged)
Tiny
CARADIODOC
  • MECHANIC
  • 34,463 POSTS
Most of the starter system can be broken down into four parts, each with a test point at the starter relay's socket. For now, we don't even have to know which terminal is for which circuit. Remove the relay, then use a test light to check each of the four terminals.

Here's a link to an article on using a test light, if you need it:

https://www.2carpros.com/articles/how-to-use-a-test-light-circuit-tester

You can find a test light at Harbor Freight Tools, Walmart, or any hardware store.

You may see a fifth terminal in the middle of the socket. Ignore that one as it is rarely used. Connect the test light's ground clip to a good ground or the battery's negative post, then probe the four terminals. The test light should light up bright on only one of them.

Of the three remaining terminals, the test light will light up full brightness on just one of them only when the ignition switch is turned to the "crank" position. Use a helper to turn the switch if you can't see the test light from inside the vehicle

In less than a minute, two parts of the system have been checked. Testing the other two parts takes even less time. The test light's clip lead must be moved from ground to the battery's positive post because we'll be checking ground circuits. Assuming the two 12-volt circuits are okay, those two terminals can be ignored now. We only need to look at the two remaining terminals. The test light should light up on both of them. On one of them, the light will turn off when you shift out of "park" or "neutral", but it must turn back on when you shift back into park or neutral. On the other terminal, the test light should always be on full brightness.

Let me know what you find with those four tests, then we'll figure out where to go next.
Was this
answer
helpful?
Yes
No
+1
Wednesday, September 2nd, 2020 AT 12:17 PM (Merged)
Tiny
PDEVOGEL5
  • MEMBER
  • 13 POSTS
Number 30 lights up by itself. The other 3 none light up cranking the key. Next test #85 and #87 light up #85 goes off and on when shifting #87 stays lit.#86 did nothing on both tests.
Was this
answer
helpful?
Yes
No
Wednesday, September 2nd, 2020 AT 12:17 PM (Merged)
Tiny
CARADIODOC
  • MECHANIC
  • 34,463 POSTS
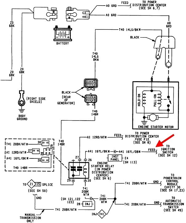
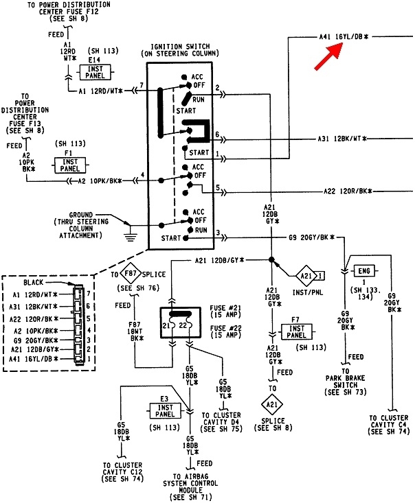
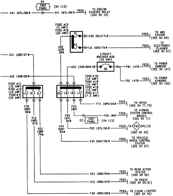
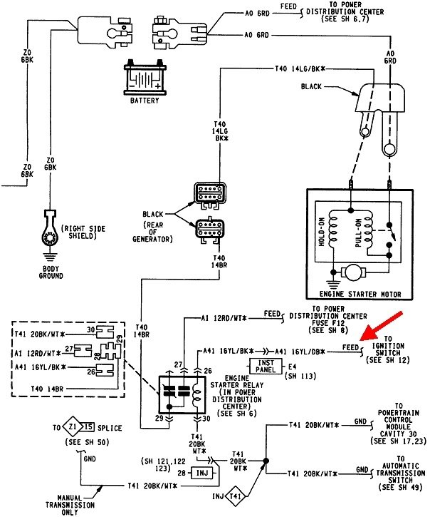
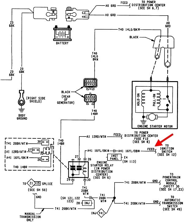
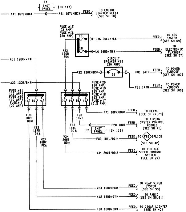
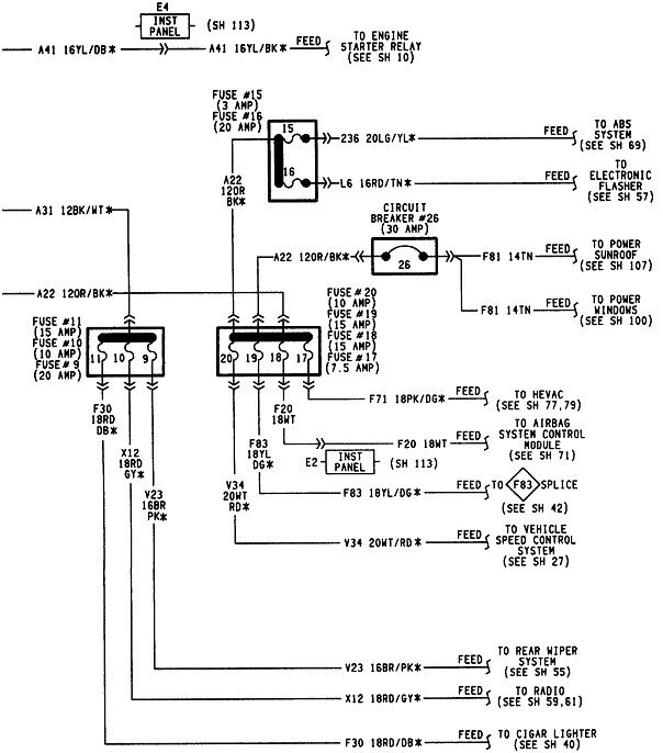
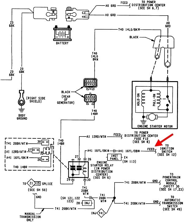
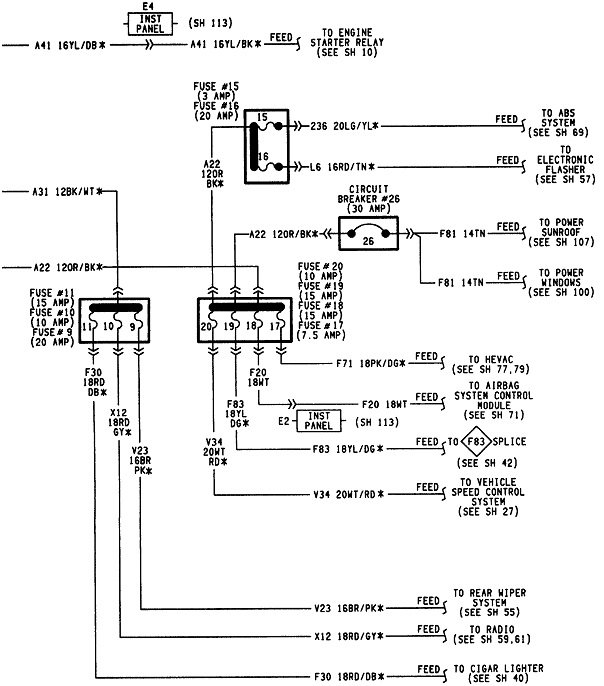
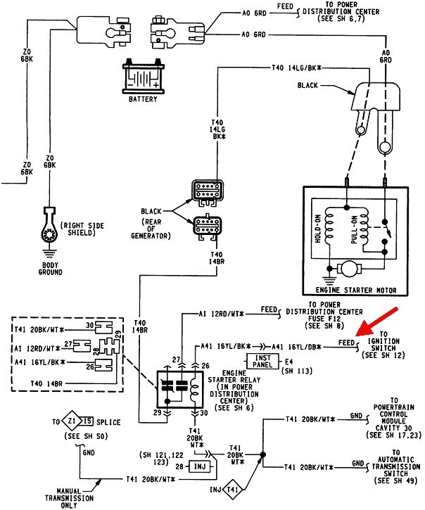
Dandy. This is going to involve the ignition switch. In the first diagram, the red arrow is pointing to the circuit where 12 volts is not showing up from the ignition switch. In the second diagram, the arrow is pointing to the terminal it comes from in that switch.

There's two things to look for. The first is you'll need to pop the lock cylinder out, then look at the end of it to see if it is broken. This applies to early '90s Caravans, including my '94 Grand Voyager daily driver, and some other models. There were actually three different designs of these lock cylinders, and Jeeps used the least common of the three, but since you replaced the ignition switch, the entire switch with its matching lock cylinder will bolt right onto all the other models. If you have the style that came originally in a minivan, look at the round disc on the end of the cylinder. It has a raised lip with a notch in it that matches a key inside the switch. The end of that lip cracks off resulting in the notch being too wide. When you rotate the cylinder with the key, it doesn't rotate the switch quite far enough to reach the "crank" position.

The second problem can be identified by looking at the terminals on the old switch. This shouldn't pertain to cranking, but it's not something we want to overlook. It is common to find two terminals that are black or discolored. If you see that, the mating terminals in the connector will also be discolored, and the connector body around them will be melted. The only proper repair for that is the switch must be replaced, and those two terminals must be cut out of the connector, then be replaced with a pair of universal crimp-type terminals. Four inches of wire must also be cut away because it will be hardened from the heat and solder won't adhere to it. Crimp the new terminals to the new pieces of wire, but solder them too for the best connection. Splice the wires to the original wires, then solder the joints and seal them with heat-shrink tubing. Never use electrical tape in a car as it will unravel into a gooey mess on a hot day.

Cut the connector body open to make enough room for the new terminals to fit in their holes. Plug the connector into the switch, then plug in each of the two new terminals individually.

You can also snip a connector off a vehicle in the salvage yard and remove two shiny terminals from it, along with the four inches if wire.

This ignition switch assembly has four separate switches built in. The terminal problem normally occurs on the terminals for the accessory circuit that includes the heater fan, power windows, and radio, especially when owners use the heater fan on the highest speed a lot, and when they're in the habit of turning the ignition switch on and off when leaving the heater fan set to a high speed. The arcing that takes place across those contacts in the ignition switch leads to the build-up of resistance which causes the heat to be generated. That heat migrates out to the terminals where it causes more resistance to develop that leads to additional heat build-up. When only the terminals or only the switch is replaced, the resistance in the other one is still there and will cause a repeat failure. Both the switch and the terminals must be replaced at the same time.

This wiring problem is less likely to occur to the starter circuit part of the switch because it is used very infrequently and for such a short period of time, however, once the ignition switch returns to the "run" position, the circuit that feeds this part now feeds other circuits that do continue drawing current. That's the A31 12BK/WT circuit that continues on the third diagram.

Check the connector terminals first, but my vote is for the disc on the end of the lock cylinder. If that is cracked, the Chrysler dealer's parts department has a repair kit for that. It involves cutting the disc off, sliding on the replacement, then you have to finish drilling a hole to accept the supplied roll pin. You could also just look for another lock cylinder in the salvage yard
Was this
answer
helpful?
Yes
No
+1
Wednesday, September 2nd, 2020 AT 12:17 PM (Merged)

Please login or register to post a reply.