Thursday, November 30th, 2023 AT 10:21 AM
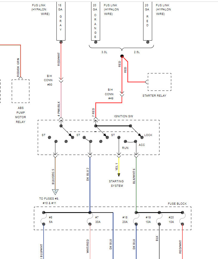
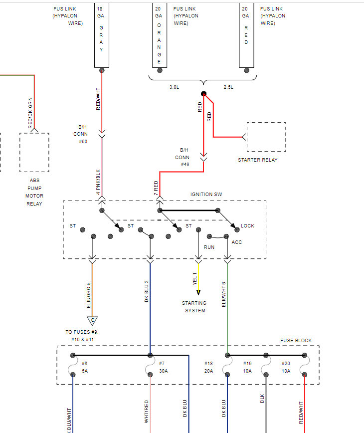
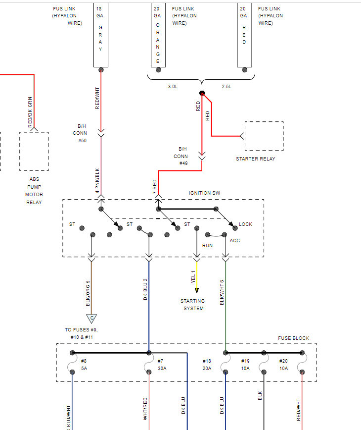
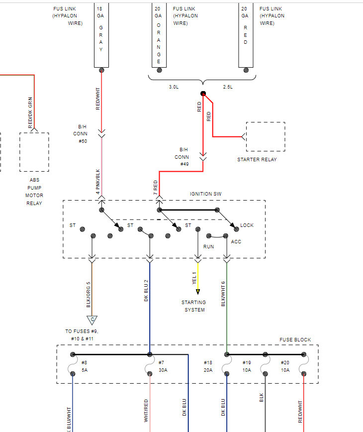
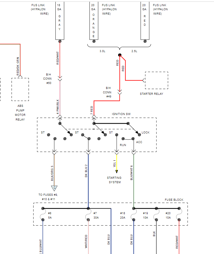
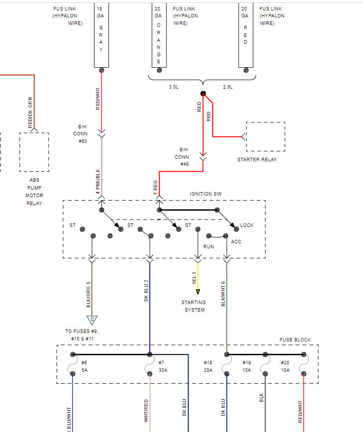
The vehicle will no longer shut off with the key turned into the off position. I believe it to be a faulty ignition cylinder. Cannot purchase a new one in Canada. Need wiring diagram to remote add new cylinder to start/stop vehicle.









