Ignition control module

Tiny
BROOKLEE STIEF
  • MEMBER
  • 1998 FORD CONTOUR
  • 4 CYL
  • 130,000 MILES
Where is the ignition control module located
Monday, May 2nd, 2016 AT 6:03 PM

7 Replies

Tiny
KEN L
  • MASTER CERTIFIED MECHANIC
  • 54,845 POSTS
Hello,

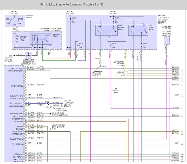
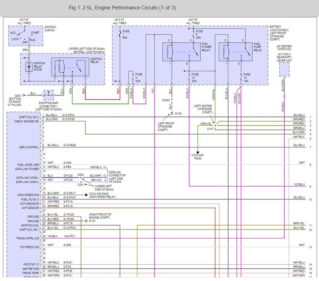
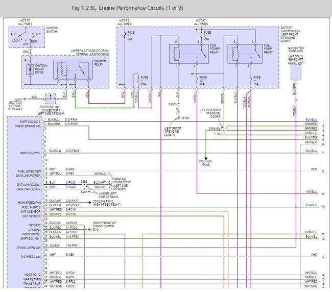
there is a ignition control relay and a crankshaft angle sensor but the amplification of the ignition signal is done by the ECM here are the ignition wiring diagrams as you can look for yourself.

Please let me know if you need anything else to get the problem fixed.

Best, Ken
Was this
answer
helpful?
Yes
No
-1
Tuesday, March 28th, 2017 AT 8:29 PM
Tiny
DAWN39JONESBORO
  • MEMBER
  • 6 POSTS
  • 1998 FORD CONTOUR
A crankshaft sensor exactly where is it at on a 98 ford contour I can't see it and I tryed looking it up in the books and it doesn't show
Was this
answer
helpful?
Yes
No
-1
Tuesday, March 28th, 2017 AT 8:29 PM (Merged)
Tiny
CATCH_15
  • MECHANIC
  • 250 POSTS
There's only one place in can be. Look on the front of the engine by the crank pulley.
Was this
answer
helpful?
Yes
No
+1
Tuesday, March 28th, 2017 AT 8:29 PM (Merged)
Tiny
  • MEMBER
  • 0 POST
  • 1999 FORD CONTOUR
  • 130,000 MILES
Does the 1999 Ford Contour SE, with the 2.5L Duratec engine, have an Ignition Control Module and if so, where is it located?
Was this
answer
helpful?
Yes
No
Tuesday, March 28th, 2017 AT 8:29 PM (Merged)
Tiny
ASEMASTER6371
  • MECHANIC
  • 52,796 POSTS
No, the spark is controlled by the crank sensor, pcm and coil.

Roy
Was this
answer
helpful?
Yes
No
Tuesday, March 28th, 2017 AT 8:29 PM (Merged)
Tiny
TONI E
  • MEMBER
  • 1 POST
  • 1996 FORD CONTOUR
Engine Mechanical problem
1996 Ford Contour 6 cyl Two Wheel Drive Automatic

Location of ignition control module
Was this
answer
helpful?
Yes
No
Tuesday, March 28th, 2017 AT 8:29 PM (Merged)
Tiny
BMRFIXIT
  • MECHANIC
  • 19,053 POSTS
PCM
powertrain control module
behind power steering reservoir
ignition control module is a part of the PCM
pcm responsible for firing the coil

*****************************************
need manual CHECK IT @
https://www.2carpros.com/kpages/auto_repair_manuals.htm
Was this
answer
helpful?
Yes
No
Tuesday, March 28th, 2017 AT 8:29 PM (Merged)

Please login or register to post a reply.