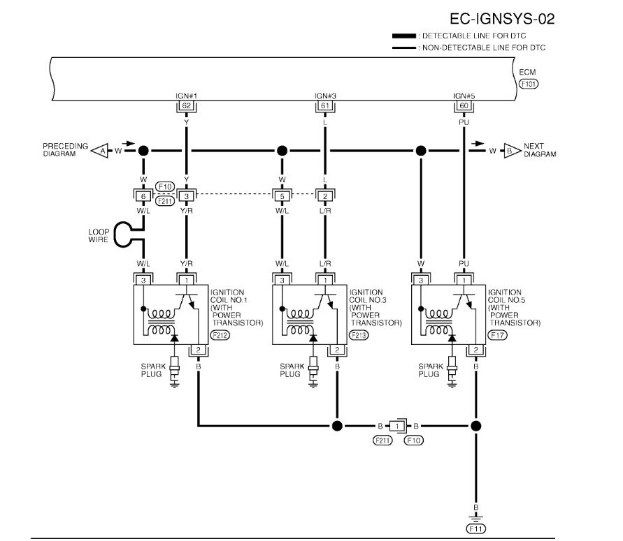
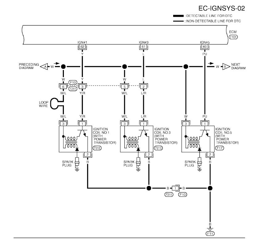
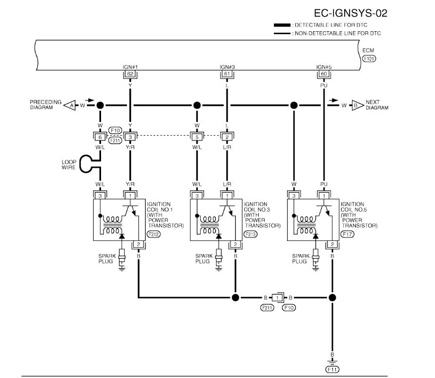
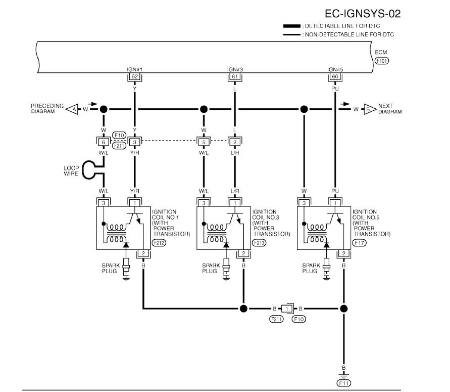
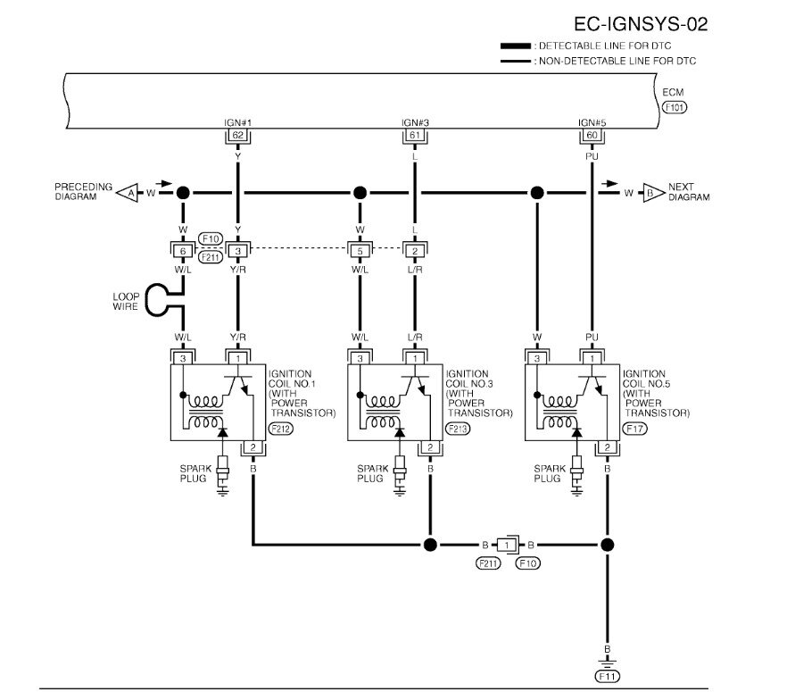
Ignition coil diagram for 2004 Infiniti FX35

Tiny
TAY MASSEY
  • MEMBER
  • 2004 INFINITI FX35
  • 3.5L
  • 196,000 MILES
I need the ignition coils color diagram so I can place the right connectors on the right ignition coils
Tuesday, August 12th, 2025 AT 9:29 AM

1 Reply

Tiny
STEVE W.
  • MECHANIC
  • 15,676 POSTS
These are the colors for the coils. The only wire that you need to pay attention to is the colored wire on pin one. The Black wire is ground for all of them, the White (some have a stripe as well) is the power to each coil. The colored wires are the coil triggers, So for cylinder 1 you want the plug with the Yellow with red wire, 2 is Orange, 3 is Blue with red, 4 is Gray, 5 is Purple and 6 is Light Blue.
Was this
answer
helpful?
Yes
No
+1
Tuesday, August 12th, 2025 AT 11:05 AM

Please login or register to post a reply.