Ignition difficult to turn

Tiny
WAYNE HERNDON
  • MEMBER
  • 1999 FORD E-SERIES VAN
  • 3.8L
  • V6
  • 2WD
  • AUTOMATIC
  • 238,000 MILES
Ignition hard to turn.
Monday, December 11th, 2017 AT 1:53 AM

1 Reply

Tiny
STEVE W.
  • MECHANIC
  • 15,671 POSTS
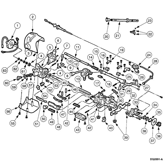
If it is hard to turn and applying pressure to the steering wheel in either direction doesn't help (in the event the steering lock is binding) the issue is likely the switch rack that engages the actual ignition cylinder pinion gear at the top of the column. Item 51 in the picture.
It can be replaced BUT the entire column has to be torn down to get to it. It is actually faster and easier to just get a used column that matches your interior and swap your key cylinder into it and swap it out.
Was this
answer
helpful?
Yes
No
Thursday, December 14th, 2017 AT 6:26 PM

Please login or register to post a reply.

Related General Content