Monday, August 26th, 2019 AT 10:14 AM
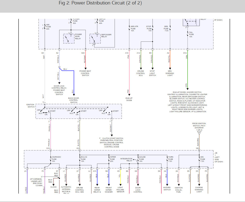
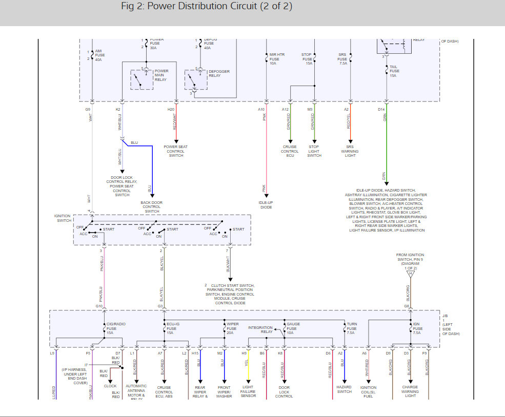
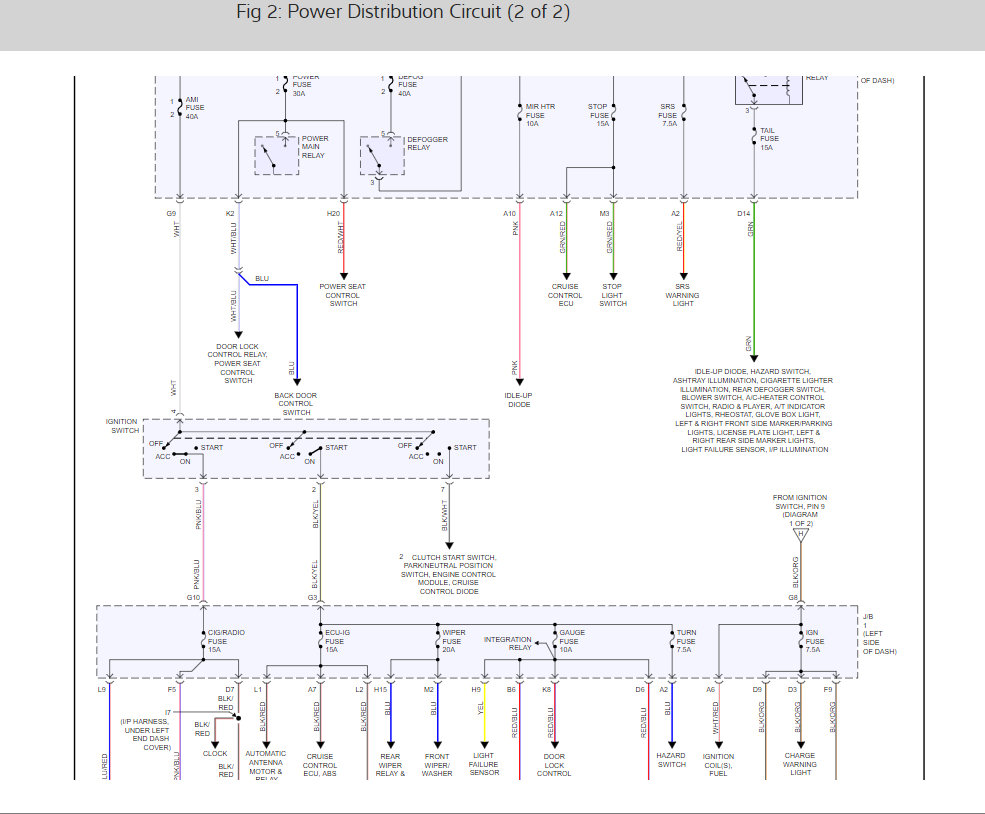
My car was running completely fine and then my key wouldn't turn past the lock position. So I changed both the key part as well as the electrical part of the ignition switch, but now it won't start. It acts like it wants to but it's not getting a connection somewhere. Is there a fuse, ground wire or something else I need to check?





