Tuesday, August 15th, 2017 AT 6:04 PM
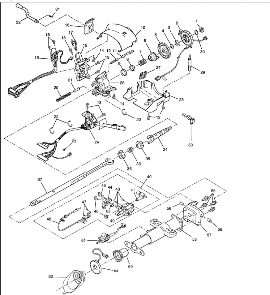
How to remove the ignition and the key switch? The car starts runs for a couple seconds then shuts off every time it is started. We've checked everything fuel pump its like the security is shutting down the fuel pump is that possible or u think its a bad connection sorry need advice on how to remove the ignition also.





