Not Pulse coming/going to ignition coil?

Tiny
ANGIE HIGDON
  • MEMBER
  • 1990 NISSAN PATHFINDER
  • 3.0L
  • V6
  • 4WD
  • AUTOMATIC
  • 133,678 MILES
Don't have a pulse coming/going to or from the "one" only ignition coil the car has. What could be the issue?
Thursday, February 2nd, 2023 AT 1:55 PM

1 Reply

Tiny
KEN L
  • MASTER CERTIFIED MECHANIC
  • 55,291 POSTS
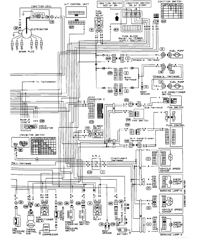
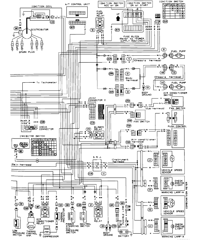
It sounds like the crankshaft angle sensor is out which is inside the distributor, I would get a rebuilt unit and install it here are the instructions to do so in the images below. Here are the engine and ignition wiring diagrams as well. Please let us know if you need anything else to get the problem fixed.
Was this
answer
helpful?
Yes
No
Thursday, February 2nd, 2023 AT 6:27 PM

Please login or register to post a reply.