Ignition

2002 CHEVROLET MALIBU
223,000 MILES • 3.4L • 6 CYL • FWD • AUTOMATIC
Avatar
TANKK2014
  • MEMBER
  • 29 POSTS
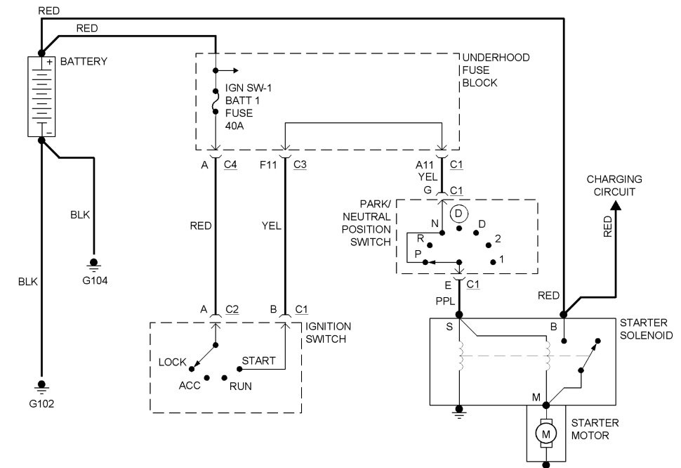
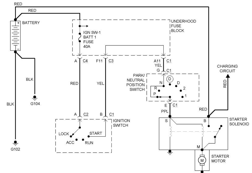
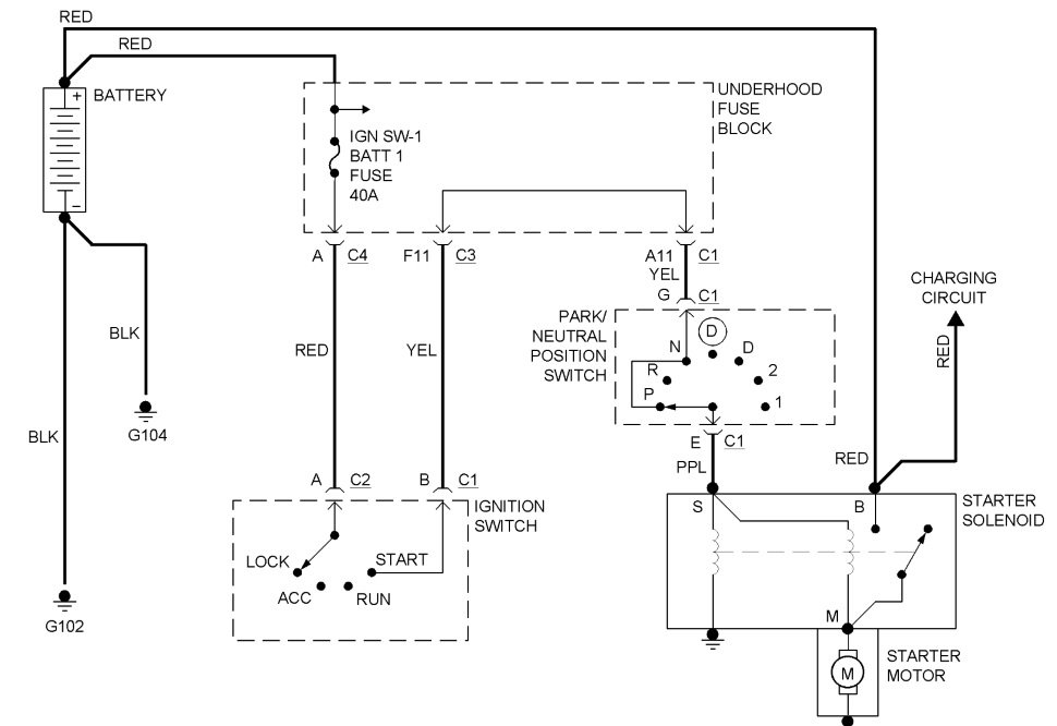
Opened the door to get in the car. Dome light comes on. Insert key into ignition and turn on. Instrument panel lights up. Turn key to start engine and I hear a "click" and everything goes out. Not a light, not a noise, nothing.
Sep 11, 2017 at 8:06 PM
Repair Safety Notice: This information is for general instructional purposes only. Vehicle repair can be dangerous. Verify all information, follow manufacturer service procedures, use proper tools and safety equipment, and consult a qualified repair shop when needed.
Advertisement
Avatar
JDL
  • CAR REPAIR CONTRIBUTOR
  • 16,098 POSTS
My database only showed 3.1L engine? Make sure battery has a full charge and battery connections all good, positive and negative. Everything off, use a digital multi-meter across battery posts, the generic spec for a full charge is around 12.6 volts. If the battery is down, get it charged up and check your charging system. If battery voltage reading shows good, leave the leads of the meter touching the battery posts, have helper turn key to crank, how far does the reading drop? It should not drop below 9 volts, generic spec. If it does not drop much if any, there is an open circuit to the starter motor.
To check starter, you can take it off, lay it on the ground, hook up jumper cables properly from starter to battery, at the least, it should kick out the drive gear and spin. I could go on, better stop.
Sep 12, 2017 at 12:52 PM
Advertisement