Where is the igniter located?

Tiny
KEVIN ROY2
  • MEMBER
  • 2004 TOYOTA TACOMA
  • 2.7L
  • 4 CYL
  • 2WD
  • AUTOMATIC
  • 170,000 MILES
Where is the igniter located on the pre-runner I cannot find it, does it have one? I am burning #3 coil out put new one in burns that one out, does the 2004 2.7l 4cyl Tacoma pre-runner have the igniter module or am looking for a part that does not exist in this truck.
Friday, June 30th, 2023 AT 4:25 PM

3 Replies

Tiny
KEN L
  • MASTER CERTIFIED MECHANIC
  • 55,291 POSTS
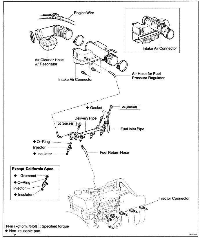
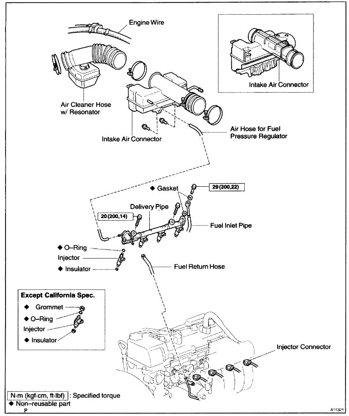
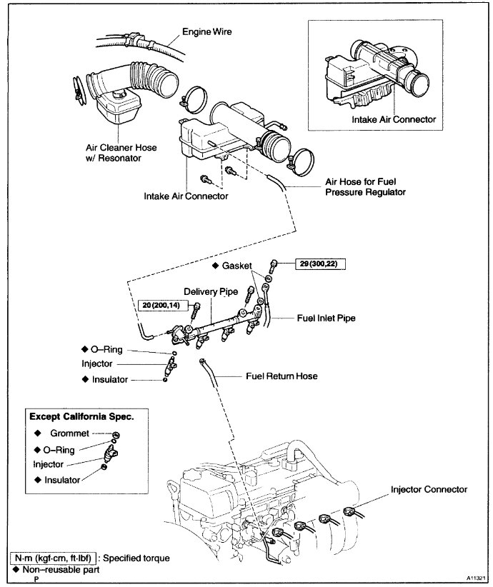
So, this happens when the spark plugs, or fuel injector are bad. This truck does not have an individual ignition module, it is inside each coil. I would replace the spark plug first and then the fuel injector. Please check out this guide and I have included images below to help you fix your car. Also check the electrical connectors at the coil to see what is going bad and look for overheated connections.

Only use the correct spark plugs:

SPARK PLUG TYPE:
DENSO .................... K16R-U11
NGK .................... BKR5EYA-11

https://www.2carpros.com/articles/how-to-change-spark-plugs

The fuel injector can cause it because of a faulty spray platen which can overheat the coil. Check out the images (below). Please let us know what happens.
Was this
answer
helpful?
Yes
No
Saturday, July 1st, 2023 AT 1:10 PM
Tiny
KEVIN ROY2
  • MEMBER
  • 3 POSTS
Thank you so much KEN L.
Kevin A. Roy
Was this
answer
helpful?
Yes
No
Saturday, July 1st, 2023 AT 1:44 PM
Tiny
KEN L
  • MASTER CERTIFIED MECHANIC
  • 55,291 POSTS
Use 2CarPros anytime, we are here to help. Please tell a friend.
Was this
answer
helpful?
Yes
No
Monday, July 3rd, 2023 AT 11:14 AM

Please login or register to post a reply.