Sunday, November 29th, 2020 AT 3:34 PM
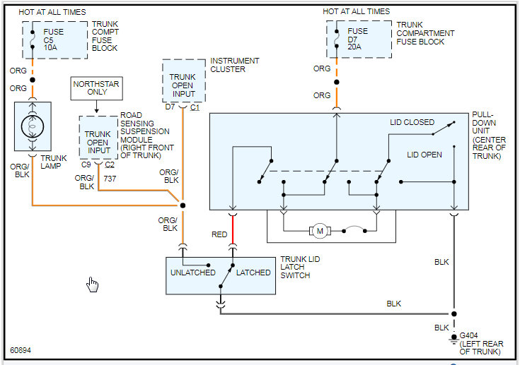
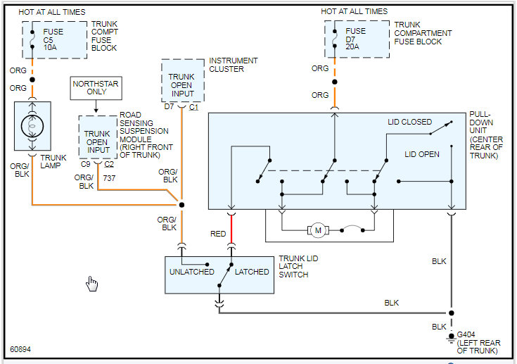
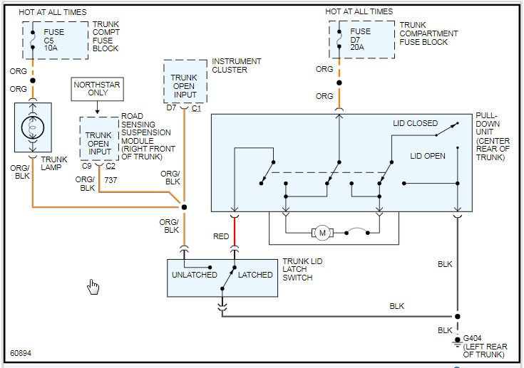
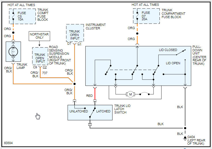
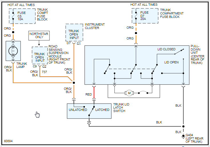
I need to know where the extra plug goes in the trunk for the lid that automatic closer on the 'car listed above. There's one plug that plugs in at the bottom and there's one hanging. What is that plug for?




