Monday, October 14th, 2019 AT 11:35 AM
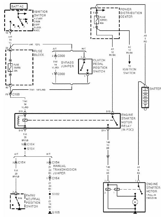
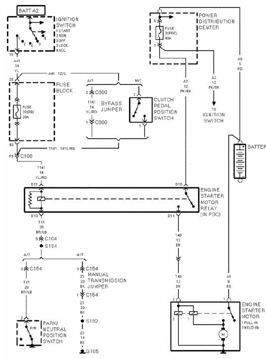
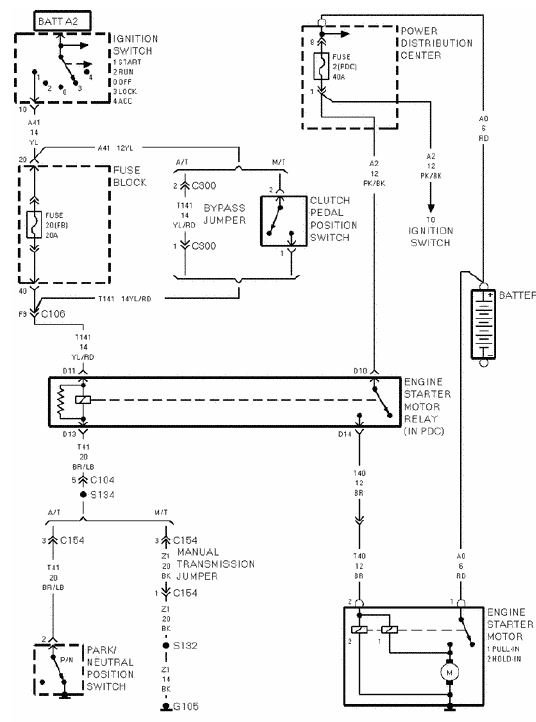
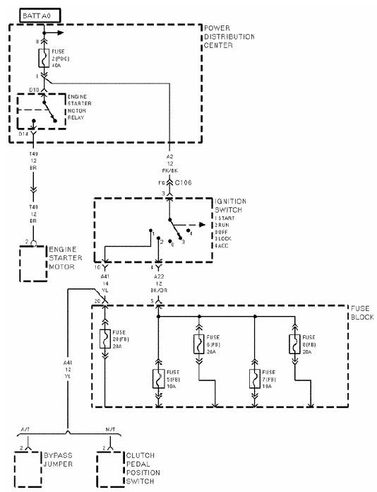
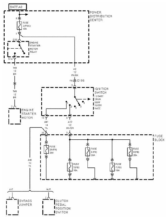
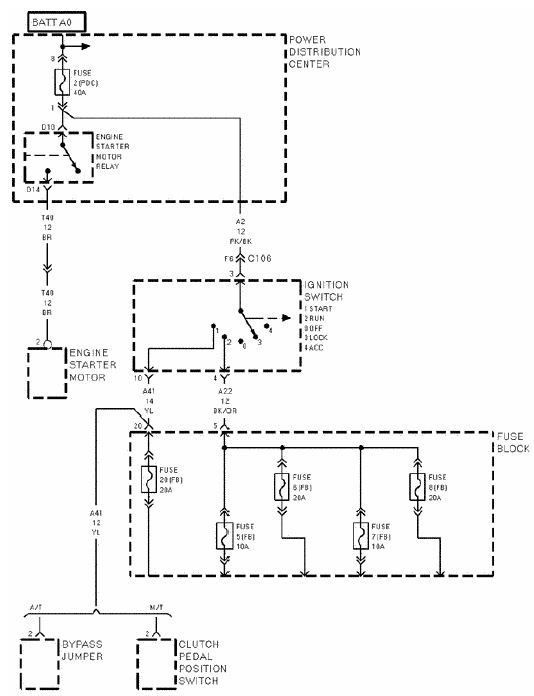
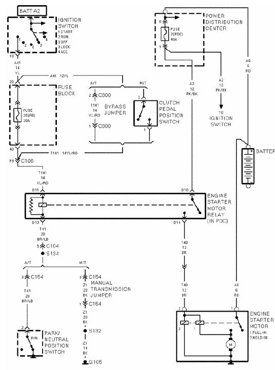
There is a clicking sound from behind the driver's side dash, about the speed of a turn signal regardless of the key being in the ignition. When I put the key in the ignition, I can get all of the accessories to work fine, as well as turn signals, etc. The clicking sound remains, even when I use the turn signals, but it is not coming from the flasher unit. I've checked the ground wires, and the hot wires from the battery, all connections seem to be solid. I replaced the starter relay, and there was no change. I was able to jump the jeep from the starter relay, and it started/ran just fine. Although it provided a breath of fresh air, I would like to fix the problem, which might be an anti-theft problem? I have yet to find anything that will help me reset or bypass the anti-theft system on the vehicle. Although I am leaning in this direction, I am not completely convinced this is the problem. Any help would be greatly appreciated.



