Where is the power window fuse located?

Tiny
ROSE IBARRA
  • MEMBER
  • 1999 DODGE CARAVAN
  • 3.8L
  • 157,000 MILES
I need a copy of diagram of fuse box.
Friday, September 17th, 2021 AT 6:25 PM

3 Replies

Tiny
ROSE IBARRA
  • MEMBER
  • 2 POSTS
I need a diagram of fuse box.
Was this
answer
helpful?
Yes
No
Friday, September 17th, 2021 AT 6:28 PM
Tiny
SQM
  • MECHANIC
  • 6,383 POSTS
Hello,

See attached for both of the fuse box diagrams.

https://www.2carpros.com/articles/how-to-check-a-car-fuse

Please let me know of any questions.
Thank you.
Was this
answer
helpful?
Yes
No
Friday, September 17th, 2021 AT 7:30 PM
Tiny
CARADIODOC
  • MECHANIC
  • 34,454 POSTS
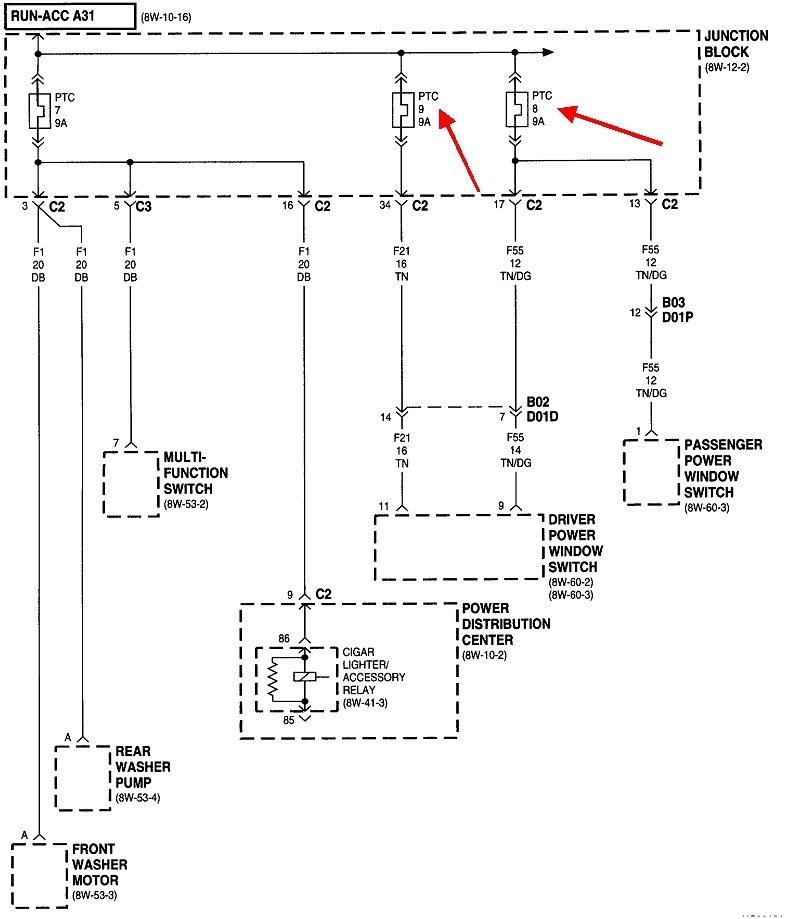
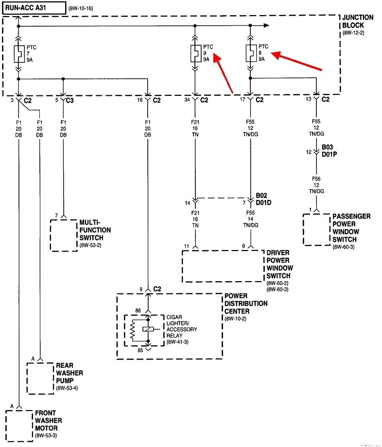
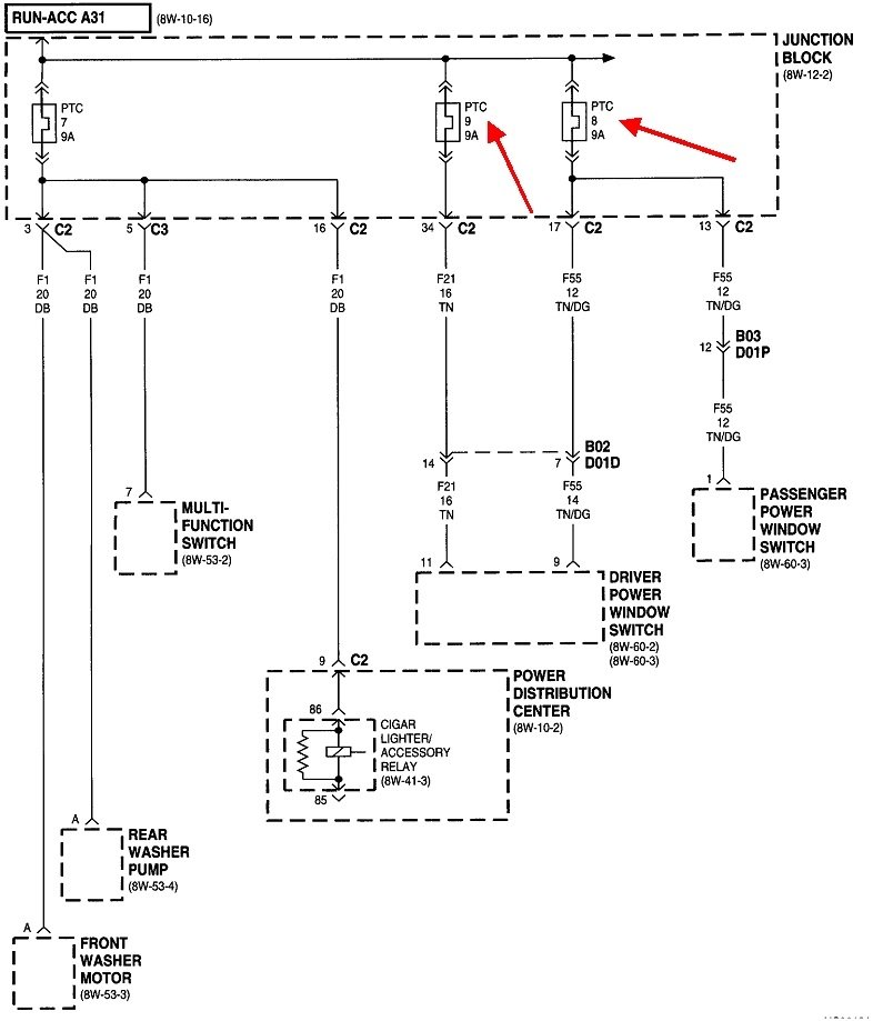
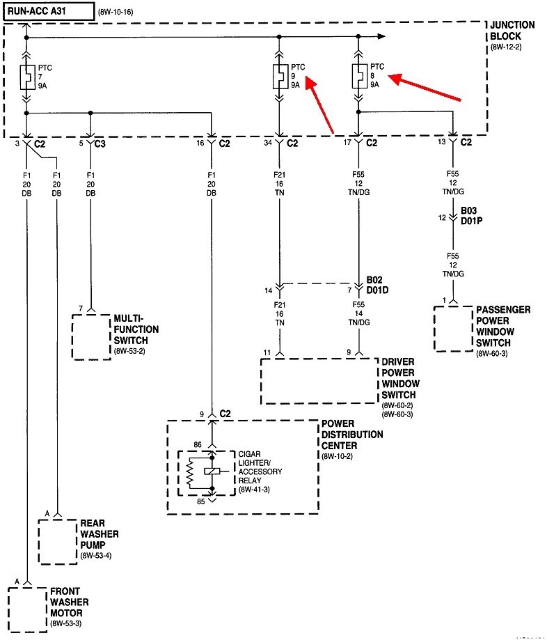
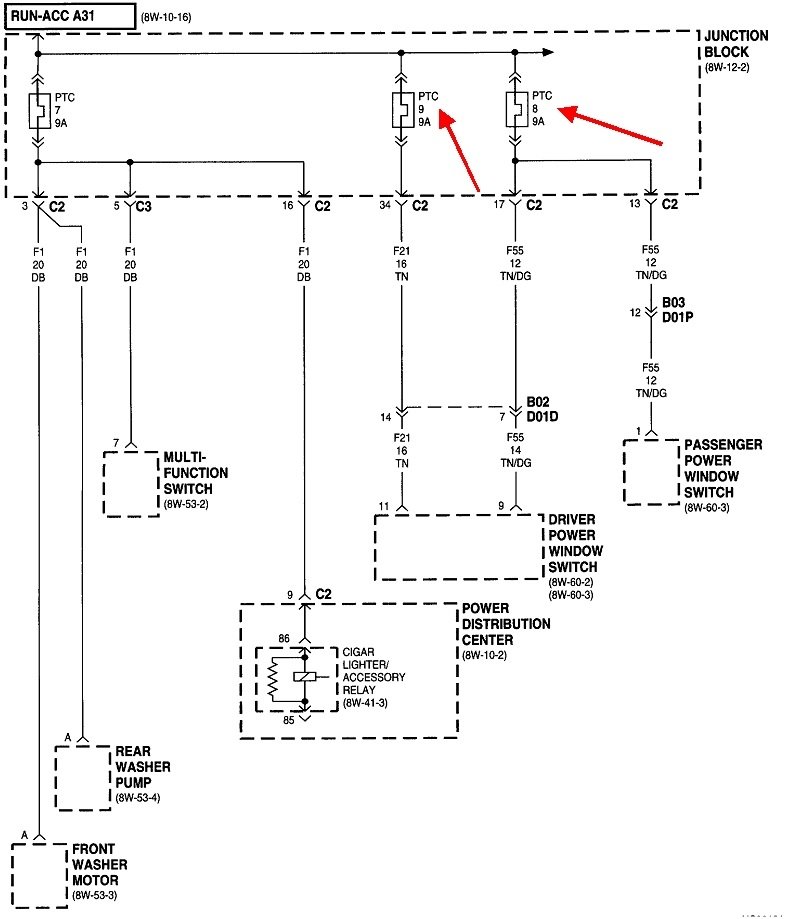
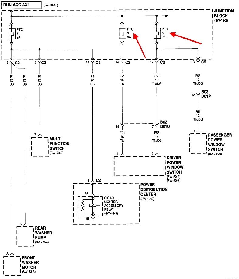
Head lights and power windows are considered safety systems. As such they typically don't have fuses. Older models used auto-resetting thermal circuit breakers The thinking is if an intermittent short were to occur during a crash, a blown fuse would permanently disable that system. With a self-resetting circuit breaker, there's a chance the system could come back to life if the short goes away.

Beginning with the redesigned '96 Caravans, Chrysler started using "positive temperature coefficients", (PTCs) to protect the circuits. Those are a two-terminal semiconductor device that acts like a piece of wire, (like a fuse) until current exceeds it design limit, then it immediately goes open circuit to stop all current flow. They reset automatically when the short is gone.

PTCs really don't fail, so they're soldered into the Junction Block. That's the inside fuse box. They aren't even labeled because there isn't anything to test related to them.

The most common reason people look for a power window fuse is the system is dead. A common cause of that is broken or frayed wires between the door hinges. Depending on which wire breaks first, you may find only the passenger's window is dead If the 12-volt feed wire to the driver's switch is broken, both front windows will not work.
Was this
answer
helpful?
Yes
No
Friday, September 17th, 2021 AT 8:02 PM

Please login or register to post a reply.