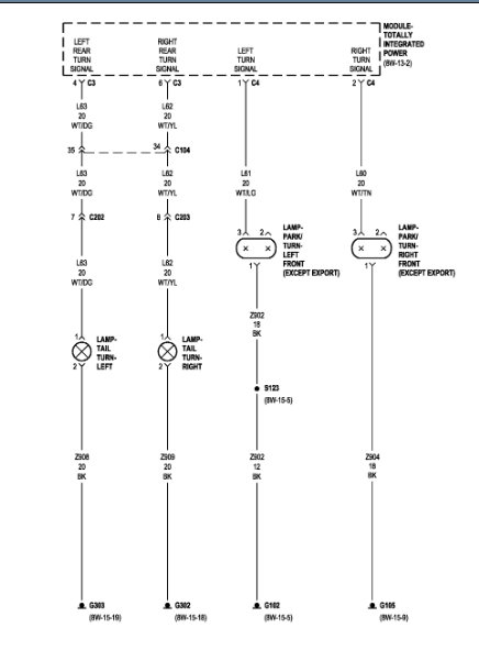
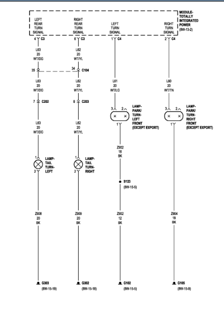
Saturday, May 11th, 2019 AT 2:02 AM
My left rear turn signal light will not work. It is the only one that wont work. I have tried several new bulbs that will not work and I have had someone check the fuse and still didn't work. What could it be causing it not to work and what should I buy to fix it?


