I need the wiring diagram (pinout) for the insturment cluster?

Tiny
DESPRINTER
  • MEMBER
  • 2009 TOYOTA AVENSIS
  • 1.6L
  • 4 CYL
  • 2WD
  • MANUAL
  • 74,000 MILES
I am installing an aftermarket cruise control and need to locate the vehicle speed signal wire.
Monday, January 6th, 2025 AT 1:46 PM

9 Replies

Tiny
KEN L
  • MASTER CERTIFIED MECHANIC
  • 55,488 POSTS
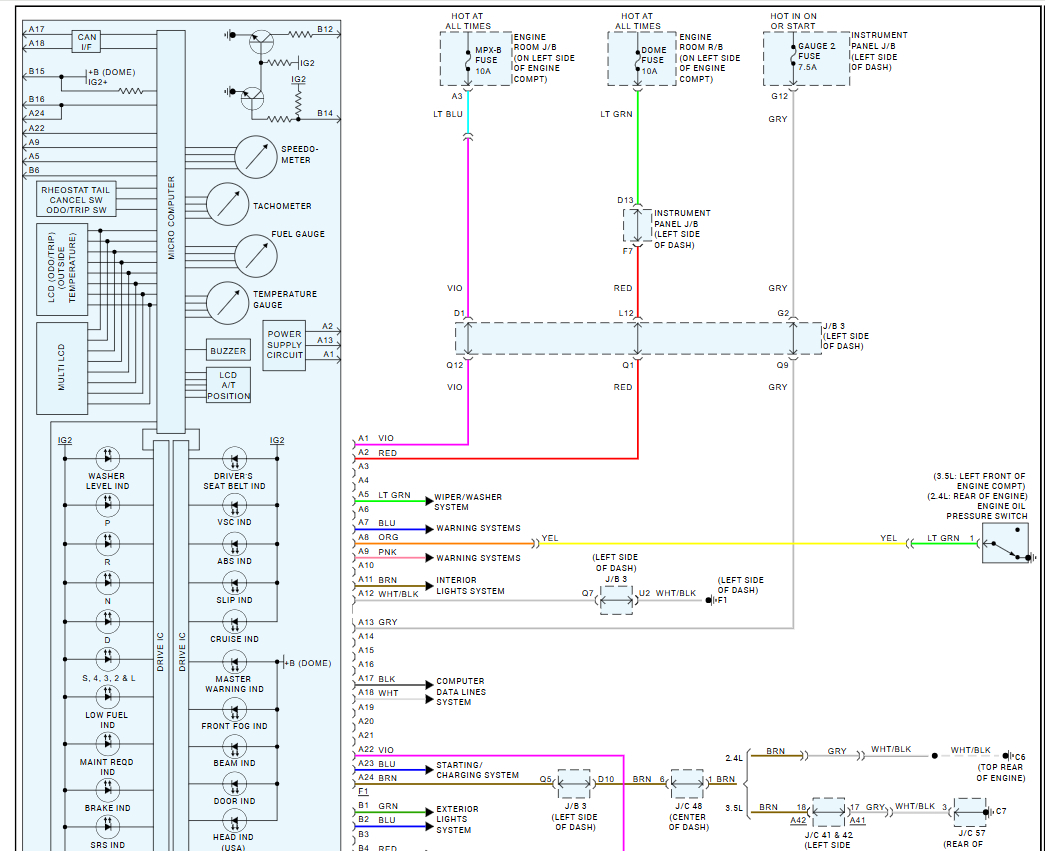
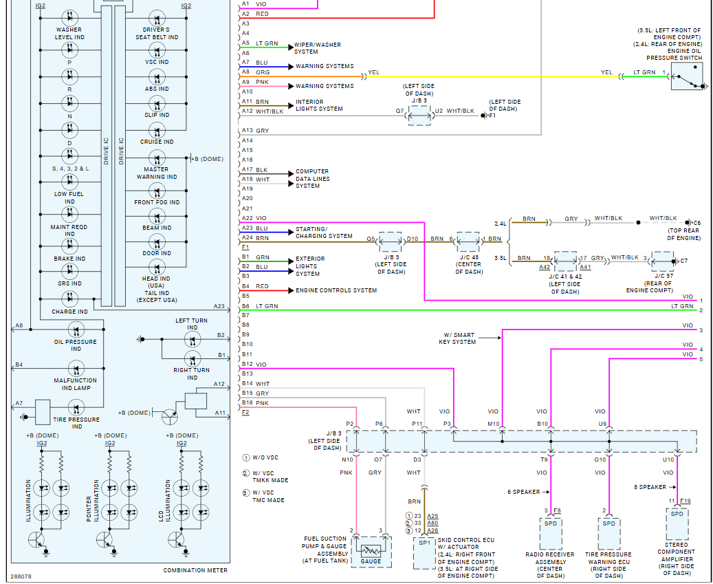
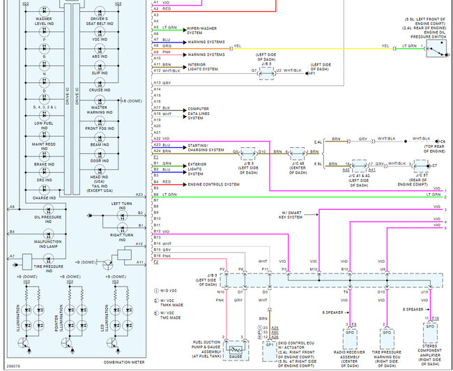
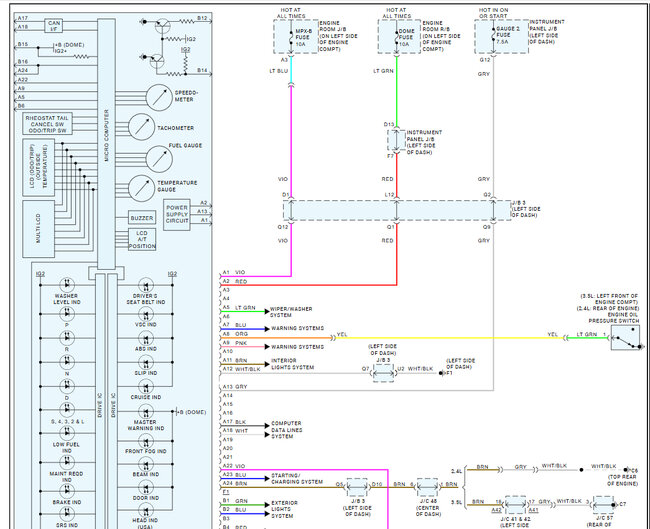
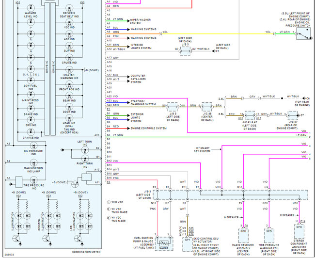
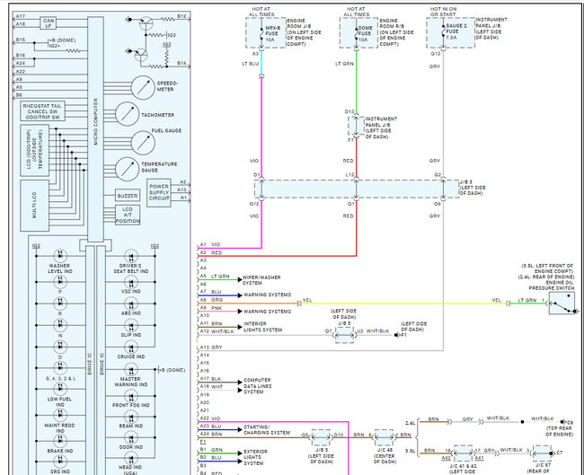
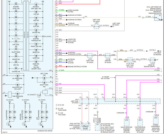
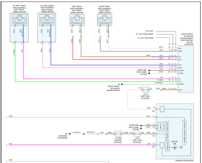
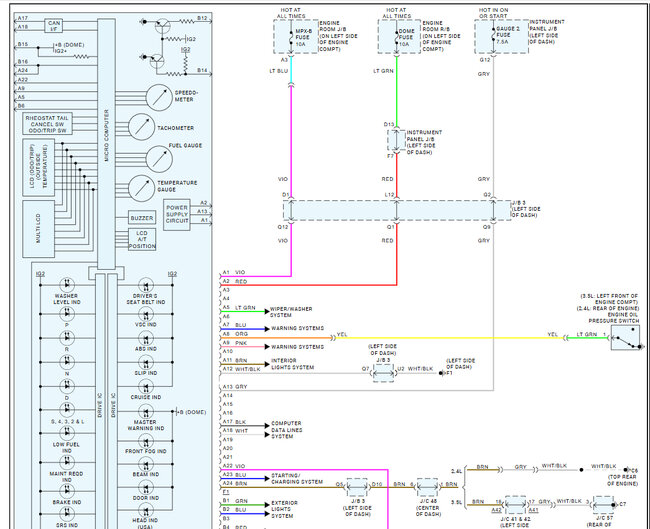
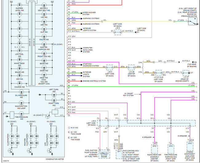
This is what we have for the wiring diagrams and pin out for the instrument cluster. But I need to tell you they gave the vehicle speed data from ABS module. Let me know what you find. Check out the images (below).
Was this
answer
helpful?
Yes
No
+1
Tuesday, January 7th, 2025 AT 10:55 AM
Tiny
DESPRINTER
  • MEMBER
  • 5 POSTS
Thanks KenL for the diagram. I have bought a EasyGuard Cruise Control "https://www.ieasyguard.com/product/cruise-control-for-toyota-series-2/" which has one wire that needs to be connected to "Gearbox speed/Abs Sensor" but I do not find any of those wires in the diagram. I was hoping that I might find them connecting to the instrument cluster. Do you know where I can find this wire? The included installation guide is not helpful at all.
Was this
answer
helpful?
Yes
No
Tuesday, January 7th, 2025 AT 12:10 PM
Tiny
KEN L
  • MASTER CERTIFIED MECHANIC
  • 55,488 POSTS
The car didn't come with cruise control? I would try the white wire at the cluster, it is the input from the ABS module.
Was this
answer
helpful?
Yes
No
Thursday, January 9th, 2025 AT 10:24 AM
Tiny
DESPRINTER
  • MEMBER
  • 5 POSTS
No the car did not come with CC. I think CC is only for the 1.8 and above.
I tried the white wire but no luck. I forgot to mention that the Plug on the back instrument cluster look different than the diagram. It is a 40 Pin plug. Do you have the diagram for the 40 Pin version? Thanks!
Was this
answer
helpful?
Yes
No
Friday, January 10th, 2025 AT 6:48 AM
Tiny
KEN L
  • MASTER CERTIFIED MECHANIC
  • 55,488 POSTS
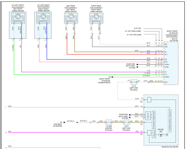
Can I get an image of the steering wheel? The vehicle speed data is communicated throughout the CAN via the ABS control ECU. I would try to tap into one of the WSS to see if you can get it to work, here is the wiring diagram so you can see what I am talking about.
Was this
answer
helpful?
Yes
No
Friday, January 10th, 2025 AT 9:39 AM
Tiny
DESPRINTER
  • MEMBER
  • 5 POSTS
Here is the steering wheel.
Was this
answer
helpful?
Yes
No
Friday, January 10th, 2025 AT 9:42 AM
Tiny
KEN L
  • MASTER CERTIFIED MECHANIC
  • 55,488 POSTS
It looks like this car has cruise control, do you see the up and down arrows on the steering wheel and the set/cruise off and on where the level on the right, these are for the cruise control.
Was this
answer
helpful?
Yes
No
Friday, January 10th, 2025 AT 9:51 AM
Tiny
DESPRINTER
  • MEMBER
  • 5 POSTS
It came with aftermarket CC kit that I ordered. I installed my self.
Was this
answer
helpful?
Yes
No
Friday, January 10th, 2025 AT 11:35 AM
Tiny
KEN L
  • MASTER CERTIFIED MECHANIC
  • 55,488 POSTS
Gotcha, I would go back to one of the wheel speed sensor outputs, let me know if that works.
Was this
answer
helpful?
Yes
No
Saturday, January 11th, 2025 AT 9:06 AM

Please login or register to post a reply.