Can I get the PCM pinout?

Tiny
JOHN B. MANALANG
  • MEMBER
  • 2004 DODGE GRAND CARAVAN
  • 3.8L
  • 234,000 MILES
I recently replaced the punctured radiator; the engine overheated because the radiator sprang a leak. The car was fine but after a day, the engine would crank and start but would die out until after 5 starts it won't crank and start at all. All fuses were checked and found to be good. I found that there's no voltage input to the ignition circuit and fuel pump circuit. I tested all sensors, and all were okay. I concluded that the PCM must be the culprit. All other electrical circuits work okay.
Saturday, November 23rd, 2024 AT 9:55 AM

11 Replies

Tiny
CARADIODOC
  • MECHANIC
  • 34,489 POSTS
Before we get all "wrapped around the axle", there's a number of better things to consider. First, you were on the right track to check for fuel and ignition, but there won't be 12 volts to the ignition coil(s), injectors, and fuel pump or fuel pump relay just by turning on the ignition switch. To have 12 volts all the time would make a major fire hazard possible if a fuel line was ruptured in a crash. Instead, connect a test light to the wire that is the same color at the ignition coil pack or any injector, and set it so you can see it from the driver's seat, or have a helper turn the ignition switch for you. On your van that will be a brown / white wire.

A test light works best for this because most digital voltmeters don't respond fast enough. The test light should light up full brightness for one second when the ignition switch is turned on. That proves the automatic shutdown, (ASD) relay and its circuits are working. Next, the test light should turn on again during engine rotation, (cranking or running). If it does not, we have to look at the crankshaft position sensor and the camshaft position sensor. The Engine Computer needs to see steady signal pulses from them to know when to turn on the ASD relay.

You should be able to crank the engine three times when it fails to start. After that, the computer locks the system for a short time. I can't remember how long you have to wait, but as I recall, it's minutes, not hours.

If everything is okay up to this point, I have a suspicion you disconnected the battery during the recent repairs. If you did, it's almost a certainty the failure to run is due to low idle speed. To prove that, hold the accelerator pedal down 1/4" when you crank the engine. If that works, the engine is likely to quit again when you release the pedal. Low idle speed causes the failure to start, and a tendency to stall at stop signs. The solution is real simple. When the battery is reconnected, the computer relearns the personalities of the sensors right away. Fuel trim numbers are relearned as soon as you start driving, without you even noticing. The one huge exception is "minimum throttle". Until that is relearned, the computer won't know when it has to be in control of idle speed.

To meet the conditions for the relearn to take place, use two feet on the pedals if necessary, drive at highway speeds with the engine warmed up, then coast for at least seven seconds without touching the pedals.

The relearn will be cancelled if either pedal moves. If the relearn doesn't occur, it might be due to the brake pedal bouncing on rough roads. There's three separate circuits in the brake light switch, so you are likely to not see the brake lights flicker on bumpy roads, but the switch can still prevent the relearn from taking place. To check for that, do the coasting procedure while holding the brake pedal up with your foot. If that works, there are usually other unrelated symptoms at the same time, most notably, the cruise control turning off on rough roads.

See how far this gets you. I'll work on formatting the connector views for uploading in case you still need them.
Was this
answer
helpful?
Yes
No
Saturday, November 23rd, 2024 AT 8:35 PM
Tiny
JOHN B. MANALANG
  • MEMBER
  • 6 POSTS
I already mentioned that the engine won't crank or start! I also mentioned that all sensors were tested okay.
Was this
answer
helpful?
Yes
No
Saturday, November 23rd, 2024 AT 9:07 PM
Tiny
CARADIODOC
  • MECHANIC
  • 34,489 POSTS
I addressed the common causes "won't crank" and "won't run". You also said it would "start and die out". I've posted the solution for that five or six dozen times over the years, with a huge success rate. Why would I not include that for you? So now we're diagnosing the starter circuit? Did you see that it is designed to prevent cranking after three unsuccessful attempts? You didn't bother to mention if that could be the issue, or if you waited plenty of time for it to reset, so don't expect me to know what is happening.

Testing sensors is futile. The computer does that for you. Also, only a couple of sensors can be tested manually. Most of them have electronic circuitry inside, so all you can do is check if they have their 5.0-volt, 8.0-volt, or 12-volt supplies, and grounds. That too is pointless as only the crankshaft position sensor or camshaft position sensor will prevent the engine from running. Only the older two-wire sensors could be tested for continuity, but there could still be mechanical issues to prevent them from developing their signals.

The only sensor that can prevent the starter circuit from working is the transmission range sensor. That's today's version of the neutral safety switch.

I just got done copying the connector views you asked for and the diagrams. Let me know if you still want those. It takes time to format them, then I can post them tomorrow. To get you started, here's the connector views for the Engine Computer as I get them. I need to take them home where I don't have internet, hop out of my freezing Caravan, run into my tiny room in my garage where I can be warm while reformatting these so they're easier to read. In spite of having a major house fire, I do this to help you solve your problems. Please be patient, and don't be shy about providing more details or observations.
Was this
answer
helpful?
Yes
No
Saturday, November 23rd, 2024 AT 9:43 PM
Tiny
CARADIODOC
  • MECHANIC
  • 34,489 POSTS
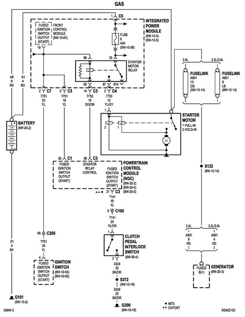
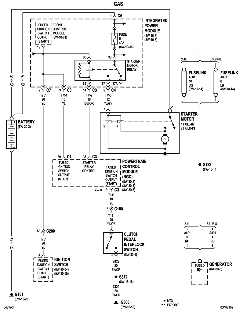
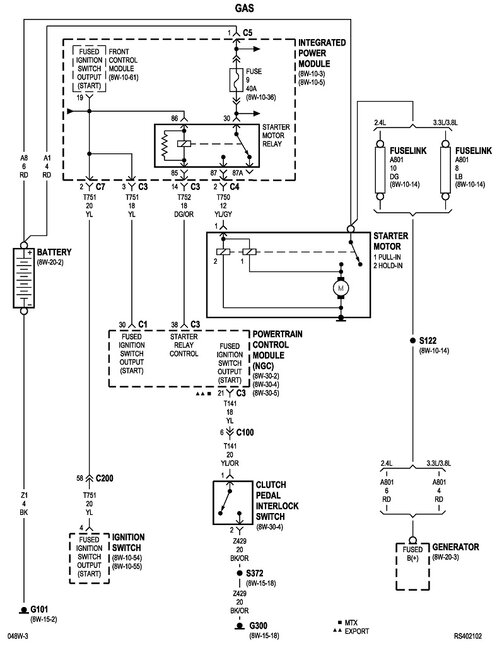
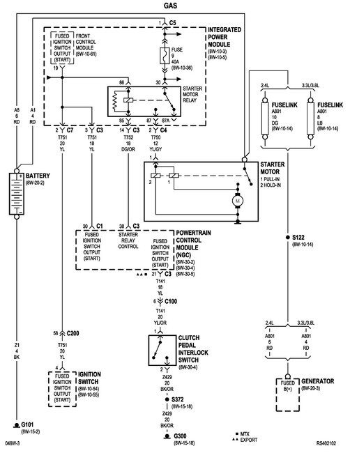
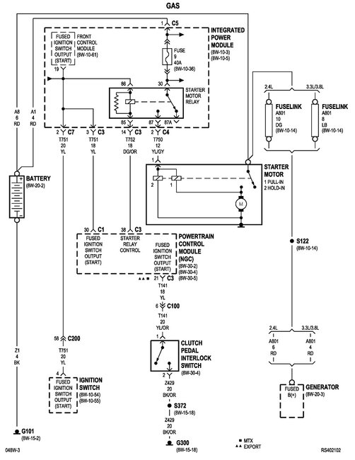
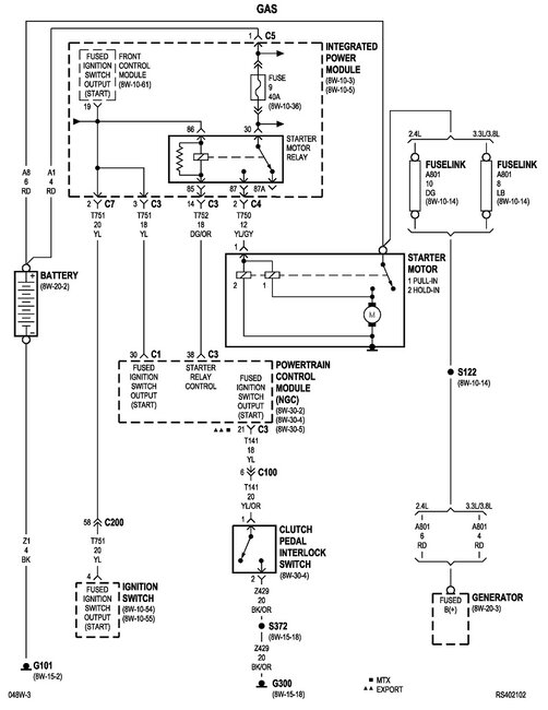
Here's the starter circuit expanded as much as I can. If it's too hard to read, first try to copy it into a typing program where it can be expanded more. I use MS Word. If that isn't an option, let me know, then I'll cut it in half so each part can be expanded more.
Was this
answer
helpful?
Yes
No
Saturday, November 23rd, 2024 AT 9:49 PM
Tiny
JOHN B. MANALANG
  • MEMBER
  • 6 POSTS
I have the complete circuit diagram, will try to replace the PCM tomorrow.
Was this
answer
helpful?
Yes
No
Saturday, November 23rd, 2024 AT 10:23 PM
Tiny
CARADIODOC
  • MECHANIC
  • 34,489 POSTS
Please keep me updated on your progress.
Was this
answer
helpful?
Yes
No
Saturday, November 23rd, 2024 AT 10:35 PM
Tiny
JOHN B. MANALANG
  • MEMBER
  • 6 POSTS
I'll let you know tomorrow. Thanks
Was this
answer
helpful?
Yes
No
Saturday, November 23rd, 2024 AT 11:32 PM
Tiny
CARADIODOC
  • MECHANIC
  • 34,489 POSTS
I have the connector views reformatted if you need them. I also copied the connectors for other systems like the radio, instrument cluster, Body Computer, and the Air Bag system while I was at it. I also copied 17 diagrams for "Power Train Management", in other words, the Engine Computer. They're ready to post if you tell me. These are straight out of the Chrysler service manual so they can be hard to follow unless I explain some details. If you have diagrams already from an aftermarket source, they can be considerably easier to follow, but they leave out a lot of splice and intermediate connector details. Will wait to hear on your progress.
Was this
answer
helpful?
Yes
No
+1
Sunday, November 24th, 2024 AT 4:59 PM
Tiny
JOHN B. MANALANG
  • MEMBER
  • 6 POSTS
My car is working now, I replaced the ECU and it's okay now. Thank you so much for your help. God bless.
Was this
answer
helpful?
Yes
No
Monday, November 25th, 2024 AT 3:53 PM
Tiny
CARADIODOC
  • MECHANIC
  • 34,489 POSTS
Dandy. Very happy to hear you solved this so quickly. Please come back to see us again.
Was this
answer
helpful?
Yes
No
+1
Monday, November 25th, 2024 AT 4:23 PM
Tiny
JOHN B. MANALANG
  • MEMBER
  • 6 POSTS
More power to you, thank you.
Was this
answer
helpful?
Yes
No
Monday, November 25th, 2024 AT 4:24 PM

Please login or register to post a reply.