Saturday, December 4th, 2021 AT 3:34 PM
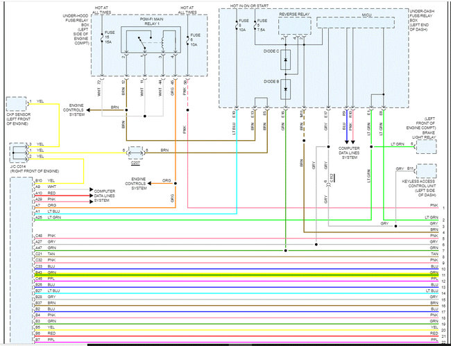
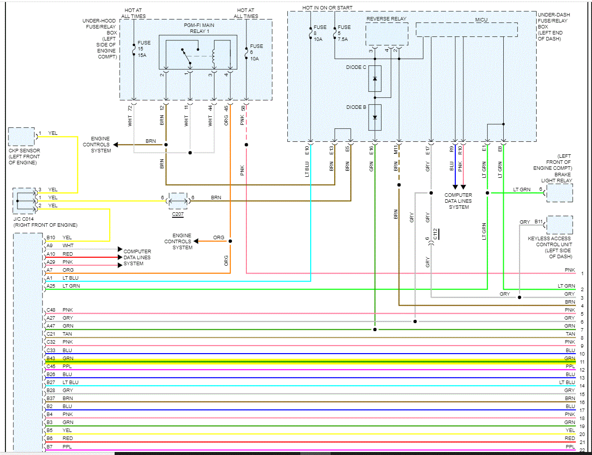
I recently changed out the speed sensor on my daughter's car listed above and pulled the wires out of the Molex connector, now that I soldered the new wires to the pins, now I don't know the color code I have green, pink, and red I'm thinking they go in that sequence but not positive green being ground pink being signal and red power. Can someone help Google sure can't?







