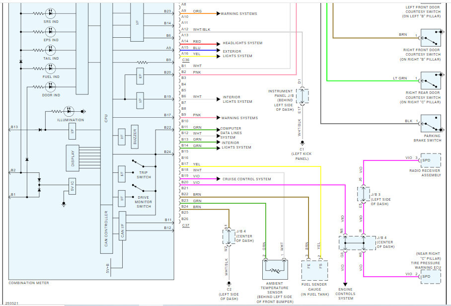
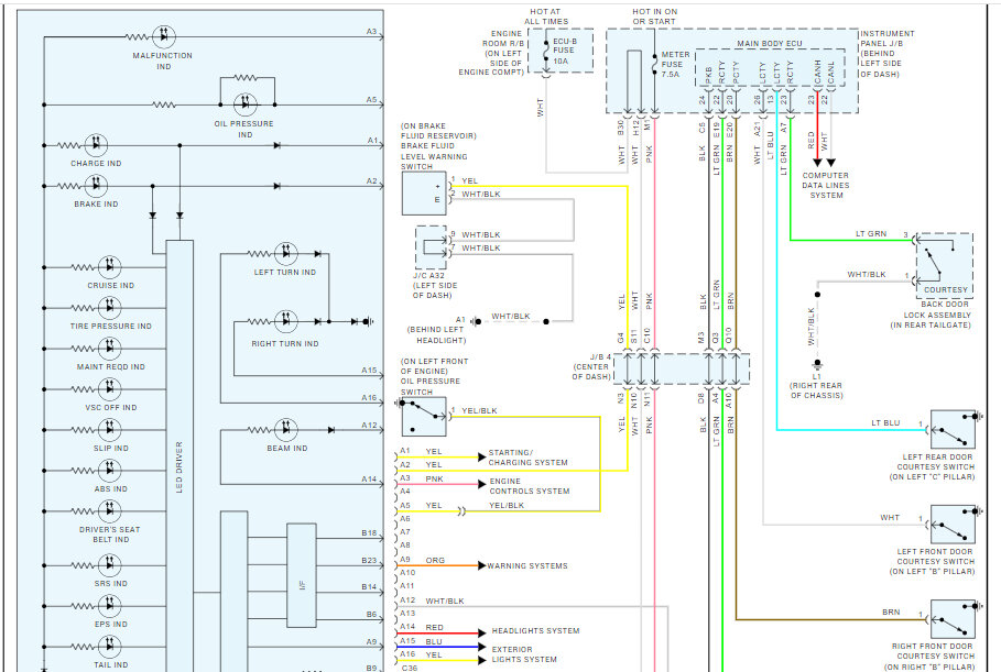
2008-2015 Scion xB. i need each wire i ask in a specific color:
Speedometer highlighted: blue
RPM: green
Power: red
Ground: brown
Thanks
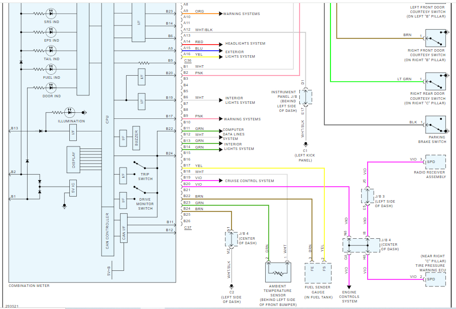
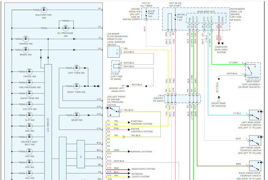
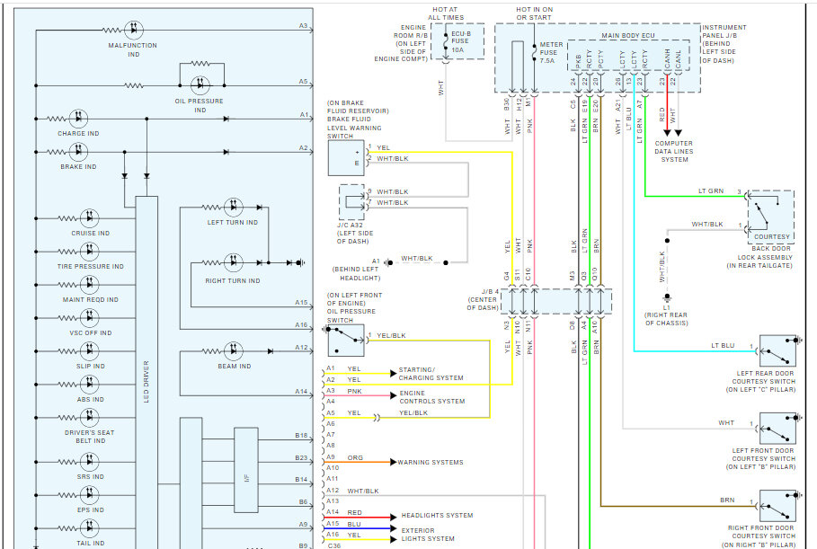
Speedometer highlighted: blue
RPM: green
Power: red
Ground: brown
Thanks
Jan 1, 2024 at 11:36 AM

