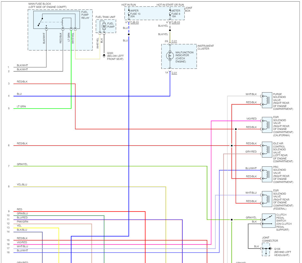
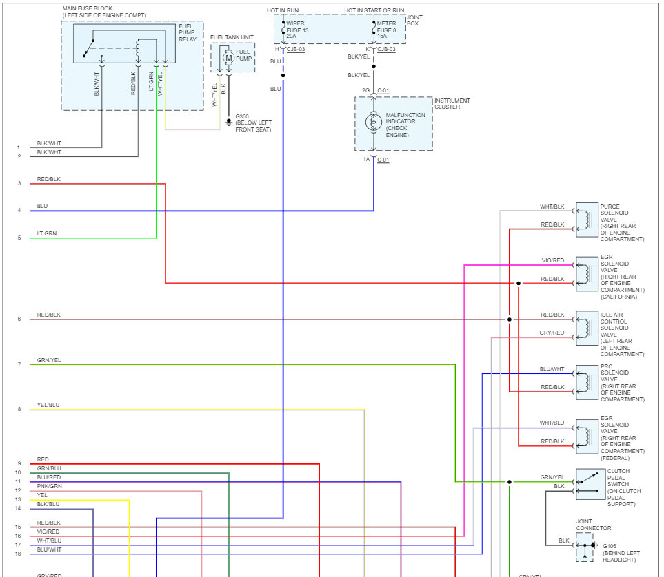
I have the car listed above, FS 2.0 engine, which damaged the male plugs which plugs into the distributor. There are two male plugs in total, one 6-pin and the other 3-pin.
Now, the diagrams I have found are different by two or three colors on the 6-pin connector none match my wires exactly. The wire colors are as follows:
Thick black/white - 12v from ignition switch
Green - to tacho
Black/yellow
Yellow/white
Orange
Black/red (this one goes into data link connector)
Thick Red/black
Black - Ground
Yellow
I know that the BLK/WHT is 12v from switch GRN is TACH signal both of these go into the 3 pin plug the last third one I do not know. I know though that if I sort out the rest, all of the others will be sorted out by default.
All the diagrams I was able to find do not match my customer's car exactly. So, I do not want to risk frying the PCM.
If someone could help me with the pin diagram and wire colors. Pretty please.
Sizwe
Friday, June 16th, 2023 AT 1:27 PM









