HOME
ASK A QUESTION
REPAIR GUIDES
BECOME A MEMBER
LOG IN
Login with Facebook
OR
Remember me
NOT A MEMBER?
FORGOT PASSWORD?
CONTACT US
PRIVACY POLICY
TERMS AND CONDITIONS
☰
Home
Volkswagen
Golf
Engine
Wiring
Transmission control module wiring diagram
ELIJAHADEGAHI
MEMBER
2004 VOLKSWAGEN GOLF
1.6L
4 CYL
2WD
AUTOMATIC
365,457 MILES
Please I need the complete wire diagram and the location of the transmission control module. Please, thank you.
Monday, March 2nd, 2020 AT 2:10 PM
1 Reply
KASEKENNY
MECHANIC
18,907 POSTS
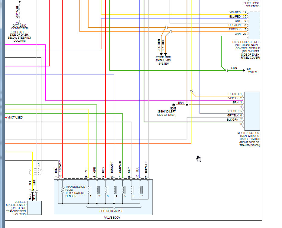
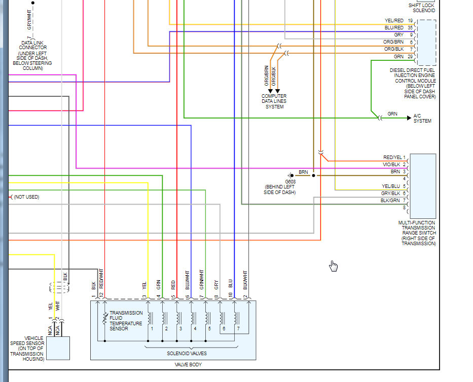
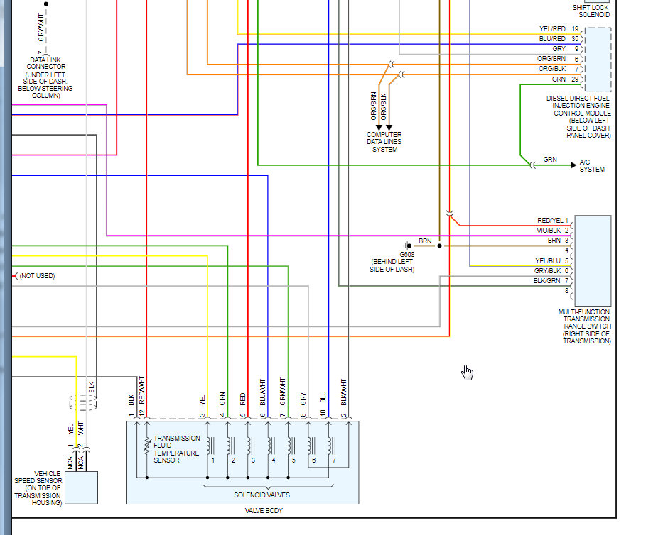
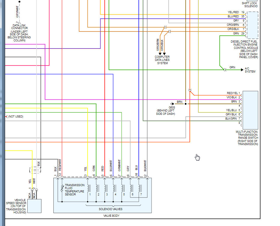
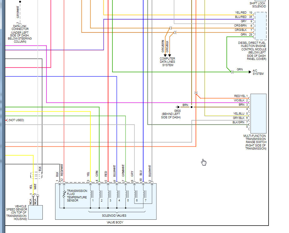
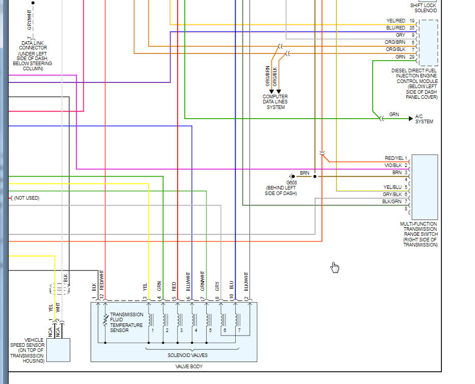
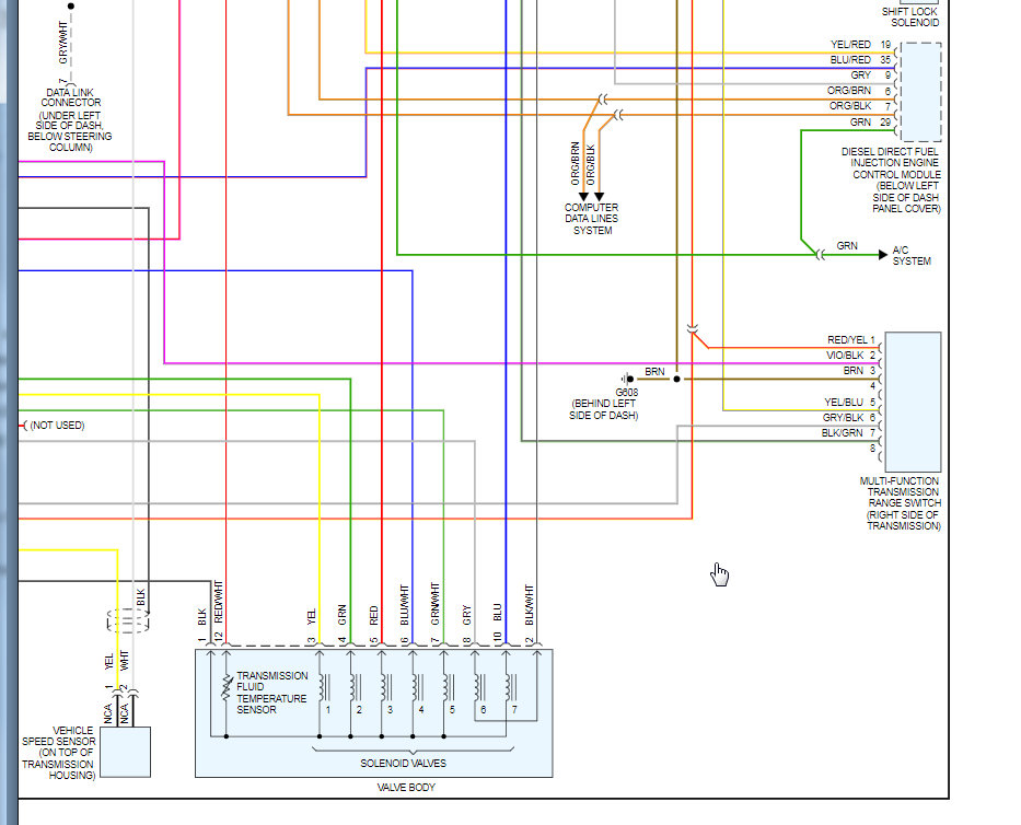
I attached the wiring diagram that you requested. However, it appears there are options on which transmission so hopefully this matches your vehicle.
The diagram states the TCM is at the base of the windshield on the passenger side in the plenum.
Images (Click to make bigger)
Was this
answer
helpful?
Yes
No
+6
Monday, March 2nd, 2020 AT 2:25 PM
Please
login
or
register
to post a reply.
Related Engine Wiring Content
Is £1600 For Vw Golf 1.9 Tdi Engine Replacement Cost...
I'm Being Charged £1600 For An Engine Replacement On 2004 Vw Golf 1.9 Tdi. Is This An Acceptable Price? The Bottom Pistons Are Worn And...
Asked by
kalnar
·
1 ANSWER
2004
VOLKSWAGEN GOLF
1999 Volkswagen Golf Mass Airflow Issue?
I Have A 1999 Golf With Some Issues. My Biggest One Is When I Am Driving The Vehicle Slowly Or When I T Is Idling The Car Does Not Have An...
Asked by
99golf
·
16 ANSWERS
1999
VOLKSWAGEN GOLF
1996 Volkswagen Golf Oil Pan
Hi Im Tring To Take Off My Oil Pan Rigth Now And All The Screw Ar Out If Theres Hidden One I Dont Know It Juste Dont Want To Comme Down Do...
Asked by
crowd
·
11 ANSWERS
1996
VOLKSWAGEN GOLF
1996 Volkswagen Golf Engine Swap
Hi, I Have A 1996 Golf Vin 106457 And I Am Trying To Swap In A Used Engine From A Recycler This Engine Is From A Jetta And Has A Vin Code...
Asked by
bsnell
·
1 ANSWER
1996
VOLKSWAGEN GOLF
Blown Turbo Pipe And Grey Liquid On Engine Cover
To Celebrate My Car's One Hundred Thousand Mile Milestone I Decided To Have The Timing Belt Changed At A Local Garage. After About An...
Asked by
Eq2112
·
3 ANSWERS
2 IMAGES
2005
VOLKSWAGEN GOLF
VIEW MORE
Ask a Car Question. It's Free!
How to Use a Test Light
Serpentine Belt Replacement Ford Explorer
Throttle Body Actuator Service Toyota Prius 2