Codes b124b and B1325?

Tiny
HONEYBOBO
  • MEMBER
  • 2016 CHEVROLET SILVERADO
  • 5.3L
  • V8
  • 2WD
  • AUTOMATIC
  • 95,000 MILES
I did all the basics load test the battery check for good battery, connection, and not any problems except having a slight hesitation at hard throttle and a problem with getting a Bluetooth connection. I found the service bulletin for this problem and started doing a voltage drop test on the battery cables, but they all seemed okay but I really need a wiring diagram for the body control module and a pin out. And maybe there’s a flow chart to trace this problem being an open circuit and having a service bulletin. This seems to be a very common problem.
Tuesday, December 10th, 2024 AT 1:40 PM

11 Replies

Tiny
KEN L
  • MASTER CERTIFIED MECHANIC
  • 55,281 POSTS
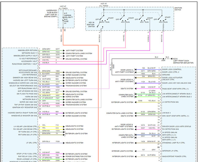
Yep, it sounds like the BCM has gone out which is common, but here are the wiring diagrams so you can see how the system works and check the grounds and power inputs to confirm the failure. I would also check the 8 BCM power fuses which as in the wiring diagrams as well.

Code B124B pertains to the rear defogger relay control circuit. This issue is discussed in TSB 17-NA-345

Code B1325 relates to control module power circuit low/high voltage. This issue is addressed in TSB 18-NA-161

This guide can help:

https://www.2carpros.com/articles/how-to-check-wiring

Check out the images (below). Please upload pictures or videos in your response of any problems so we can see what to help you with.
Was this
answer
helpful?
Yes
No
+1
Wednesday, December 11th, 2024 AT 11:21 AM
Tiny
HONEYBOBO
  • MEMBER
  • 6 POSTS
Thanks for fast response, I have gone over the things I have found from service bulletin and checked My battery cables, and they are all good. I added a ground strap to the body and cleaned the ones that I found. I had to replace the starter after doing voltage load test on cables. I guess it was on its way out, I have been doing a lot of research, and I ran across this service bulletin, check it out bulletin:
NO :Pic5910c I’ll send pic , another question, how hard is it to get to the ground location for BCM that is supposed to be right below the driver side pillar, do you have to pull the instrument cluster or is there another way to get around all that?I just want to get to the bottom of this as quick as possible because, if it needs a body control module, I may just sell the truck the way it is after I find out how much it’s going to cost to have one programmed and the cost of one. Also, the USB connector in the center console is not connected so that must be my open circuit and I want to know if there is a way to bypass that or do I have to find a replacement And by looking at the center console there does not look like there is any way to open it up to get to USB plug. I’ll start going over all this info you sent me and get back to you, let me see if I can send you that bulletin I found I’m going to go fire up my printer. Thanks
Was this
answer
helpful?
Yes
No
Wednesday, December 11th, 2024 AT 6:33 PM
Tiny
HONEYBOBO
  • MEMBER
  • 6 POSTS
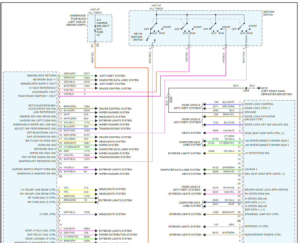
I just started looking at the diagram and I do not see how to reference the connectors (there is plug color key) each plug had different color and I do not see where to figure out how to read it really confusing, where do I need to look?
Thanks
Was this
answer
helpful?
Yes
No
Wednesday, December 11th, 2024 AT 6:58 PM
Tiny
HONEYBOBO
  • MEMBER
  • 6 POSTS
Now that I’m looking at it looks like this the PCM maybe anyway get back with me on this. Thanks
Was this
answer
helpful?
Yes
No
Wednesday, December 11th, 2024 AT 7:18 PM
Tiny
KEN L
  • MASTER CERTIFIED MECHANIC
  • 55,281 POSTS
Wiring diagrams are like road maps, just follow the wires and they say what they do. If the wiring has not been tampered with, I would try the reprogrammed BCM.
Was this
answer
helpful?
Yes
No
-1
Thursday, December 12th, 2024 AT 12:39 PM
Tiny
HONEYBOBO
  • MEMBER
  • 6 POSTS
Wow, I see diagram for BCM now it did not get printed. Could you send the pin out for it? Thanks
Was this
answer
helpful?
Yes
No
Friday, December 13th, 2024 AT 9:06 PM
Tiny
KEN L
  • MASTER CERTIFIED MECHANIC
  • 55,281 POSTS
You are welcome, please let me know what you find.
Was this
answer
helpful?
Yes
No
Saturday, December 14th, 2024 AT 10:20 AM
Tiny
HONEYBOBO
  • MEMBER
  • 6 POSTS
Could you now send me a PIN OUT for all 7 plugs that go in it? Thanks
Was this
answer
helpful?
Yes
No
Saturday, December 14th, 2024 AT 6:27 PM
Tiny
KEN L
  • MASTER CERTIFIED MECHANIC
  • 55,281 POSTS
I am sorry they don't give the BCM pin outs.
Was this
answer
helpful?
Yes
No
Sunday, December 15th, 2024 AT 10:40 AM
Tiny
KEN L
  • MASTER CERTIFIED MECHANIC
  • 55,281 POSTS
I would just use the wiring diagrams, you can tell what each wires does.
Was this
answer
helpful?
Yes
No
Tuesday, December 17th, 2024 AT 1:00 PM
Tiny
HONEYBOBO
  • MEMBER
  • 6 POSTS
Thanks. I think I can sell it like it is. Merry Christmas.
Sent from my iPad. Louis Nagy
Was this
answer
helpful?
Yes
No
Tuesday, December 17th, 2024 AT 5:34 PM

Please login or register to post a reply.