Heater blower motor location

Tiny
HENDU7
  • MEMBER
  • 2001 INFINITI I30
  • V6
  • 2WD
  • AUTOMATIC
  • 190,000 MILES
I replaced the resistor but that didn't fix the problem. So I am trying to find the relay to replace it and see if that works prior to replacing the whole blower motor. I cannot locate the relay under the hood or inside under the dashboard. Can someone please tell me where it is so that I can get to it and put the new part in to see if that fixes my problem?

Thank you!
Wednesday, February 6th, 2019 AT 2:12 PM

12 Replies

Tiny
ASEMASTER6371
  • MECHANIC
  • 52,796 POSTS
Good afternoon,

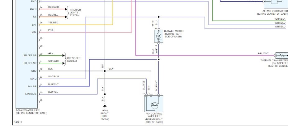
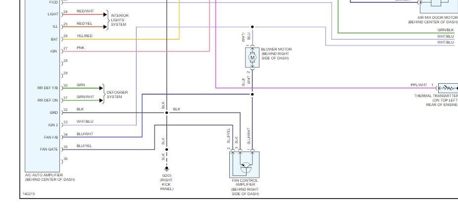
The relay is located right by the blower motor.

I posted a picture of it.

What is the exact issue?

Roy
Was this
answer
helpful?
Yes
No
+1
Wednesday, February 6th, 2019 AT 2:16 PM
Tiny
HENDU7
  • MEMBER
  • 7 POSTS
The heat and cool works, the fan just doesn't blow at all. Normally I just set whatever internal temperature I want my system to keep it, and it turns the heat or A/C on and adjusts the motor speed (from 1-4). Now I have my heat set at 90 degrees, but the fan doesn't turn on at all. Once I hit the freeway it pushes enough air through to sort of warm the inside up, but the fan just doesn't kick on. Like I said, I replaced the resistor already as that is what the majority of my Google searches said would be the issue, but that didn't fix it. My next step was to try the relay and hope that works rather than having to replace the whole blower motor. I hope that answers your question, feel free to respond if you have any more and thank you for the quick reply!
Was this
answer
helpful?
Yes
No
Wednesday, February 6th, 2019 AT 2:23 PM
Tiny
HENDU7
  • MEMBER
  • 7 POSTS
One other question as well. Is the blower motor under the dash on the passenger side? Or do I access it from under the hood? I'm sorry I don't know very much about car repair but I want to learn!
Was this
answer
helpful?
Yes
No
Wednesday, February 6th, 2019 AT 2:26 PM
Tiny
ASEMASTER6371
  • MECHANIC
  • 52,796 POSTS
Under the dash below the glove box. Easy to get to.

Roy
Was this
answer
helpful?
Yes
No
+1
Wednesday, February 6th, 2019 AT 2:48 PM
Tiny
HENDU7
  • MEMBER
  • 7 POSTS
Thank you so much! I will take a look at this tonight when I get home and see if I can get it sorted out.
Was this
answer
helpful?
Yes
No
Wednesday, February 6th, 2019 AT 2:53 PM
Tiny
ASEMASTER6371
  • MECHANIC
  • 52,796 POSTS
Sounds like a plan.

Keep us updated.

Roy
Was this
answer
helpful?
Yes
No
Wednesday, February 6th, 2019 AT 2:58 PM
Tiny
HENDU7
  • MEMBER
  • 7 POSTS
Okay, so I've done more digging. It is the motor that is out. The replacement part that AutoZone and O'Reilly's are trying to sell me is PM2729. But the hose for that one is too small and I'd have to rewire the connection because my current one has a plug and the new motor has wires hardlined in. Would something like PM9186 work? It looks identical to the blower motor I pulled from my car, has the right size air tube (from what I can see in the picture) and has the same plug that's already wired in my car. Any help as to why this one wouldn't work would be greatly appreciated! Thank you guys!
Was this
answer
helpful?
Yes
No
Tuesday, March 5th, 2019 AT 12:03 PM
Tiny
ASEMASTER6371
  • MECHANIC
  • 52,796 POSTS
Is this what you need?

Roy
Was this
answer
helpful?
Yes
No
Tuesday, March 5th, 2019 AT 1:21 PM
Tiny
HENDU7
  • MEMBER
  • 7 POSTS
Yes, I was told I could use the wheel off my old motor, because they don't have then with the wheels, but that looks like the one I pulled out.
Was this
answer
helpful?
Yes
No
Tuesday, March 5th, 2019 AT 1:23 PM
Tiny
ASEMASTER6371
  • MECHANIC
  • 52,796 POSTS
Rockauto. Com

They have them.

Roy
Was this
answer
helpful?
Yes
No
Tuesday, March 5th, 2019 AT 1:35 PM
Tiny
HENDU7
  • MEMBER
  • 7 POSTS
Thank you! I found the same one on Amazon as well and since I get free shipping and they get it here faster I picked it up from them. Once again you guys have saved me money. I really, truly appreciate your help!
Was this
answer
helpful?
Yes
No
Tuesday, March 5th, 2019 AT 1:49 PM
Tiny
ASEMASTER6371
  • MECHANIC
  • 52,796 POSTS
You are welcome.

Always glad to help.

Roy
Was this
answer
helpful?
Yes
No
Tuesday, March 5th, 2019 AT 1:58 PM

Please login or register to post a reply.