Blower resistor location

Tiny
TOMMYALLEN
  • MEMBER
  • 1997 CADILLAC STS
  • V8
  • 2WD
  • AUTOMATIC
  • 253,000 MILES
Fan was working intermittently but now not at all. Want to replace resistor but can't locate it.
Monday, July 1st, 2019 AT 9:48 PM

1 Reply

Tiny
KASEKENNY
  • MECHANIC
  • 18,907 POSTS
Hi TommyAllen,

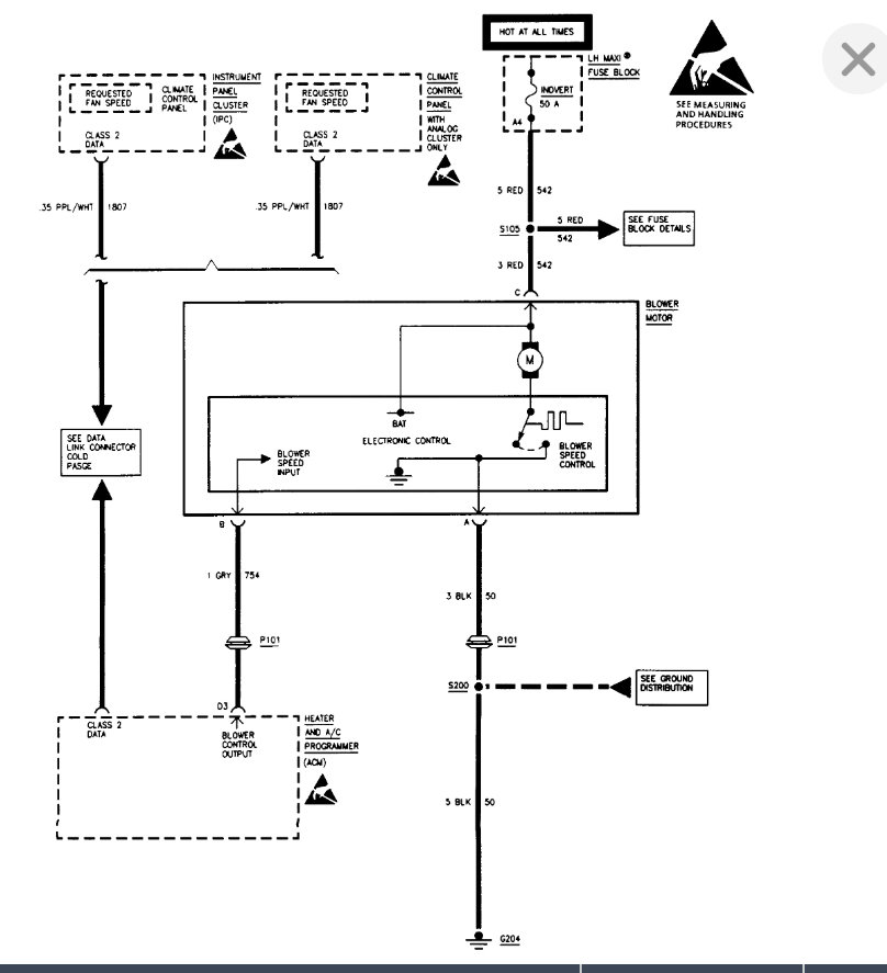
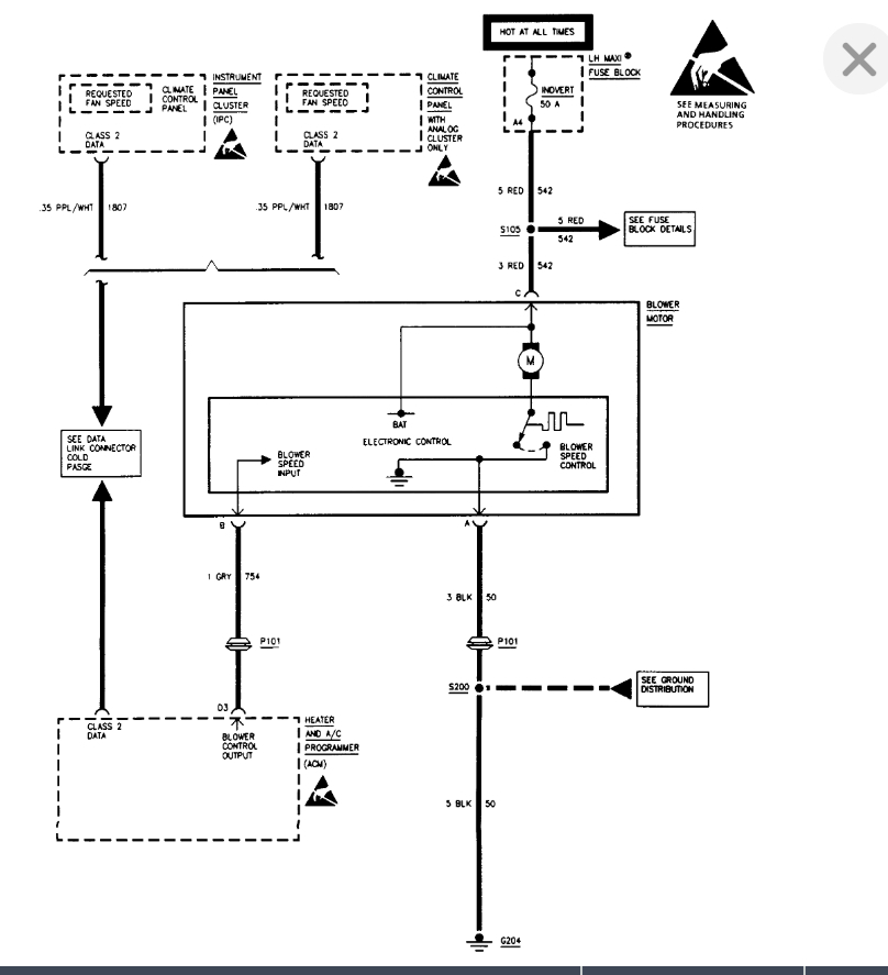
That would be because there is no resistor for the front blower motor. If you have a rear system then that has a resistor but the front is controlled by ACM. Detail is attached.

There is a speed control resistor/switch within the blower motor but again they are controlled by the module.

If the fan does not work, I would suggest making sure you have voltage on the power feed wire (red) and the gray wire when it is on and if you do then you need to replace the motor.

Let me know if you have questions and we can go from there. Thanks
Was this
answer
helpful?
Yes
No
Tuesday, July 2nd, 2019 AT 5:42 PM

Please login or register to post a reply.