Wiring schematics needed for the left-hand rail to taillight?

Tiny
KZ ZEN
  • MEMBER
  • 1997 GMC C1500
  • 5.7L
  • V8
  • 4WD
  • AUTOMATIC
  • 1,000,000 MILES
My rear brake lights and blinkers are not working and I have a few wires not connected.

The truck listed above is a k1500.
Friday, March 31st, 2023 AT 11:21 PM

1 Reply

Tiny
JACOBANDNICKOLAS
  • MECHANIC
  • 110,194 POSTS
Hi,

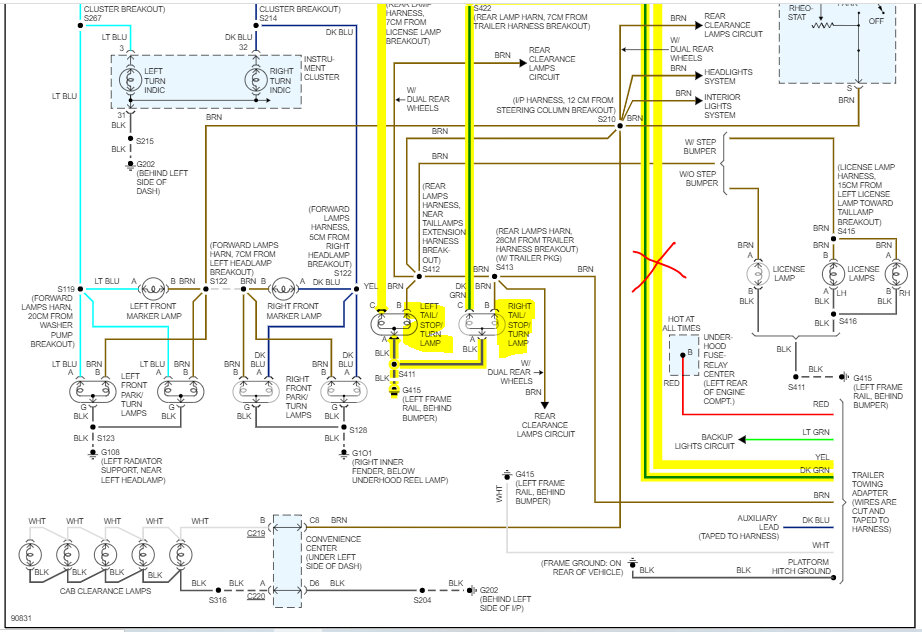
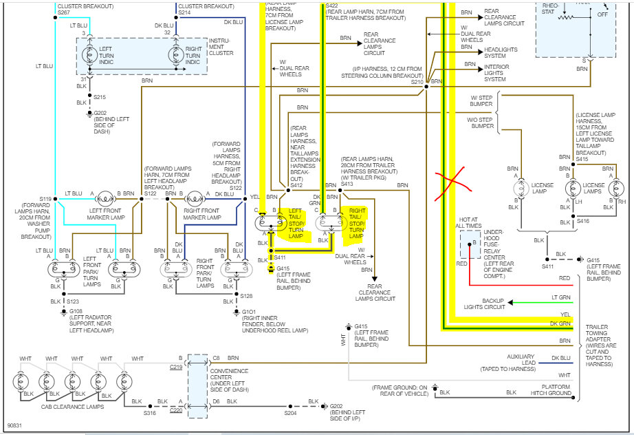
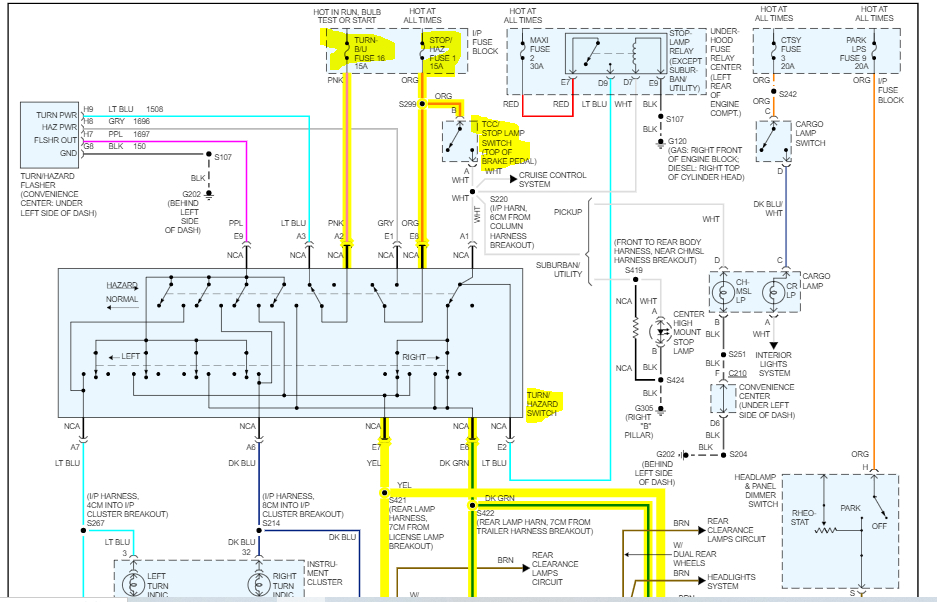
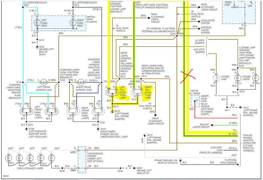
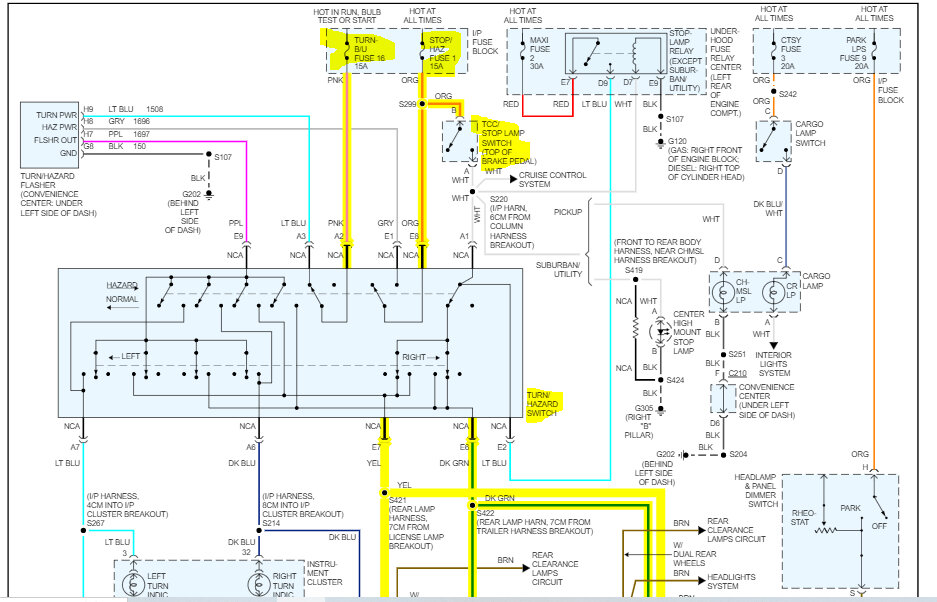
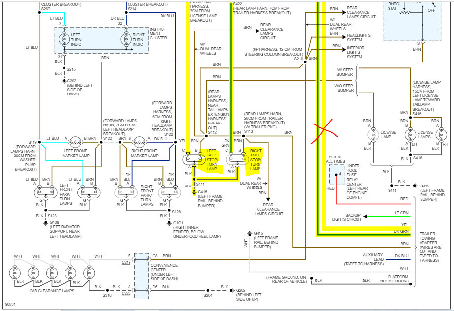
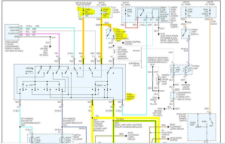
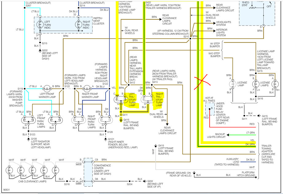
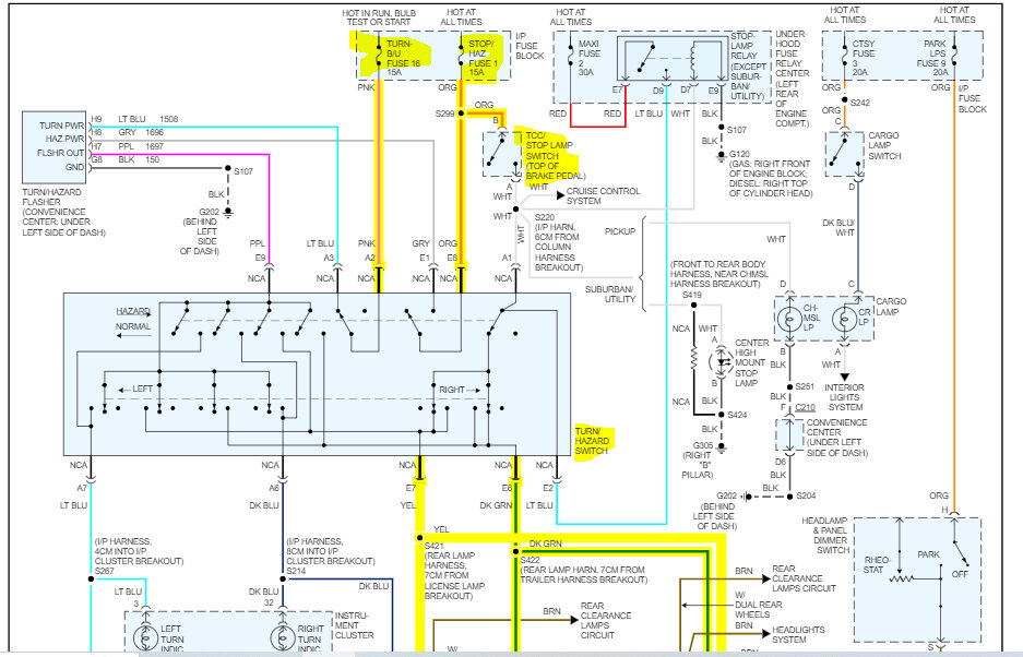
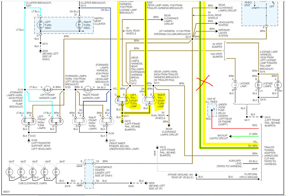
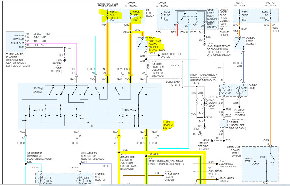
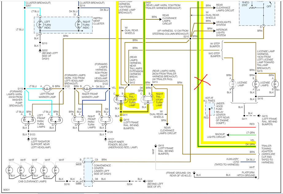
I attached the rear lamp wiring schematic below. I highlighted the wires that are relevant for the rear as well as which fuses to check.

Let me know if this helps or if you have other questions.

Take care,

Joe

See pics below. Note: I had to cut the pic in two to make them readable. I did overlap them so you can follow from one to the next.
Was this
answer
helpful?
Yes
No
+1
Friday, March 31st, 2023 AT 11:39 PM

Please login or register to post a reply.