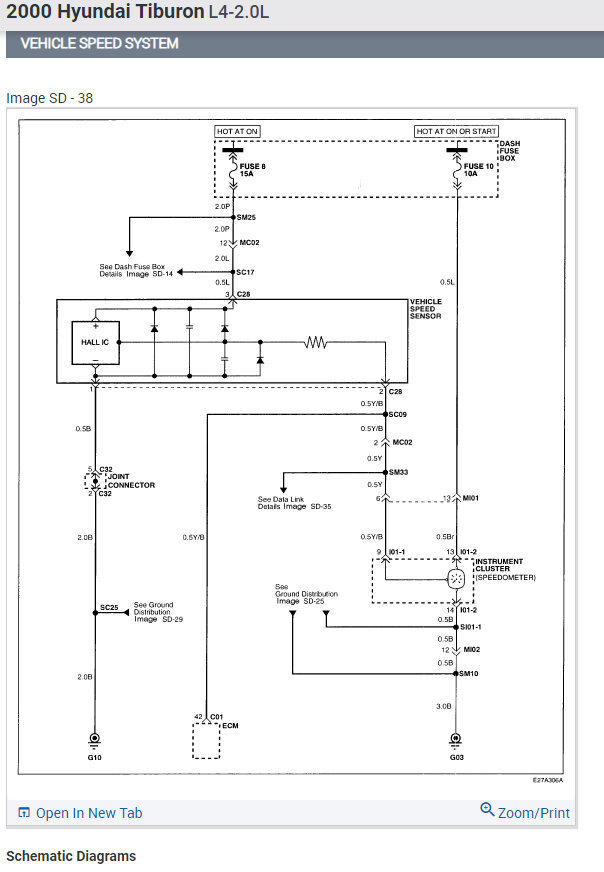
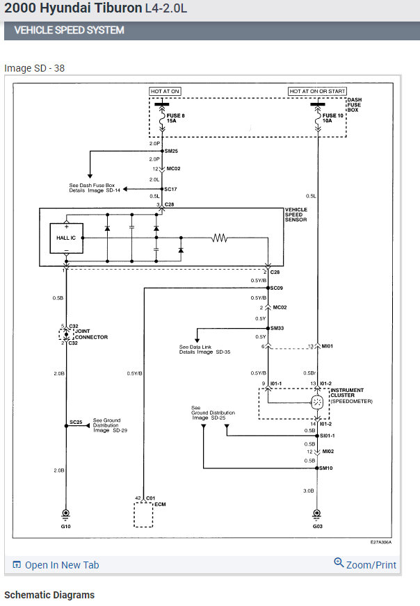
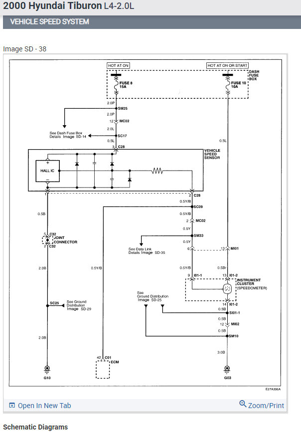
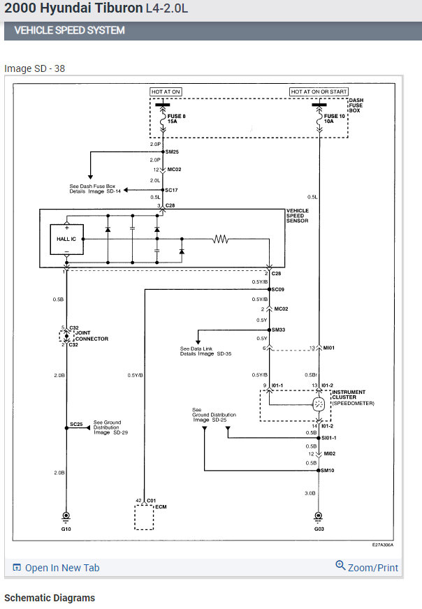
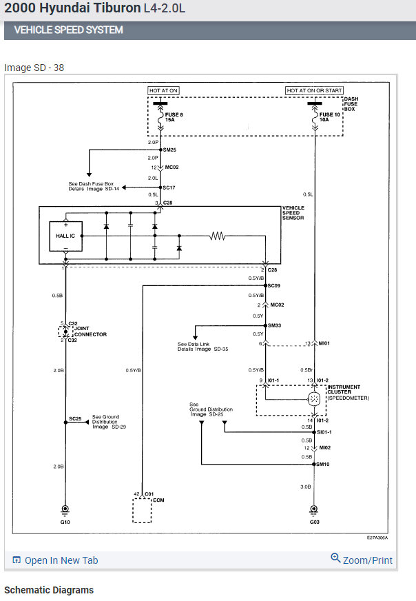
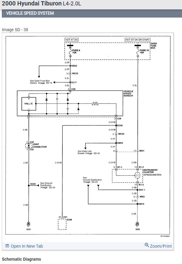
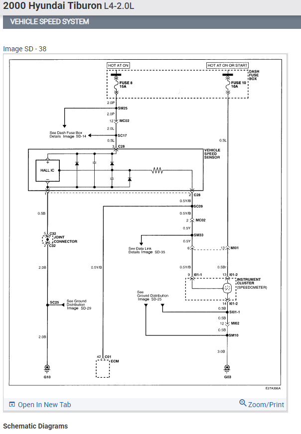
Tuesday, July 20th, 2010 AT 8:11 PM
My speedo is on the frits it wont work one minute then it will. Sometimes it will bounds up and down like it's a loose wire but does it go to the transmission or is there some kid of mechanical part?




