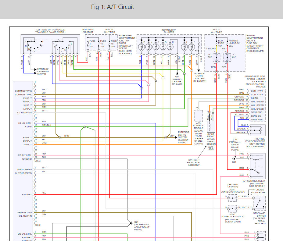
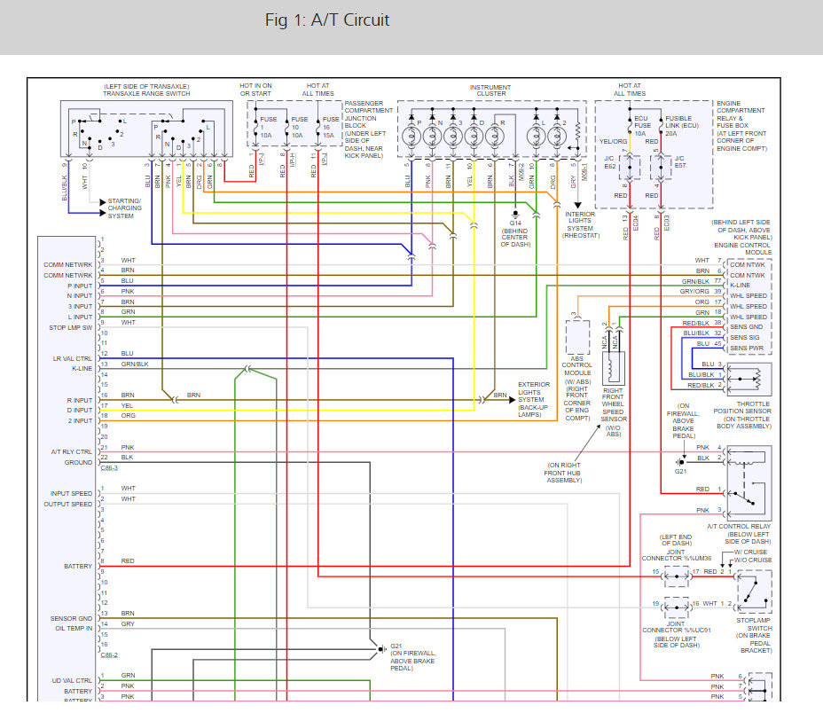
Autozone pulled codes P0715, sold me a shaft speed sensor which I replaced, but they did not know what a "Scair solenoid circuit malfunction" was for code P1529.
Unfortunately replacing the speed sensor has not helped. I did think it was unusual that the old sensor had a plastic gear on a shaft that inserts into the sensor, but the new one did not come with it. I assumed that using the old gear/shaft in the new sensor was okay.
What can I do about this other code?
Monday, April 30th, 2007 AT 6:19 PM





