Sunday, July 20th, 2008 AT 9:57 PM
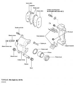
While I don't know much about cars, I have always managed to change my own brake pads. However, when I went to change the front brake pads on my 2005 Hyundai Accent I ran into a problem. I see the bottom bolt that holds on the pads, but where I'm used to there being a top bolt, all I see is a large silver peg. How do I remove this peg (do I remove this peg?), So I can get the front pads off? Also, after I get past this step are there any other problems I might run into that I would not have encountered by doing brakes on other models before?

