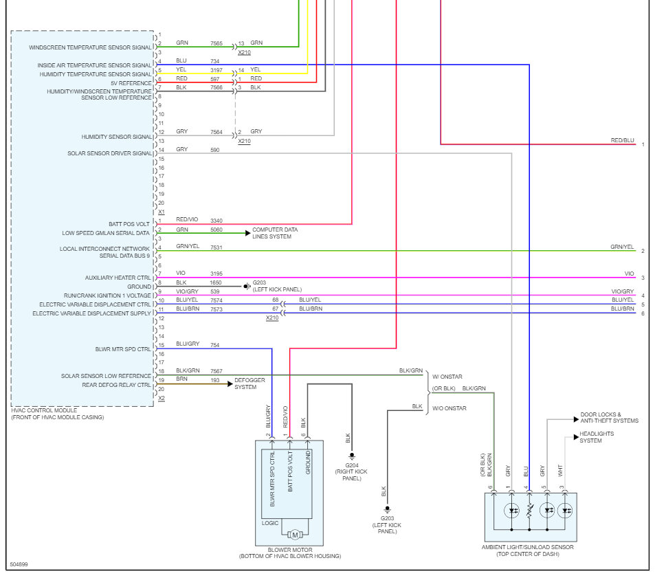
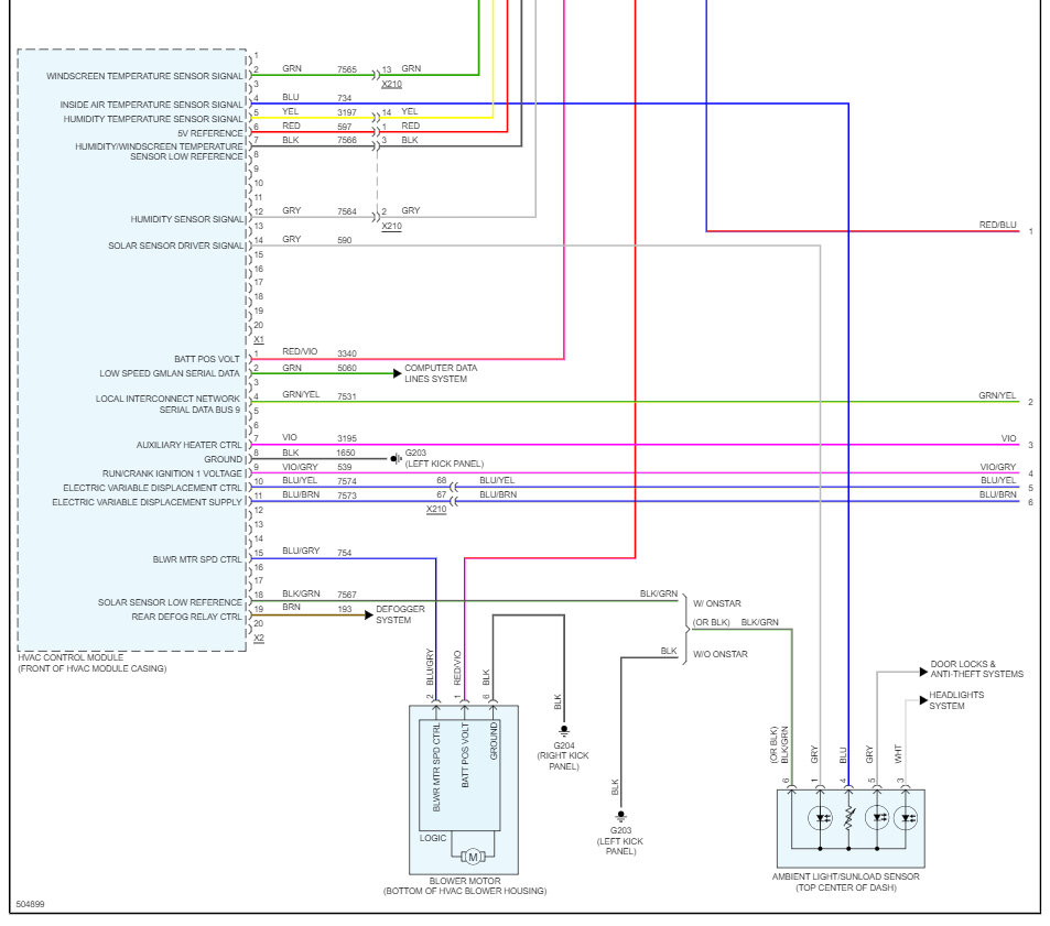
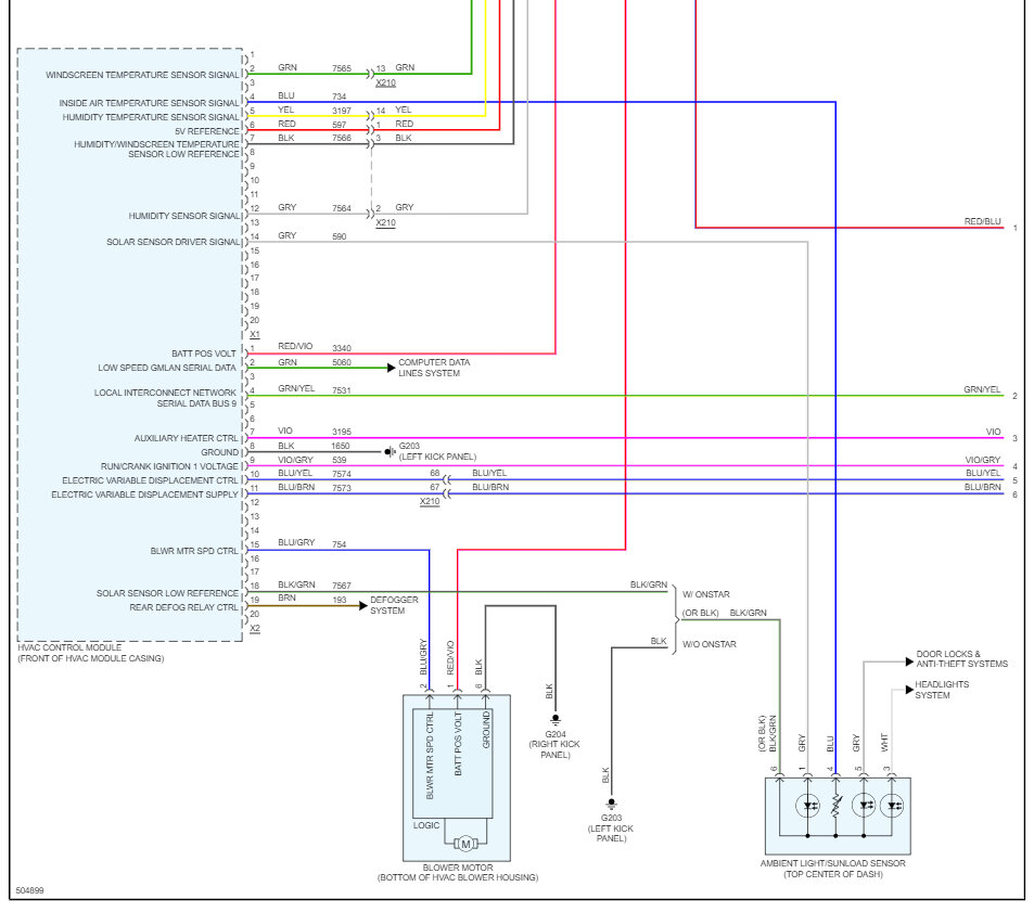
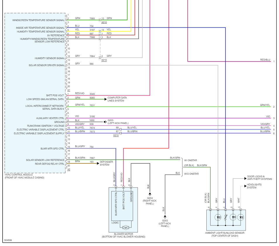
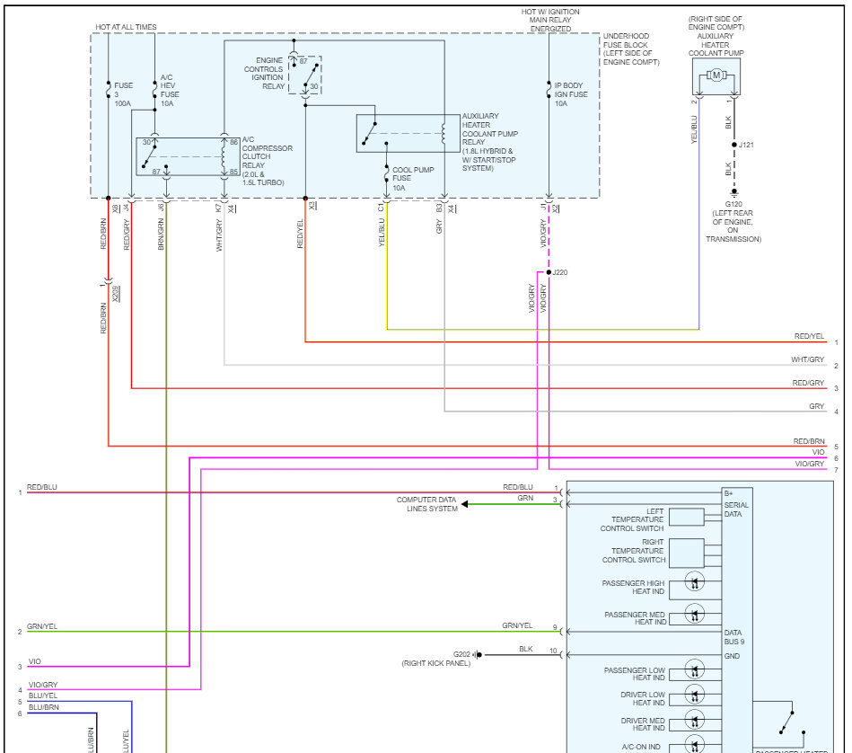
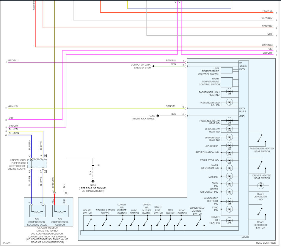
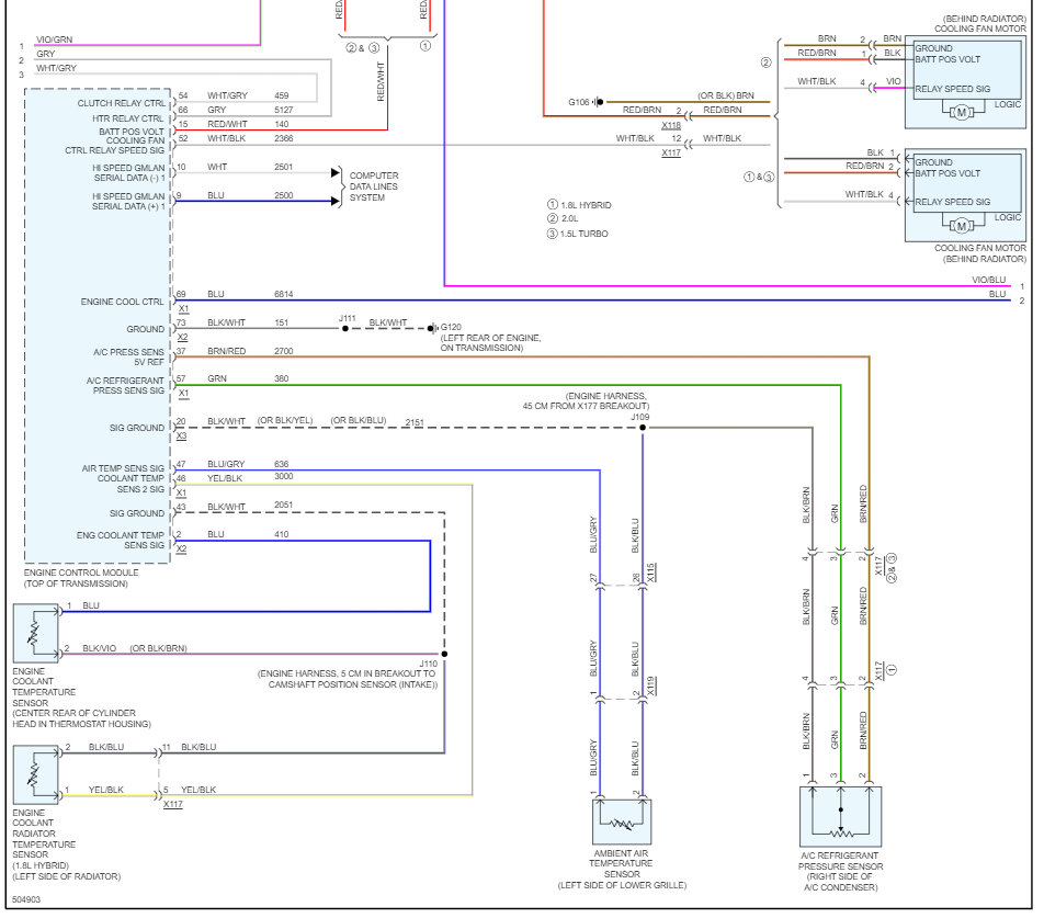
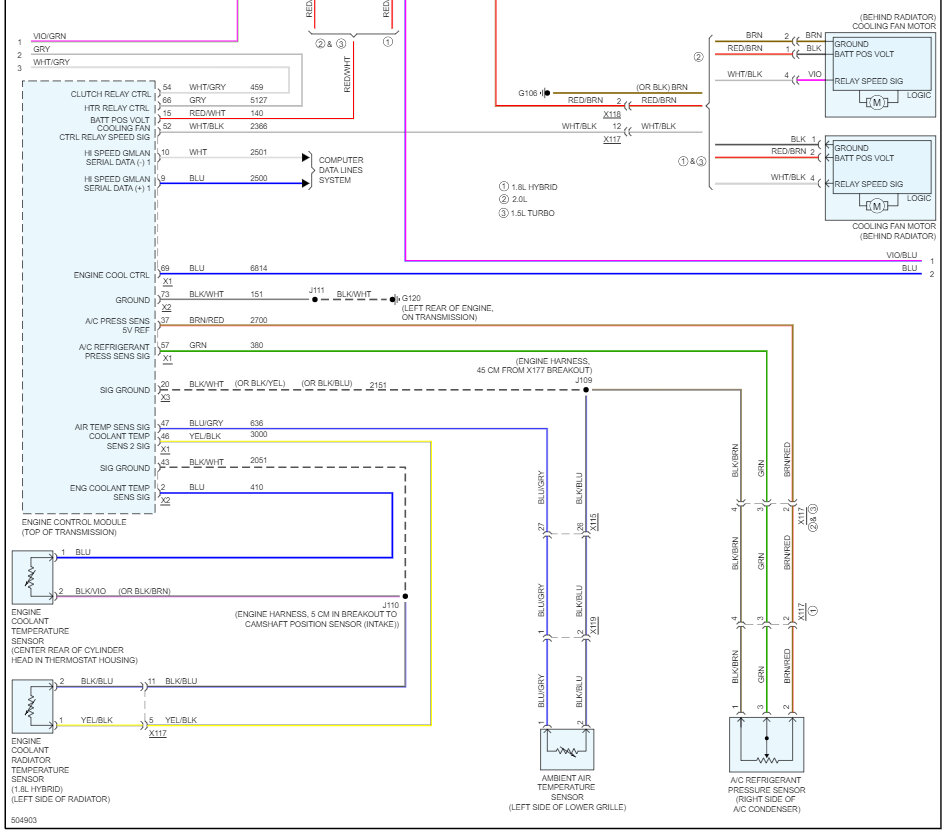
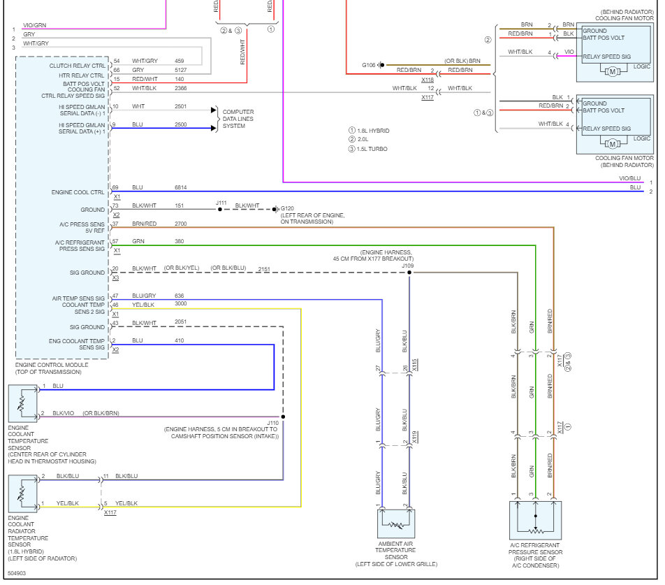
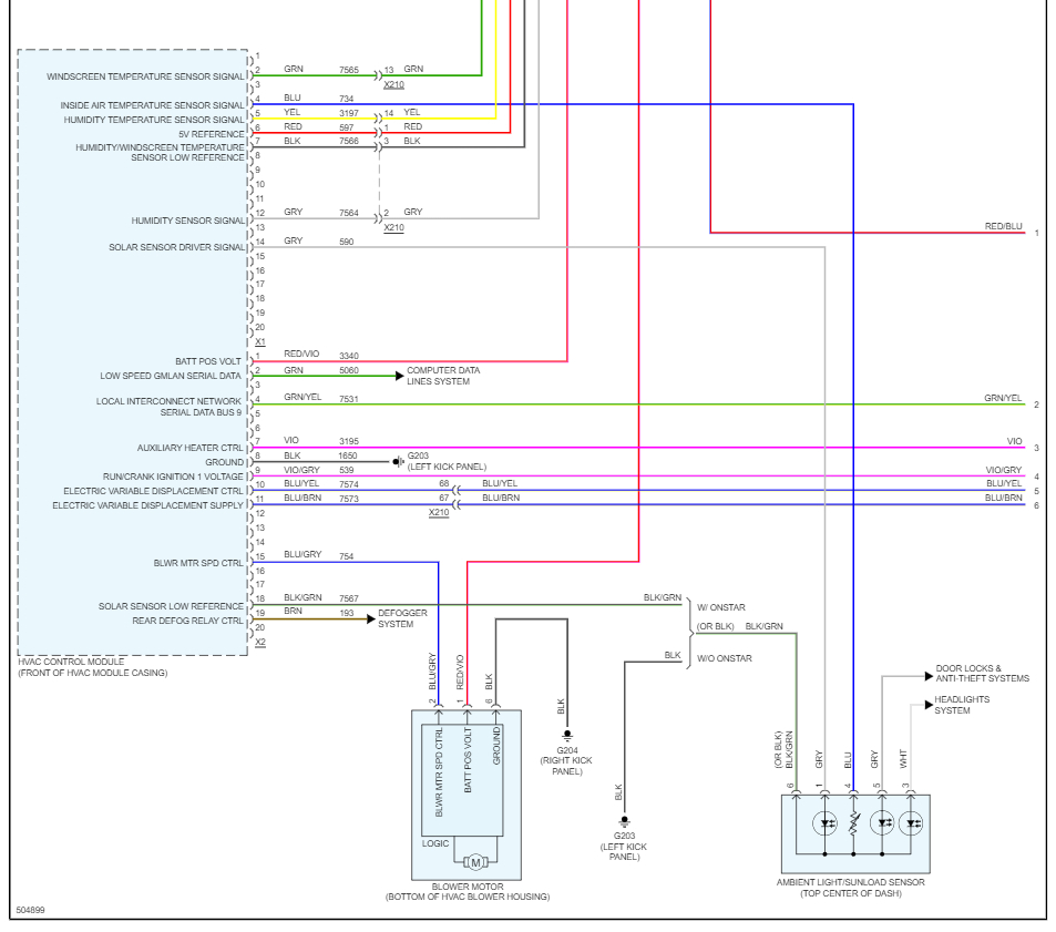
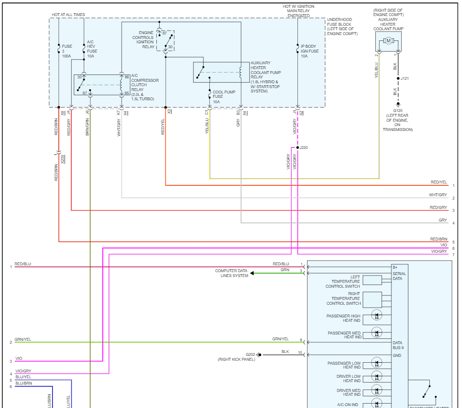
There is no power in the HVAC control. Nothing lights up or turns on.
All fuses are good
On the 4 pin @ HVAC controller.
Black ground is good.
Red power 12.5 volts at all times Yellowish 11.5 power at all times.
Green power on key at 1.5 - moving range.
Any help is greatly appreciated.
Thursday, August 17th, 2023 AT 12:57 PM














