HOME
ASK A QUESTION
REPAIR GUIDES
BECOME A MEMBER
LOG IN
Login with Facebook
OR
Remember me
NOT A MEMBER?
FORGOT PASSWORD?
CONTACT US
PRIVACY POLICY
TERMS AND CONDITIONS
☰
Home
Chevrolet
Silverado
Climate Control
Computer
HVAC module pin out needed?
THOMPNATEE
MEMBER
2014 CHEVROLET SILVERADO
83,000 MILES
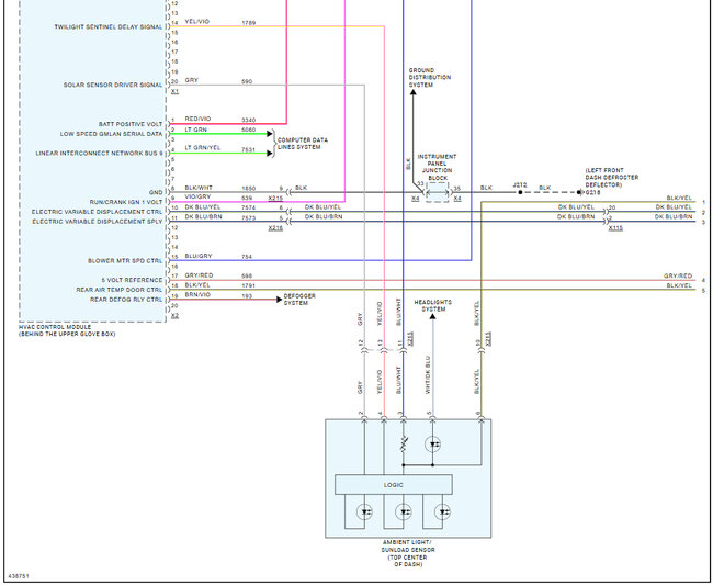
I need the HVAC control module pin out diagram, I need to know what wires are for what.
Friday, May 16th, 2025 AT 8:17 PM
3 Replies
KEN L
MASTER CERTIFIED MECHANIC
55,065 POSTS
What size engine? 4x4?
Was this
answer
helpful?
Yes
No
Sunday, May 18th, 2025 AT 6:32 PM
THOMPNATEE
MEMBER
3 POSTS
It’s the v6 2-wheel drive.
Was this
answer
helpful?
Yes
No
Monday, May 19th, 2025 AT 8:56 AM
KEN L
MASTER CERTIFIED MECHANIC
55,065 POSTS
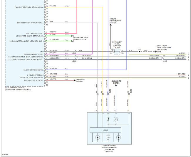
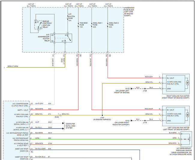
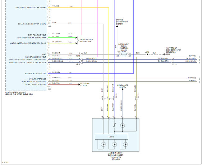
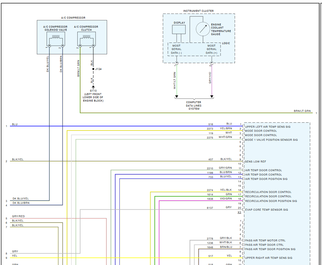
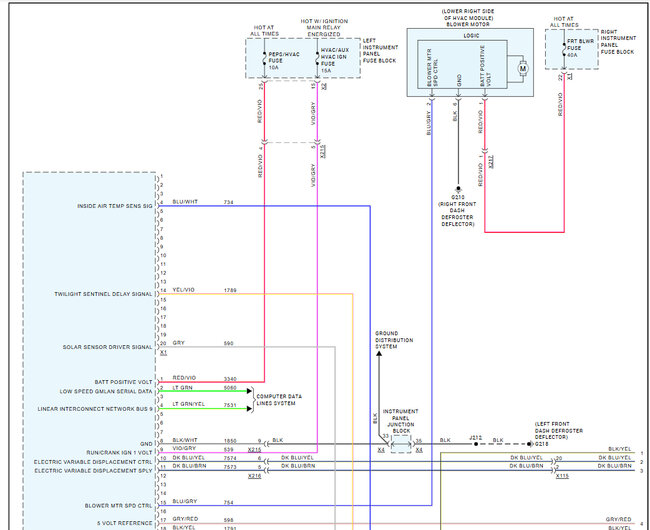
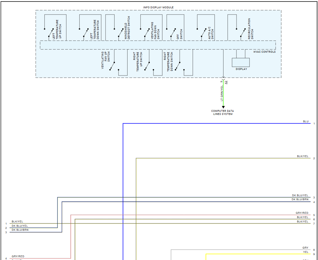
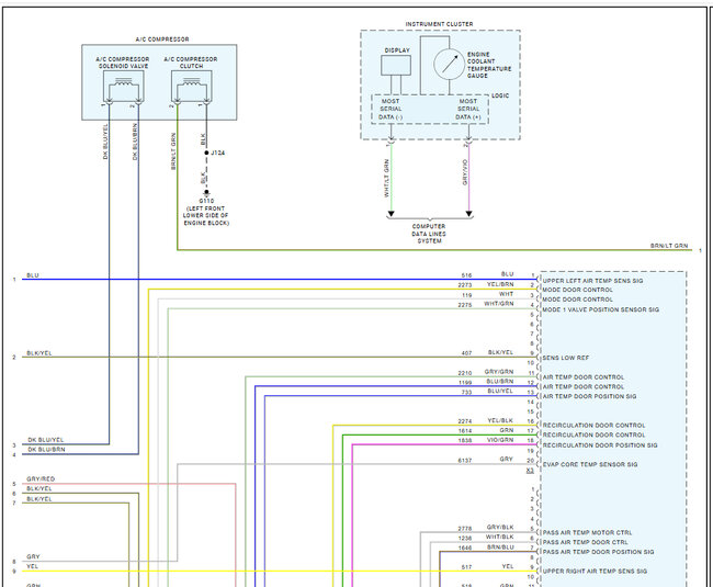
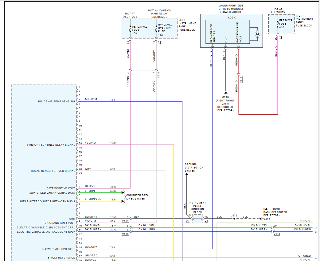
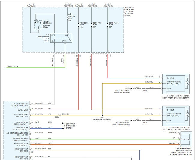
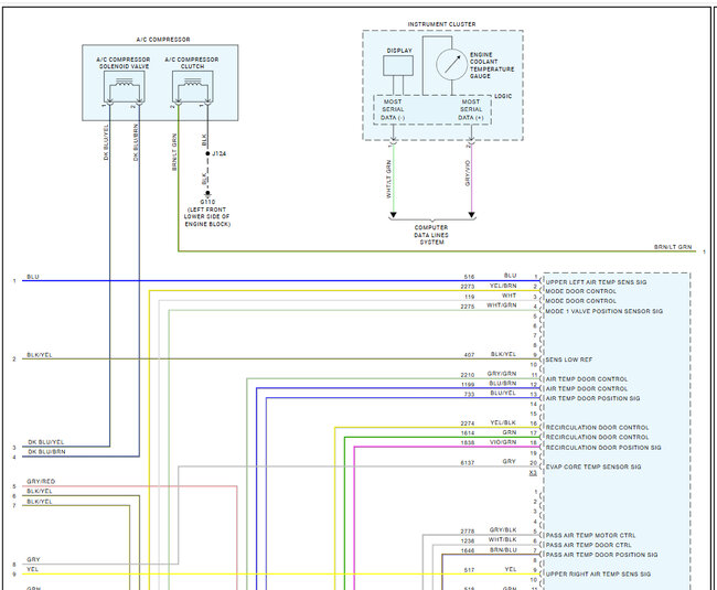
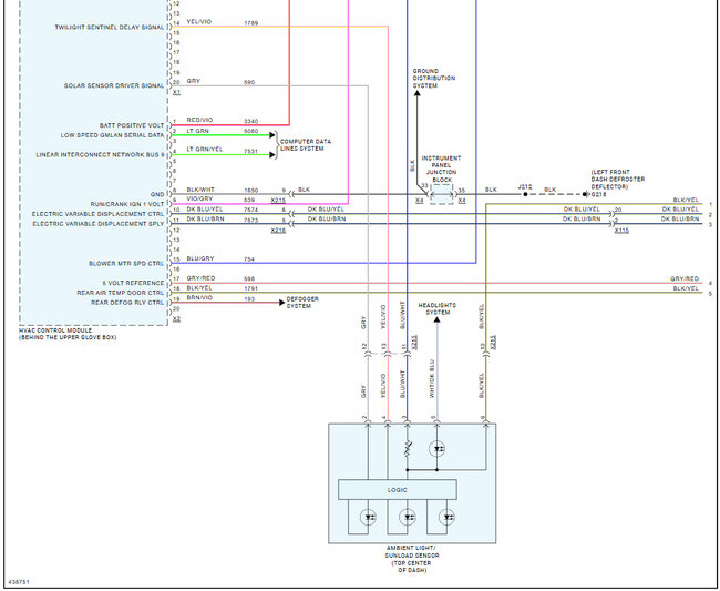
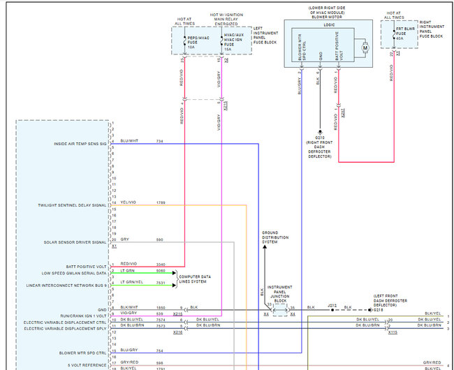
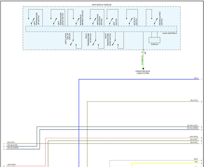
Here are the HVAC wiring diagrams so you can see how the system works.
Check out the images (below). Let us know if you need anything else.
Images (Click to make bigger)
Was this
answer
helpful?
Yes
No
Monday, May 19th, 2025 AT 10:04 AM
Please
login
or
register
to post a reply.
Related Climate Control Computer Content
Only Ac Or Heat Works On The Drivers Or Passenger Side...
How Do You Change The Drivers Side Temp Door Actuator? My Truck Only Has Heat On The Passenger Side. With A Little Research I Found Out That...
Asked by
wingnut569
·
27 ANSWERS
43 IMAGES
2004
CHEVROLET SILVERADO
06 Silverado Blower Motor
Fixing A Blower Motor On A 06 Silverado And I Was Just Wondering What Wire Goes Through The Variable Ressistor, Positive Or Ground. If I...
Asked by
j.stieg
·
11 ANSWERS
1 IMAGE
2006
CHEVROLET SILVERADO
Blend Door Actuator
I Have Removed The Actuator, But I Still Have The Clack Clack Noise. Is There Something I Am Missing?
Asked by
Jerry Dewees
·
3 ANSWERS
2000
CHEVROLET SILVERADO
2000 Chevrolet Silverado Blend Door Actuator
How To Calibrate
Asked by
Wayne T
·
1 ANSWER
2000
CHEVROLET SILVERADO
1991 Chevy Silverado Stalls While Blower Motor Is On...
Hey There, Just Wondering If You Could Help Me Out With This Issue. Our Shop Truck Has Has An Alternator Battery And All The Minor Tune Up...
Asked by
Tylerscott
·
5 ANSWERS
1991
CHEVROLET SILVERADO
VIEW MORE
Ask a Car Question. It's Free!
Air Conditioner Not Working
Air Conditioner - Vacuum Down and Recharge
Air Conditioner Recharge - Simple