Sunday, March 23rd, 2025 AT 5:17 AM
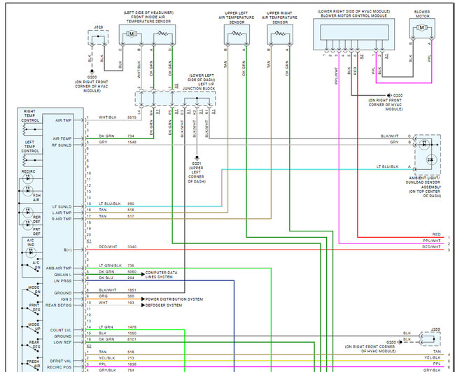
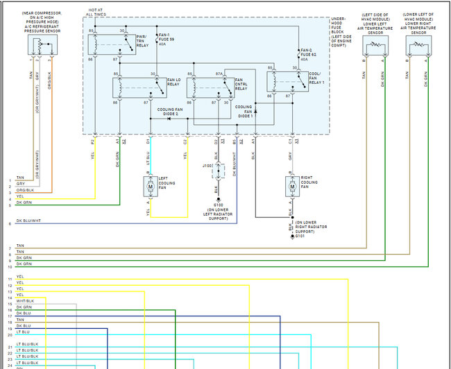
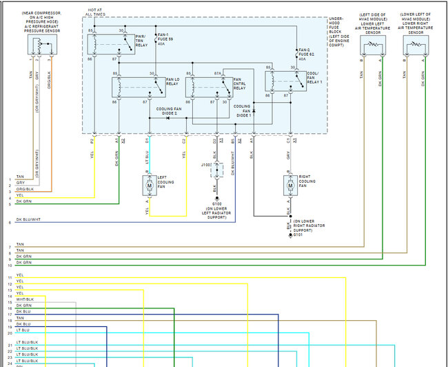
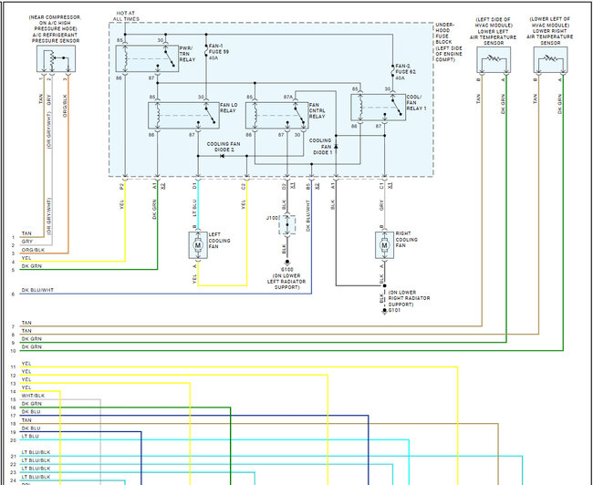
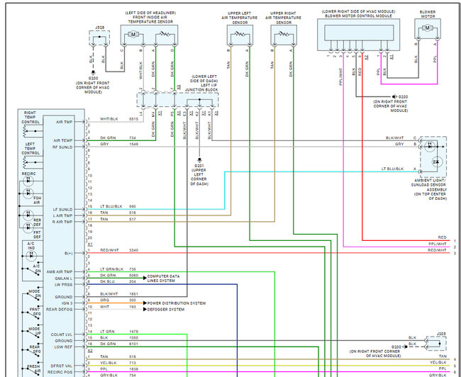
2007 GMC 1500 4x4 classic dual climate control auto none of the 4 motor that control air are working iv replaced all 4 motors and controller. Controller comes on and can adjust fan speed and turn on and off compressor but will not go hot to cold or outside air to recirculate or from vent to defrost to floor.







