HVAC is not working?

2012 CHEVROLET CRUZE
182,000 MILES • 1.4L • 4 CYL • 2WD • AUTOMATIC
Avatar
SAM KLINE
  • MEMBER
  • 1 POST
No lights on the air control panel. No A/C, no blower, no heater. Checked all fuses and relays.
Jun 25, 2023 at 10:46 AM
Repair Safety Notice: This information is for general instructional purposes only. Vehicle repair can be dangerous. Verify all information, follow manufacturer service procedures, use proper tools and safety equipment, and consult a qualified repair shop when needed.
Advertisement
Avatar
STRAILER
  • CAR REPAIR CONTRIBUTOR
  • 54,189 POSTS
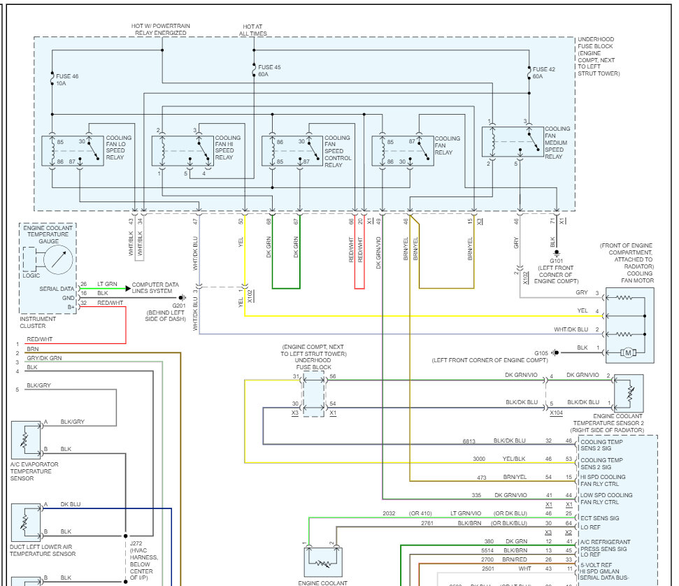
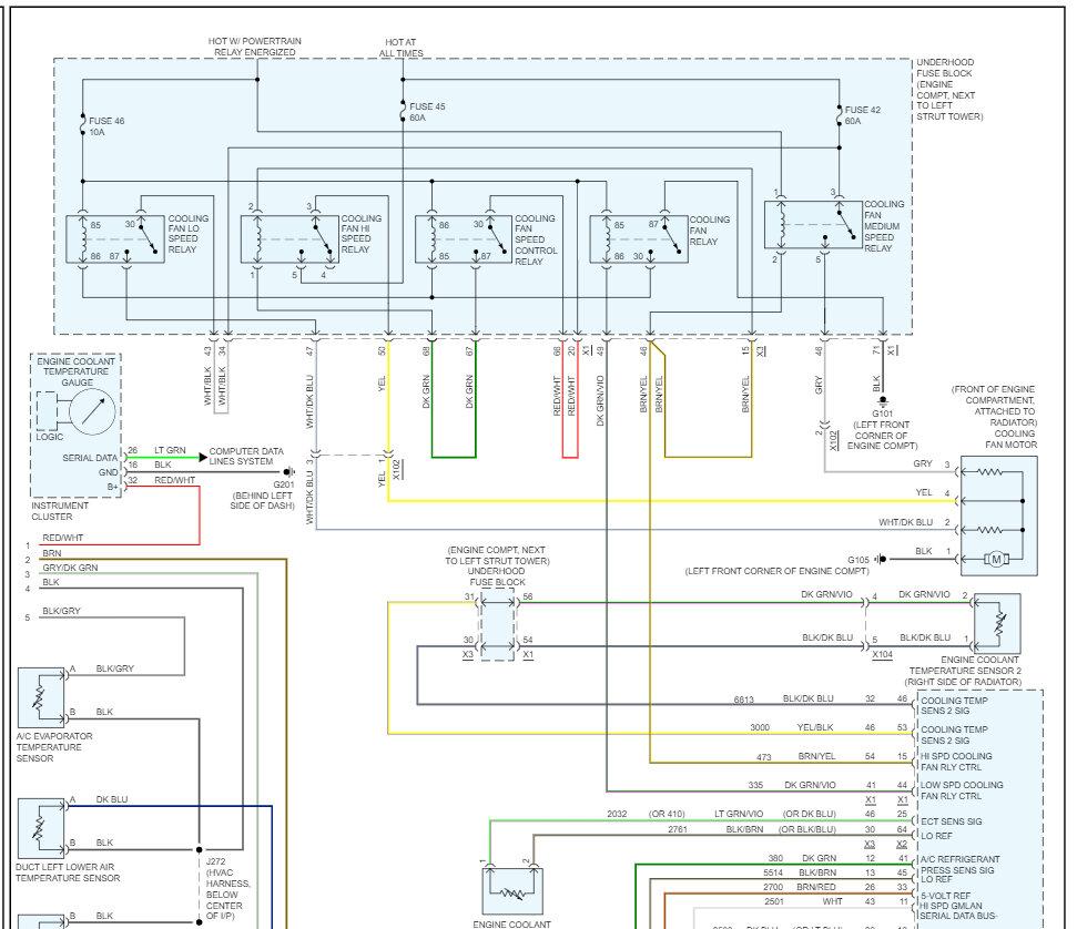
There are five fuses that run the system I would check them for power and if there are good check the system ground, here is a guide to help you and the wiring diagrams so you can see which fuses to check and how the system works.

https://www.2carpros.com/articles/how-to-use-a-test-light-circuit-tester

If the fuses have power and the ground is good let's replace the HVAC controller. Check out the images (below). Please let us know how it goes.
Jun 25, 2023 at 3:31 PM
Advertisement